电脑桌面
添加小米粒文库到电脑桌面
安装后可以在桌面快捷访问

全预应力混凝土简支梁课程设计报告

全预应力混凝土简支梁课程设计报告_第1页
1/31
全预应力混凝土简支梁课程设计报告_第2页
2/31
全预应力混凝土简支梁课程设计报告_第3页
3/31
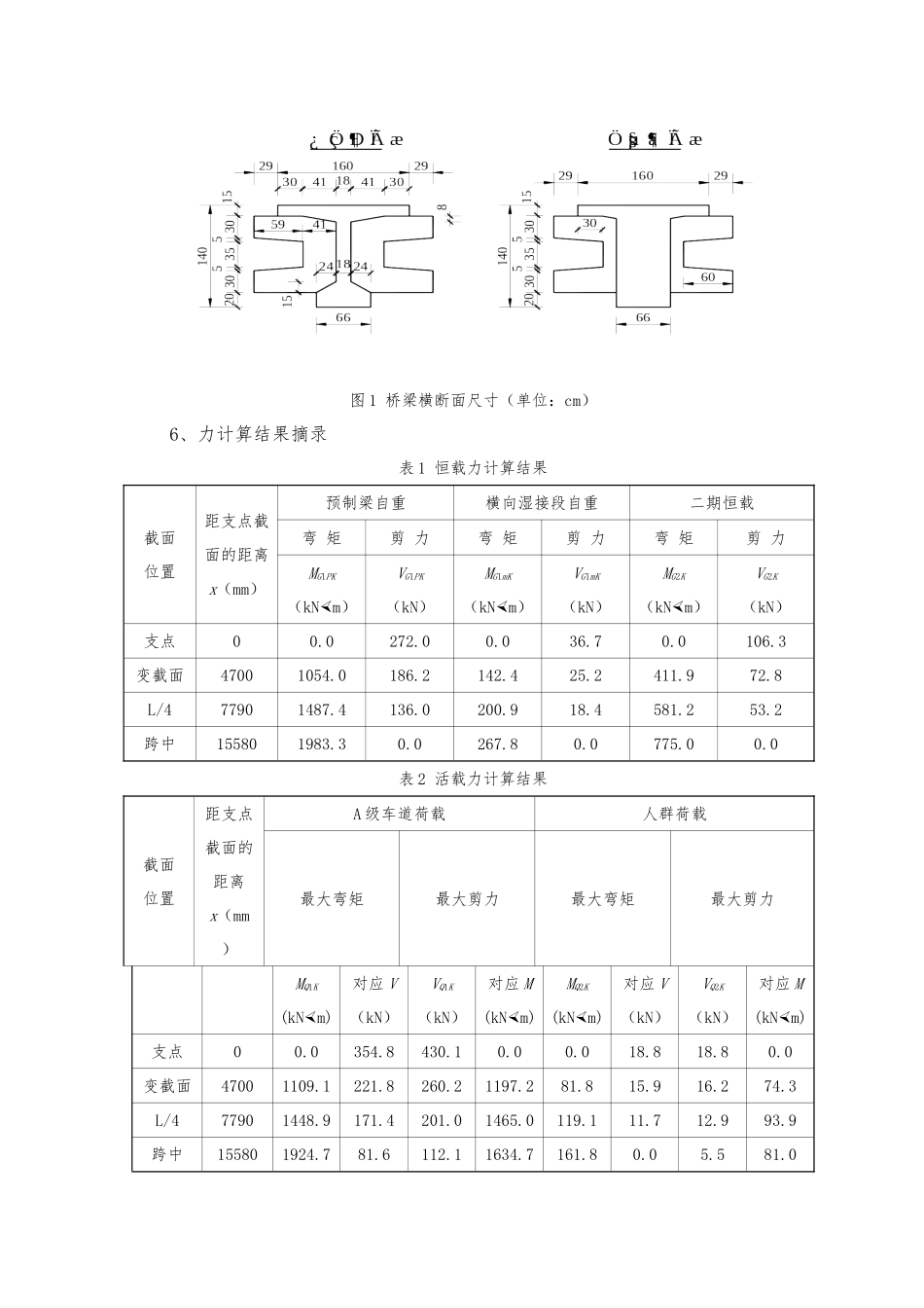
《预应力混凝土桥梁结构设计原理》课程设计全预应力混凝土简支梁设计专业:道路桥梁与渡河工程 指导老师:王宗林:杜钦班级:0732102学号:1073210221一、设计资料1、桥面净空:净 9 + 2 1m2、设计荷载:城-A 级车辆荷载,结构重要性指数0 = 1.13、材料规格(1)混凝土:C50 级;(2)预应力钢筋:17 标准型-15.2-1860-II-GB/T5224-1995 钢绞线,抗拉强度 标 准 值 fpk = 1860MPa , 抗 拉 强 度 设 计 值 fpd = 1260MPa , 弹 性 模 量 Ep = 1.95105MPa;(3)普通钢筋:纵向抗拉普通钢筋采纳 HRB335 钢筋,箍筋与构造钢筋采纳R235 钢筋。4、主要结构尺寸主梁标准跨径 Lk = 32m,梁全长 31.96m,计算跨径 Lf = 31.16m。主梁高度 h=1400mm,主梁间距 S=2200mm,其中主梁上翼缘预制部分宽为1600mm,现浇段宽为 600mm,全桥由 5 片梁组成。桥梁横断面尺寸如图 1 所示。5、施工方式主梁采纳预制方式施工,后法施加预应力。主梁安装就位后,现浇各梁间的60cm 顶板接头混凝土。最后进行桥面系施工。图 1 桥梁横断面尺寸(单位:cm)6、力计算结果摘录表 1 恒载力计算结果截面位置距支点截面的距离x(mm)预制梁自重横向湿接段自重二期恒载弯 矩剪 力弯 矩剪 力弯 矩剪 力MG1PK(kN m )VG1PK(kN)MG1mK(kN m )VG1mK(kN)MG2K(kN m )VG2K(kN)支点00.0 272.0 0.0 36.7 0.0 106.3 变截面47001054.0 186.2 142.4 25.2 411.9 72.8 L/477901487.4 136.0 200.9 18.4 581.2 53.2 跨中155801983.3 0.0 267.8 0.0 775.0 0.0 表 2 活载力计算结果截面位置距支点截面的距离x(mm)A 级车道荷载人群荷载最大弯矩最大剪力最大弯矩最大剪力MQ1K(kN m)对应 V(kN)VQ1K(kN)对应 M(kN m)MQ2K(kN m)对应 V(kN)VQ2K(kN)对应 M(kN m)支点00.0354.8430.10.00.018.818.80.0变截面47001109.1221.8260.21197.281.815.916.274.3L/477901448.9171.4201.01465.0119.111.712.993.9跨中155801924.781.6112.11634.7161.80.05.581.0注:(1)车辆荷载力 MQ1K、VQ1K中已计入冲击系数 1+=1.1188。(2)设表 2 中的荷载效应为 S,第 45 个学号的同学采纳的活载力值 Si为Si = S [1 + (45 – 40) 0.005]二、设计容1)荷载力组合(1)基本组合(用于承载能力极限状态计算)(2)短期组合(用于正常使用极限状态计算)(3)...

1、当您付费下载文档后,您只拥有了使用权限,并不意味着购买了版权,文档只能用于自身使用,不得用于其他商业用途(如 [转卖]进行直接盈利或[编辑后售卖]进行间接盈利)。
2、本站所有内容均由合作方或网友上传,本站不对文档的完整性、权威性及其观点立场正确性做任何保证或承诺!文档内容仅供研究参考,付费前请自行鉴别。
3、如文档内容存在违规,或者侵犯商业秘密、侵犯著作权等,请点击“违规举报”。

碎片内容

全预应力混凝土简支梁课程设计报告

您可能关注的文档

MY shop+ 关注
实名认证
内容提供者

欢迎挑选适合自己的材料。

确认删除?
VIP
微信客服
  • 扫码咨询
会员Q群
  • 会员专属群点击这里加入QQ群
客服邮箱
回到顶部