电脑桌面
添加小米粒文库到电脑桌面
安装后可以在桌面快捷访问

公路市政道路桥梁工程质量检查表

公路市政道路桥梁工程质量检查表_第1页
1/17
公路市政道路桥梁工程质量检查表_第2页
2/17
公路市政道路桥梁工程质量检查表_第3页
3/17
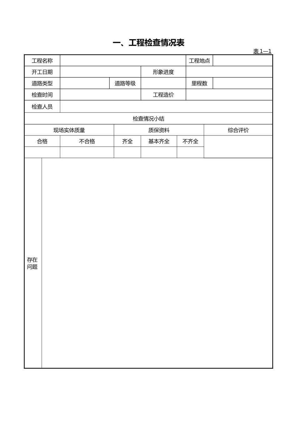
一、工程检查情况表表 1—1 工程名称工程地点开工日期形象进度道路类型道路等级里程数检查时间工程造价检查人员检查情况小结现场实体质量质保资料综合评价合格不合格齐全基本齐全不齐全存在问题表二 技术资料(160 分)工程名称:序号检查项目扣分标准应得分实得分1整体要求a.污损,扣 1 分;涂改,扣 5 分;b.零乱,扣 2 分;没分类,扣 3 分;c.未用新版表格,扣 5 分。102设计变更文件a.手续不全,扣 1 分;b.先变更,后办手续,扣 1 分。53原材料、半成品出厂合格证和进场复验报告a.出厂合格证每缺 1 份扣 1 分;b.进场复验报告每缺 1 份扣 2 分;c.需复检材料,复检前已隐蔽,一次扣 5分;d.水泥无常规检验报告,扣 1 分e.不合格材料处理手续不清楚,扣 2 分。104钢筋接头的试验报告a.检验数量不够,少 1 次扣 1 分,未注明使用部位,每份扣 2 分;b.接头缺工艺检验报告,扣 2 分;c.加倍复验之前隐蔽,扣 5 分。105混凝土和砂浆的施工记录a.混凝土和砂浆的配合比资料不全,扣 1分;b.混凝土和砂浆材料称量、浇筑和间歇时间记录,少一种扣 1 分;c.搅拌时间、养护时间,少一种扣 1 分;d.无现场塌落度检验记录,扣 2 分;e.无浇灌令,扣 5 分。56混凝土和砂浆试件的性能试验报告a.抗压、抗渗试件数量不够,每少 1 组扣 2分;b.试件试验龄期超 30 天,每 2 组扣 1 分;超 50 天,每组扣 1 分;c.强度标准差超 5.5,扣 2 分;d.试件强度不合格,检测合格,扣 2 分;e.无同条件养护试件,扣 2 分;f.同条件养护试件没有按等效养护龄期试验,扣 3 分;g.同条件养护试件没有与标准养护试件分开评定,扣 1 分;h.试件制作日期与浇灌记录不符,扣 10分;i.试件离散过大,无代表值,每 2 组扣 1分,无相应处理措施,扣 2 分。107预应力筋用锚具、连接器的合格证和出厂检验报告a.出厂合格证少 1 份扣 1 分;b.检验报告少 1 份扣 2 分。108预应力筋安装、拉与灌浆记录a.安装检验记录少 1 份扣 1 分;b.拉检验记录少 1 份扣 1~5 分;c.灌浆检验记录少 1 份扣 1 分;d.记录填写不全,扣 1 分。10序号检查项目扣分标准应得分实得分9隐蔽验收记录a.记录不全,有关人员没签字,扣 2 分;b.记录不准确,扣 1.5 分;c.日期不符,扣 1 分。10 续表二10土路基压实度、回弹模量(弯沉)a.数量不够,每少 1 组,扣 2 分;b.检验批划分不准确,...

1、当您付费下载文档后,您只拥有了使用权限,并不意味着购买了版权,文档只能用于自身使用,不得用于其他商业用途(如 [转卖]进行直接盈利或[编辑后售卖]进行间接盈利)。
2、本站所有内容均由合作方或网友上传,本站不对文档的完整性、权威性及其观点立场正确性做任何保证或承诺!文档内容仅供研究参考,付费前请自行鉴别。
3、如文档内容存在违规,或者侵犯商业秘密、侵犯著作权等,请点击“违规举报”。

碎片内容

公路市政道路桥梁工程质量检查表

您可能关注的文档

确认删除?
VIP
微信客服
  • 扫码咨询
会员Q群
  • 会员专属群点击这里加入QQ群
客服邮箱
回到顶部