电脑桌面
添加小米粒文库到电脑桌面
安装后可以在桌面快捷访问

关键特殊过程管理办法

关键特殊过程管理办法_第1页
1/14
关键特殊过程管理办法_第2页
2/14
关键特殊过程管理办法_第3页
3/14
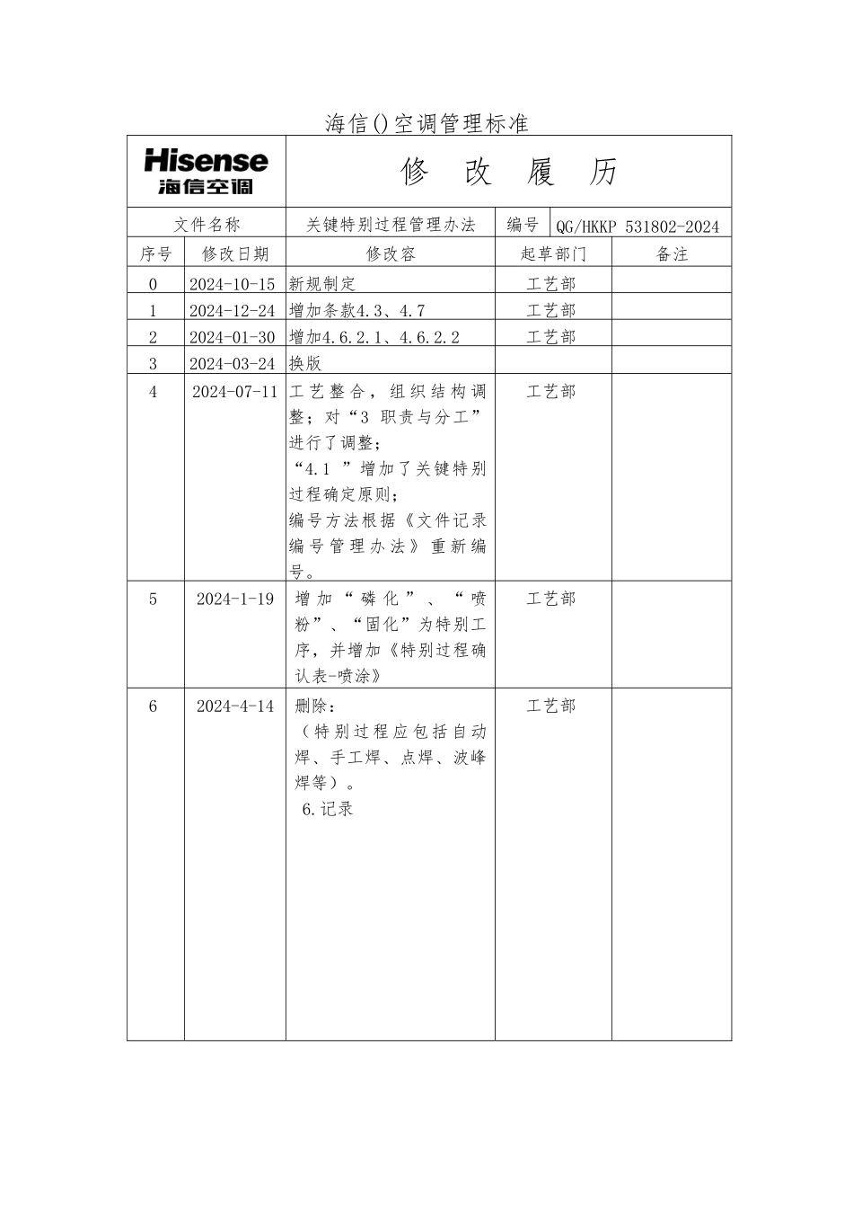
海信()空调管理标准编号:QG/HKKP 531802-2024关 键 、 特 别 过 程 管 理 办 法受 控 标 识 :拟制: 日期: 日期: 日期:海信()空调 发布海信()空调管理标准修 改 履 历文件名称关键特别过程管理办法编号QG/HKKP 531802-2024序号修改日期修改容起草部门备注02024-10-15 新规制定工艺部12024-12-24 增加条款4.3、4.7工艺部22024-01-30 增加4.6.2.1、4.6.2.2工艺部32024-03-24 换版42024-07-11 工 艺 整 合 , 组 织 结 构 调整;对“3 职责与分工”进行了调整;“4.1 ”增加了关键特别过程确定原则;编号方法根据《文件记录编 号 管 理 办 法 》 重 新 编号。工艺部52024-1-19增 加 “ 磷 化 ” 、 “ 喷粉”、“固化”为特别工序,并增加《特别过程确认表-喷涂》工艺部62024-4-14删除:(特别过程应包括自动焊、手工焊、点焊、波峰焊等)。 6.记录工艺部海信()空调管理标准编号:QG/HKKP 531802-2024关 键 特 别 过 程 管 理 办 法1 目的根据《工序控制管理标准》的要求,对关键、特别过程进行有效控制,确保产品满足顾客的需求。2 主题容与适用围2.1 本程序规定了海信()空调生产过程对关键、特别过程进行控制的有关要求。2.2 本程序适应于海信()空调生产过程中关键、特别过程的控制。3 职责与分工3.1 工艺部门确定生产过程关键、特别过程,并制定对关键、特别过程的控制方法。3.2 设备动力部门负责生产过程关键、特别过程用设备的鉴定,制定设备维护保养的可执行文件。3.3 人力资源部门负责关键、特别过程操作人员的培训组织与实施。3.4 制造部门严格按工艺要求进行关键、特别过程的操作和记录。4 程序容4.1关键过程指对产品安全有重要影响的过程;特别过程指过程的输出不能由后续的监视和测量加以验证,仅在产品使用之后问题才显现的过程。工艺部门按生产过程零部件加工与装配工艺流程进行分析,确定关键、特别过程,编制《关键与特别工序明细表》,负责编制关键、特别工序作业指导书,明确对关键、特别过程的质量要求,明确工艺参数,控制方法和操作步骤。关键与特别工序明细表、作业指导书格式符合《工艺文件格式管理标准》的要求。4.2 设备动力部门负责关键、特别过程所使用的设备、设施的鉴定,保证在用设备、设施在鉴定使用期限。负责设备、设施能力(包括精度、安全性、可用性等要求)保障,制定设备、设施维护、保养的可执行文件与组织实施,并保存相...

1、当您付费下载文档后,您只拥有了使用权限,并不意味着购买了版权,文档只能用于自身使用,不得用于其他商业用途(如 [转卖]进行直接盈利或[编辑后售卖]进行间接盈利)。
2、本站所有内容均由合作方或网友上传,本站不对文档的完整性、权威性及其观点立场正确性做任何保证或承诺!文档内容仅供研究参考,付费前请自行鉴别。
3、如文档内容存在违规,或者侵犯商业秘密、侵犯著作权等,请点击“违规举报”。

碎片内容

关键特殊过程管理办法

您可能关注的文档

确认删除?
VIP
微信客服
  • 扫码咨询
会员Q群
  • 会员专属群点击这里加入QQ群
客服邮箱
回到顶部