电脑桌面
添加小米粒文库到电脑桌面
安装后可以在桌面快捷访问

分户验收资料表格全版

分户验收资料表格全版_第1页
1/9
分户验收资料表格全版_第2页
2/9
分户验收资料表格全版_第3页
3/9
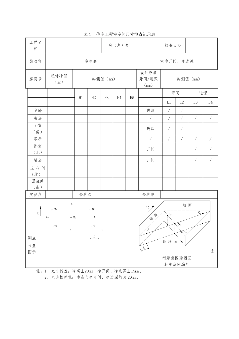
住宅工程质量检查记录 工程名称房(户)号检查日期序号验收项目验收容检查记录1室空间尺寸室净高、净开间、净进深2楼板结构层厚度现浇楼板厚度3楼(地)面墙面和顶棚裂缝(纹)、空鼓、脱皮(层)、墙面、顶棚爆灰、地面起砂4门窗、栏杆安装窗台高度、门窗开启、配件、安全玻璃,栏杆高度、竖杆间距、防攀措施5防水工程外墙、外窗、楼(地)面、屋面等部位防渗漏6给水、排水工程管道渗漏、堵塞、坡度、预埋管道标识、安装固定、配件安装、地漏、存水弯、卫生器具7室电气工程插座、接地、户配电箱安装、照明、等电位联结8其他通风设施、空调设备预留孔洞表 1 住宅工程室空间尺寸检查记录表工程名称房(户)号检查日期验收容室净高室净开间、净进深房间号设计净值(mm)实测值(mm)设计净值开间/进深(mm)实测值(mm)H1H2H3H4H5开间进深L1L2L3L4主卧进深 //书房/////卧室(南)进深 //客厅/////卧室(北)开间 //厨房开间 //卫 生 间(北)卫生间(南)实测点合格点合格率测点位置图示套型示意图贴图区标准房间编号注:1、允许偏差:净高±20mm,净开间、净进深±15mm。2、允许极差值:净高与净开间、净进深均为 20mm。表 2 住宅工程楼板结构层厚度偏差检查记录 工程名称房(户)号检查日期房间号允许偏差(mm)最大偏差(mm)设计值(mm)实测值(mm)B1B2B3B4B5主卧室+8-5+12-8书房南卧室客厅餐厅北卧室厨房实测点合格点合格率测点位置图示套型示意图贴图区标准房间编号检查结论实测 房间 符合要求 房间 不符合要求 / 房间注:1、设计值以施工图(结构)为准。2、当超过允许偏差的测点超过总测点数 20%,或有其中一点超过最大偏差的,验收即为“不符合”。3、当验收结论为不符合,必要时,其结构安全可由原设计单位确认。4、本项检查应在主体结构验收前完成。表 3 住宅工程楼(地)面、墙面和顶棚质量检查记录 工程名称房(户)号检查日期序号验收容质量要求检查记录1普通水泥楼(地)面无裂纹、脱皮、麻面、起砂、空鼓等缺陷;有排水坡度要求的不得倒泛水和积水2板块楼(地)面无裂纹、掉角、缺棱、空鼓等缺陷;有排水坡度要求的不得倒泛水和积水/3室墙面无脱层、起壳、爆灰、裂缝等缺陷;表面光滑、干净、平顺4室顶棚无脱层、起壳、爆灰、裂缝等缺陷;表面光滑、干净、平顺检查结论注:1、普通水泥楼(地)面空鼓面积不大于 400cm2,且每自然间不多于 2 处可不计2、板块楼(地)面凡单块板块有局部空鼓(不大于单块...

1、当您付费下载文档后,您只拥有了使用权限,并不意味着购买了版权,文档只能用于自身使用,不得用于其他商业用途(如 [转卖]进行直接盈利或[编辑后售卖]进行间接盈利)。
2、本站所有内容均由合作方或网友上传,本站不对文档的完整性、权威性及其观点立场正确性做任何保证或承诺!文档内容仅供研究参考,付费前请自行鉴别。
3、如文档内容存在违规,或者侵犯商业秘密、侵犯著作权等,请点击“违规举报”。

碎片内容

分户验收资料表格全版

确认删除?
VIP
微信客服
  • 扫码咨询
会员Q群
  • 会员专属群点击这里加入QQ群
客服邮箱
回到顶部