电脑桌面
添加小米粒文库到电脑桌面
安装后可以在桌面快捷访问

分部、分项工程开工报告样板VIP专享

分部、分项工程开工报告样板_第1页
1/9
分部、分项工程开工报告样板_第2页
2/9
分部、分项工程开工报告样板_第3页
3/9
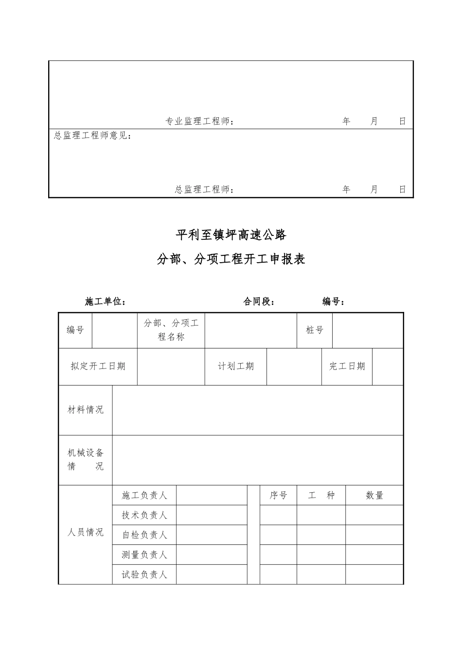
平利至镇坪高速公路分部、分项工程开工报告(编号)合 同 段:开工项目:里程桩号:项目经理部(盖章):申报日期: 年 月 日平利至镇坪高速公路分部(项)工程开工申请批复单施工单位: 中铁十八局集团第五工程 合同段: LJ-3 起讫桩号: 编 号:工程项目名称:桥梁工程单项工程名称:桥面系与附属工程里 程 桩 号:计划开工日期: 2024 年 5 月 1 日计划完工日期:2024 年 4 月 10 日工程主要容: 连续段、中横梁、护栏、桥面铺装,钢筋焊接与绑扎砼浇筑,桥面负弯矩拉与压浆施工准备情况说明: 承包人: 年 月 日附件:1、分部、分项工程简介;2、测量控制批复成果表;3、施工进度计划;4、现场管理、施工人员表;3、进场机械设备表;4、进场材料表;5、施工方案审批表;6、工程技术交底卡片;7、安全、环保技术交底卡片;8、进场材料检验单;9、质量责任卡。监理工程师意见:专业监理工程师: 年 月 日总监理工程师意见:总监理工程师: 年 月 日平利至镇坪高速公路分部、分项工程开工申报表施工单位: 合同段: 编号:编号分部、分项工程名称桩号拟定开工日期计划工期完工日期材料情况机械设备情 况人员情况施工负责人序号工 种数量技术负责人自检负责人测量负责人试验负责人附件:1、分部、分项工程简介;2、测量控制批复成果表;3、施工进度计划;4、现场管理、施工人员表;3、进场机械设备表;4、进场材料表;5、施工方案审批表;6、工程技术交底卡片;7、安全、环保技术交底卡片;8、进场材料检验单;9、质量责任卡。项目经理(签字):已准备到位。年 月 日平利至镇坪高速公路分部、分项工程现场管理人员表施工单位: 合同段: 编号:工程名称桩 号序号性别年龄职称学历专业拟担任职务备注项目经理(签字):人员配置已到位。年 月 日专业监理工程师意见:经核实,属实! 年 月 日平利至镇坪高速公路分部、分项工程现场施工人力表施工单位: 合同段: 编号:工程名称桩 号熟练工人工种级别人数上岗证普通工人人 数基本工人民 工项目经理(签字):人员配置已到位年 月 日专业监理工程师意见:经核实,属实!年 月 日平利至镇坪高速公路分部、分项工程进场机械设备表施工单位: 合同段: 编号:工程名称桩 号序号机械或设备名称型 号台数性能新旧状况备注项目经理(签字):机械配置已到位。年 月 日专业监理工程师意见:经核实,属实!年 月 日平利至镇坪高速公路分...

1、当您付费下载文档后,您只拥有了使用权限,并不意味着购买了版权,文档只能用于自身使用,不得用于其他商业用途(如 [转卖]进行直接盈利或[编辑后售卖]进行间接盈利)。
2、本站所有内容均由合作方或网友上传,本站不对文档的完整性、权威性及其观点立场正确性做任何保证或承诺!文档内容仅供研究参考,付费前请自行鉴别。
3、如文档内容存在违规,或者侵犯商业秘密、侵犯著作权等,请点击“违规举报”。

碎片内容

分部、分项工程开工报告样板

确认删除?
VIP
微信客服
  • 扫码咨询
会员Q群
  • 会员专属群点击这里加入QQ群
客服邮箱
回到顶部