电脑桌面
添加小米粒文库到电脑桌面
安装后可以在桌面快捷访问

办公楼装饰装修工程监理实施细则

办公楼装饰装修工程监理实施细则_第1页
1/11
办公楼装饰装修工程监理实施细则_第2页
2/11
办公楼装饰装修工程监理实施细则_第3页
3/11
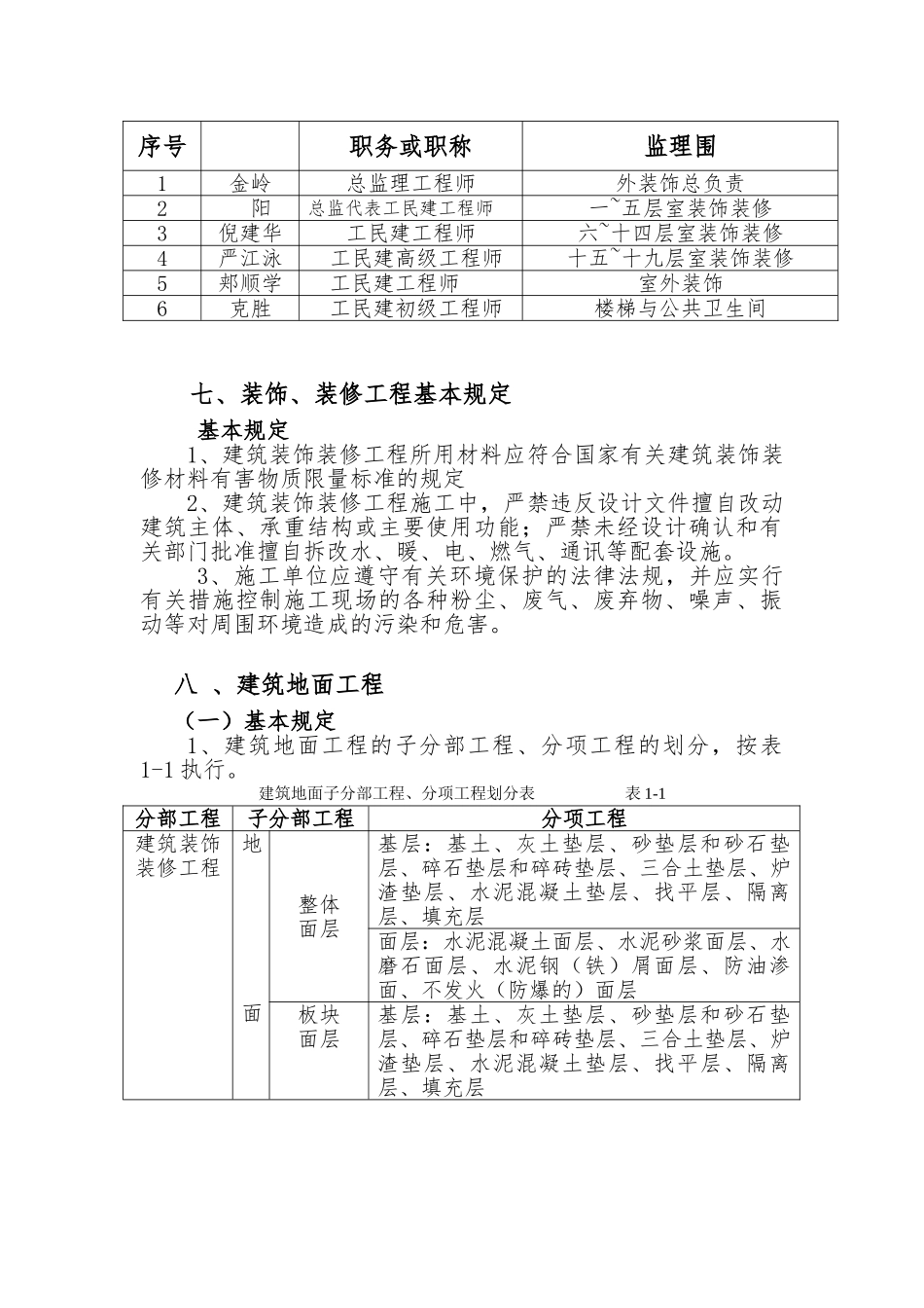
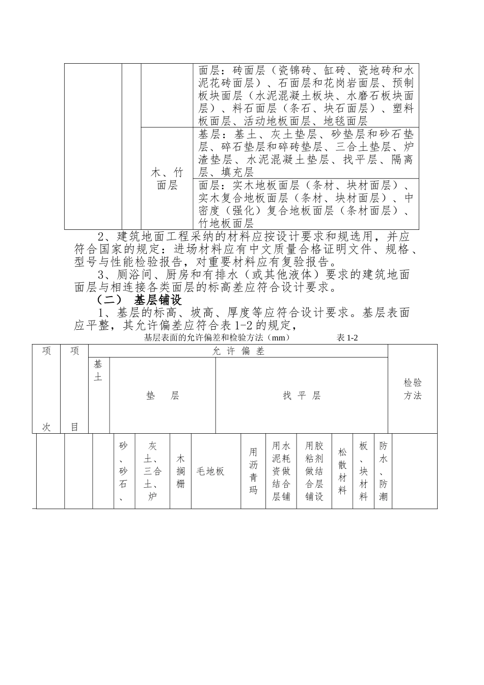
1、开工准备工作⑴ 对工程所需原材料,构配件的质量进行检查和控制 工程材料、半成品,构配件应事先提交样品,经甲方和监理认可后才能采购订货。凡进场材料均应有产品合格证或技术说明书,在材料、设备到货 24 小时前,通知监理工程师验收,承包方必须按规要求进行抽样试验。有关抽样试验频率,参照《建设项目质量控制》附录五,监理工程师有权进行抽样复验。经抽样检查合格的材料方可用于工程施工。 (2)承包方按约定的时间向监理方提交施工组织设计,监理方按规定的时间给予审批。监理工程师对施工组织设计的审核,重点审核该方案对保证工程质量提出的技术和组织措施。① 施工单位编制重点分部(项)工程的施工技术文件;② 针对工程质量通病制定技术措施;③ 保证工程质量的预控措施。 (3)对承包方机械、设备的检查;① 设备性能能否满足施工工艺和质量要求;② 设备的数量能否满足工期的要求;③ 机械设备能否满足技术规要求;④ 仪器设备精度、性能能否满足质量要求。 2、开工报告⑴ 单位工程开工前,承包方应填写“工程开工报审表”,经总监理工程师批准后方可施工。⑵ 单位工程开工申请报告审查的容主要有:① 施工许可证是否已获政府主管部门批准;② 施工组织设计是否已获总监理工程师批准;③ 承包单位现场管理人员是否已到位,机具施工人员是否已进场,主要工程材料是否已落实。④ 进场道路与水、电、通讯等是否满足开工要求。五、事中质量控制(施工过程中质量控制)实施细则每道工序均应做到事先有准备、事中有检查、事后有资料。其共同部分为:1、事前准备⑴ 学习有关图纸和技术资料。⑵ 学习操作规程和质量标准。⑶ 对操作人员进行技术交底。2、资料验证⑴ 施工记录、自检记录;⑵ 质量评定记录。六、装饰、装修工程监理组织机构图为做好综合楼的装饰装修工程,加强和便于装饰装修工程的管理,我监理部按装饰装饰的楼段划分配备相应的监理人员,并明确责任,图示如下:序号职务或职称监理围1金岭总监理工程师外装饰总负责2 阳总监代表工民建工程师一~五层室装饰装修3倪建华工民建工程师六~十四层室装饰装修4严江泳 工民建高级工程师十五~十九层室装饰装修5郏顺学工民建工程师室外装饰6克胜工民建初级工程师楼梯与公共卫生间七、装饰、装修工程基本规定基本规定1、建筑装饰装修工程所用材料应符合国家有关建筑装饰装修材料有害物质限量标准的规定2、建筑装饰装修工程施工中,严禁违反设计文件擅自改动建筑...

1、当您付费下载文档后,您只拥有了使用权限,并不意味着购买了版权,文档只能用于自身使用,不得用于其他商业用途(如 [转卖]进行直接盈利或[编辑后售卖]进行间接盈利)。
2、本站所有内容均由合作方或网友上传,本站不对文档的完整性、权威性及其观点立场正确性做任何保证或承诺!文档内容仅供研究参考,付费前请自行鉴别。
3、如文档内容存在违规,或者侵犯商业秘密、侵犯著作权等,请点击“违规举报”。

碎片内容

办公楼装饰装修工程监理实施细则

您可能关注的文档

确认删除?
VIP
微信客服
  • 扫码咨询
会员Q群
  • 会员专属群点击这里加入QQ群
客服邮箱
回到顶部