电脑桌面
添加小米粒文库到电脑桌面
安装后可以在桌面快捷访问

加油站安全评价现场检查表

加油站安全评价现场检查表_第1页
1/6
加油站安全评价现场检查表_第2页
2/6
加油站安全评价现场检查表_第3页
3/6
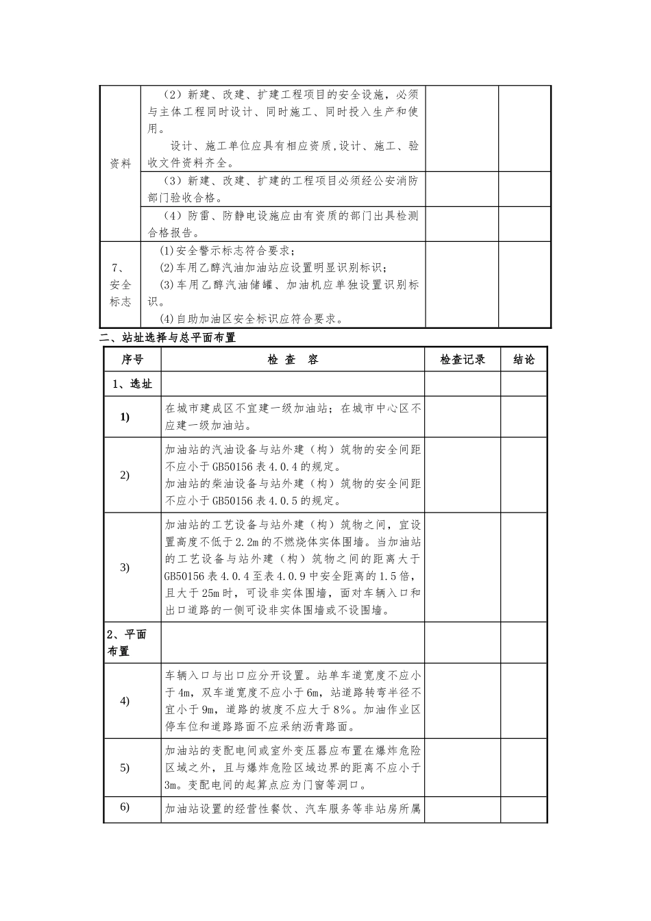
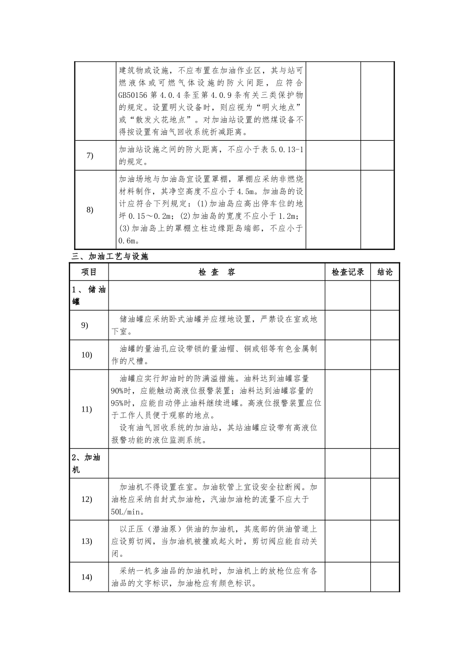
加油站安全评价现场检查表一、安全管理项目检 查 容检查记录结论1、制度规程建立健全安全生产责任制、安全管理制度和岗位安全操作规程。2、机构人员设置安全生产管理机构或者配备专职安全生产管理人员。3、从业人员资格(1)主要负责人和安全生产管理人员,自任职之日起 6 个月,必须经安全生产监督管理部门对其安全生产知识和管理能力考核合格。(2)特种作业人员应当根据国家有关规定,接受与其所从事的特种作业相应的安全技术理论培训和实际操作培训,取得特种作业相关书后,方可上岗作业。(3)其他从业人员经本单位专业培训或委托专业培训,并经考核合格,取得上岗资格。未经安全生产教育和培训合格的从业人员,不得上岗作业。4、事故应急救援预案(1)根据《生产经营单位生产安全事故应急预案编制导则》GB/T29639-2024 编制事故应急救援预案,并报安监部门备案。(2)有应急救援组织或者应急救援人员,配备必要的应急救援器材、设备,并定期组织应急救援演练。5、重 大危 险源 管理构成重大危险源的应当符合《危险化学品重大危险源监督管理暂行规定》(国家安全生产监督管理总局令第 40 号)的要求。(1)建立运行管理档案,对运行情况进行全程监控;(2)定期对设施、设备进行检测、检验;(3)定期检查重大危险源的安全状态;(4)制定专门的应急救援预案,定期组织应急救援演练。对重大危险源专项应急预案,每年至少进行一次;对重大危险源现场处置方案,每半年至少进行一次。(5)单位在完成重大危险源安全评估报告或者安全评价报告后 15 日,在当地县级人民政府安全生产监督管理部门备案。应当至少每半年向安全生产监督管理部门和其他有关部门报告重大危险源监控措施的实施情况。6、基础(1)新建、改建、扩建的加油站应有建设规划批文(或选址意见书)与土地使用手续。资料(2)新建、改建、扩建工程项目的安全设施,必须与主体工程同时设计、同时施工、同时投入生产和使用。设计、施工单位应具有相应资质,设计、施工、验收文件资料齐全。(3)新建、改建、扩建的工程项目必须经公安消防部门验收合格。(4)防雷、防静电设施应由有资质的部门出具检测合格报告。7、安全标志(1)安全警示标志符合要求;(2)车用乙醇汽油加油站应设置明显识别标识;(3)车用乙醇汽油储罐、加油机应单独设置识别标识。(4)自助加油区安全标识应符合要求。二、站址选择与总平面布置序号检 查 容检查记录结论1、选址1)在城市建成区不宜建一级加油...

1、当您付费下载文档后,您只拥有了使用权限,并不意味着购买了版权,文档只能用于自身使用,不得用于其他商业用途(如 [转卖]进行直接盈利或[编辑后售卖]进行间接盈利)。
2、本站所有内容均由合作方或网友上传,本站不对文档的完整性、权威性及其观点立场正确性做任何保证或承诺!文档内容仅供研究参考,付费前请自行鉴别。
3、如文档内容存在违规,或者侵犯商业秘密、侵犯著作权等,请点击“违规举报”。

碎片内容

加油站安全评价现场检查表

您可能关注的文档

确认删除?
VIP
微信客服
  • 扫码咨询
会员Q群
  • 会员专属群点击这里加入QQ群
客服邮箱
回到顶部