电脑桌面
添加小米粒文库到电脑桌面
安装后可以在桌面快捷访问

包装质检员岗位说明书

包装质检员岗位说明书_第1页
1/3
包装质检员岗位说明书_第2页
2/3
包装质检员岗位说明书_第3页
3/3
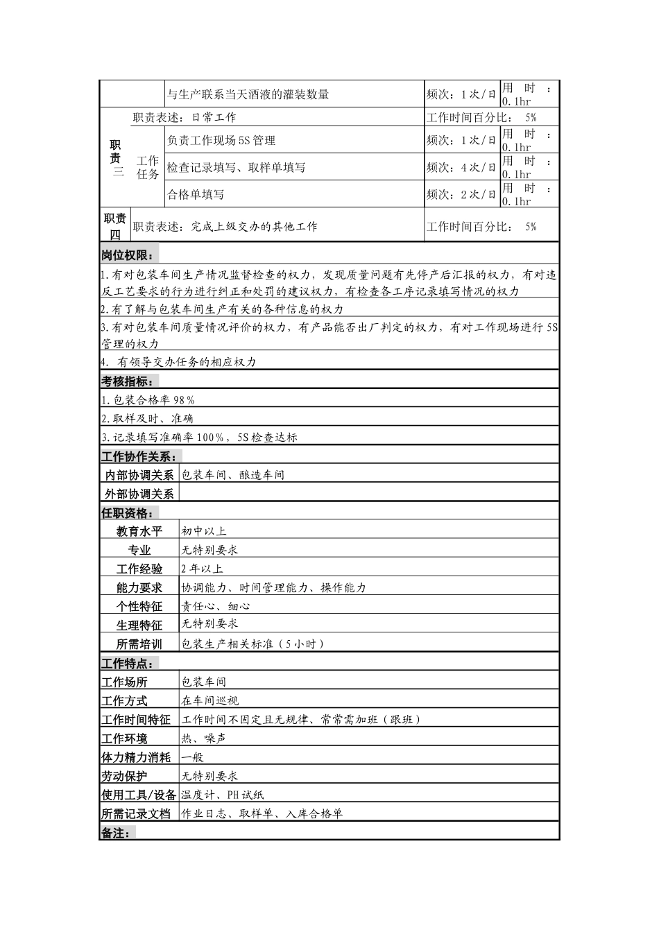
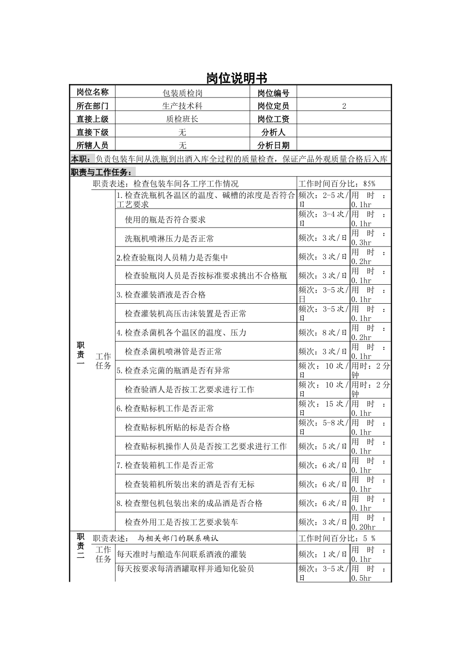
岗位说明书岗位名称包装质检岗岗位编号所在部门生产技术科岗位定员2直接上级质检班长岗位工资直接下级无分析人所辖人员无分析日期本职:负责包装车间从洗瓶到出酒入库全过程的质量检查,保证产品外观质量合格后入库职责与工作任务:职责一职责表述:检查包装车间各工序工作情况工作时间百分比:85%工作任务1.检查洗瓶机各温区的温度、碱槽的浓度是否符合工艺要求频次:2-5 次/日 用时:0.1hr使用的瓶是否符合要求频次:3-4 次/日 用时:0.1hr洗瓶机喷淋压力是否正常频次:3 次/日 用时:0.3hr2.检查验瓶岗人员精力是否集中频次:3 次/日 用时:0.2hr检查验瓶岗人员是否按标准要求挑出不合格瓶频次:3 次/日 用时:0.1hr3.检查灌装酒液是否合格频次:3-5 次/日用时:0.1hr检查灌装机高压击沫装置是否正常频次:3-5 次/日 用时:0.1hr4.检查杀菌机各个温区的温度、压力频次:8 次/日 用时:0.2hr检查杀菌机喷淋管是否正常频次:3 次/日 用时:0.1hr5.检查杀完菌的瓶酒是否有异常频次:10 次/日用时:2 分钟检查验酒人是否按工艺要求进行工作频次:10 次/日用时:2 分钟6.检查贴标机工作是否正常频次:15 次/日用时:0.1hr检查贴标机所贴的标是否合格频次:5-8 次/日用时:0.1hr检查贴标机操作人员是否按工艺要求进行工作频次:5 次/日 用时:0.1hr7.检查装箱机工作是否正常频次:6 次/日 用时:0.1hr检查装箱机所装出来的酒是否有无标频次:6 次/日 用时:0.1hr8.检查塑包机包装出来的成品酒是否合格频次:6 次/日 用时:0.1hr检查外用工是否按工艺要求装车频次:3 次/日 用时:0.20hr职责二职责表述: 与相关部门的联系确认工作时间百分比:5 %工作任务 每天准时与酿造车间联系酒液的灌装频次:1 次/日 用时:0.1hr每天按要求每清酒罐取样并通知化验员频次:3-5 次/日用时:0.5hr与生产联系当天酒液的灌装数量频次:1 次/日 用时:0.1hr职责三职责表述:日常工作工作时间百分比: 5%工作任务负责工作现场 5S 管理频次:1 次/日 用时:0.1hr检查记录填写、取样单填写频次:4 次/日 用时:0.1hr合格单填写频次:2 次/日 用时:0.1hr职责四职责表述:完成上级交办的其他工作工作时间百分比: 5%岗位权限:1.有对包装车间生产情况监督检查的权力,发现质量问题有先停产后汇报的权力,有对违反工艺要求的行为进行纠正和处罚的建议权力,有检查各工序记录填写情况的权力2.有了解与包装车间生产有关的...

1、当您付费下载文档后,您只拥有了使用权限,并不意味着购买了版权,文档只能用于自身使用,不得用于其他商业用途(如 [转卖]进行直接盈利或[编辑后售卖]进行间接盈利)。
2、本站所有内容均由合作方或网友上传,本站不对文档的完整性、权威性及其观点立场正确性做任何保证或承诺!文档内容仅供研究参考,付费前请自行鉴别。
3、如文档内容存在违规,或者侵犯商业秘密、侵犯著作权等,请点击“违规举报”。

碎片内容

包装质检员岗位说明书

确认删除?
VIP
微信客服
  • 扫码咨询
会员Q群
  • 会员专属群点击这里加入QQ群
客服邮箱
回到顶部