电脑桌面
添加小米粒文库到电脑桌面
安装后可以在桌面快捷访问

土方回填工程检验批质量验收记录表

土方回填工程检验批质量验收记录表_第1页
1/40
土方回填工程检验批质量验收记录表_第2页
2/40
土方回填工程检验批质量验收记录表_第3页
3/40
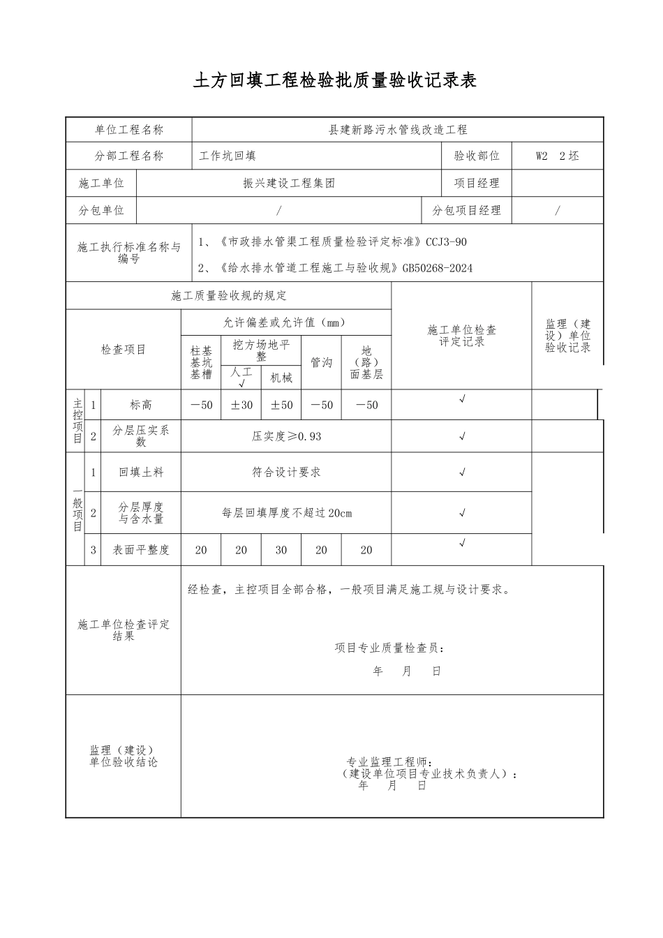
土方回填工程检验批质量验收记录表单位工程名称县建新路污水管线改造工程分部工程名称工作坑回填验收部位W2 1 坯施工单位振兴建设工程集团项目经理分包单位/分包项目经理/施工执行标准名称与编号1、《市政排水管渠工程质量检验评定标准》CCJ3-902、《给水排水管道工程施工与验收规》GB50268-2024施工质量验收规的规定施工单位检查评定记录监理(建设)单位验收记录检查项目允许偏差或允许值(mm)柱基基坑基槽挖方场地平整管沟地(路)面基层人工√机械主控项目1标高-50±30±50-50-50√2分层压实系数压实度≥0.93√一般项目1回填土料符合设计要求√2分层厚度与含水量每层回填厚度不超过 20cm√3表面平整度2020302020√施工单位检查评定结果经检查,主控项目全部合格,一般项目满足施工规与设计要求。项目专业质量检查员: 年 月 日监理(建设)单位验收结论专业监理工程师: (建设单位项目专业技术负责人): 年 月 日土方回填工程检验批质量验收记录表单位工程名称县建新路污水管线改造工程分部工程名称工作坑回填验收部位W2 2 坯施工单位振兴建设工程集团项目经理分包单位/分包项目经理/施工执行标准名称与编号1、《市政排水管渠工程质量检验评定标准》CCJ3-902、《给水排水管道工程施工与验收规》GB50268-2024施工质量验收规的规定施工单位检查评定记录监理(建设)单位验收记录检查项目允许偏差或允许值(mm)柱基基坑基槽挖方场地平整管沟地(路)面基层人工√机械主控项目1标高-50±30±50-50-50√2分层压实系数压实度≥0.93√一般项目1回填土料符合设计要求√2分层厚度与含水量每层回填厚度不超过 20cm√3表面平整度2020302020√施工单位检查评定结果经检查,主控项目全部合格,一般项目满足施工规与设计要求。项目专业质量检查员: 年 月 日监理(建设)单位验收结论专业监理工程师: (建设单位项目专业技术负责人): 年 月 日土方回填工程检验批质量验收记录表单位工程名称县建新路污水管线改造工程分部工程名称工作坑回填验收部位W2 3 坯施工单位振兴建设工程集团项目经理分包单位/分包项目经理/施工执行标准名称与编号1、《市政排水管渠工程质量检验评定标准》CCJ3-902、《给水排水管道工程施工与验收规》GB50268-2024施工质量验收规的规定施工单位检查评定记录监理(建设)单位验收记录检查项目允许偏差或允许值(mm)柱基基坑基槽挖方场地平整管沟地(路)面基层人工√机械主控项目1标高-50±30±50...

1、当您付费下载文档后,您只拥有了使用权限,并不意味着购买了版权,文档只能用于自身使用,不得用于其他商业用途(如 [转卖]进行直接盈利或[编辑后售卖]进行间接盈利)。
2、本站所有内容均由合作方或网友上传,本站不对文档的完整性、权威性及其观点立场正确性做任何保证或承诺!文档内容仅供研究参考,付费前请自行鉴别。
3、如文档内容存在违规,或者侵犯商业秘密、侵犯著作权等,请点击“违规举报”。

碎片内容

土方回填工程检验批质量验收记录表

确认删除?
VIP
微信客服
  • 扫码咨询
会员Q群
  • 会员专属群点击这里加入QQ群
客服邮箱
回到顶部