电脑桌面
添加小米粒文库到电脑桌面
安装后可以在桌面快捷访问

屋顶花园材料吊运工程施工组织设计方案VIP专享

屋顶花园材料吊运工程施工组织设计方案_第1页
1/7
屋顶花园材料吊运工程施工组织设计方案_第2页
2/7
屋顶花园材料吊运工程施工组织设计方案_第3页
3/7
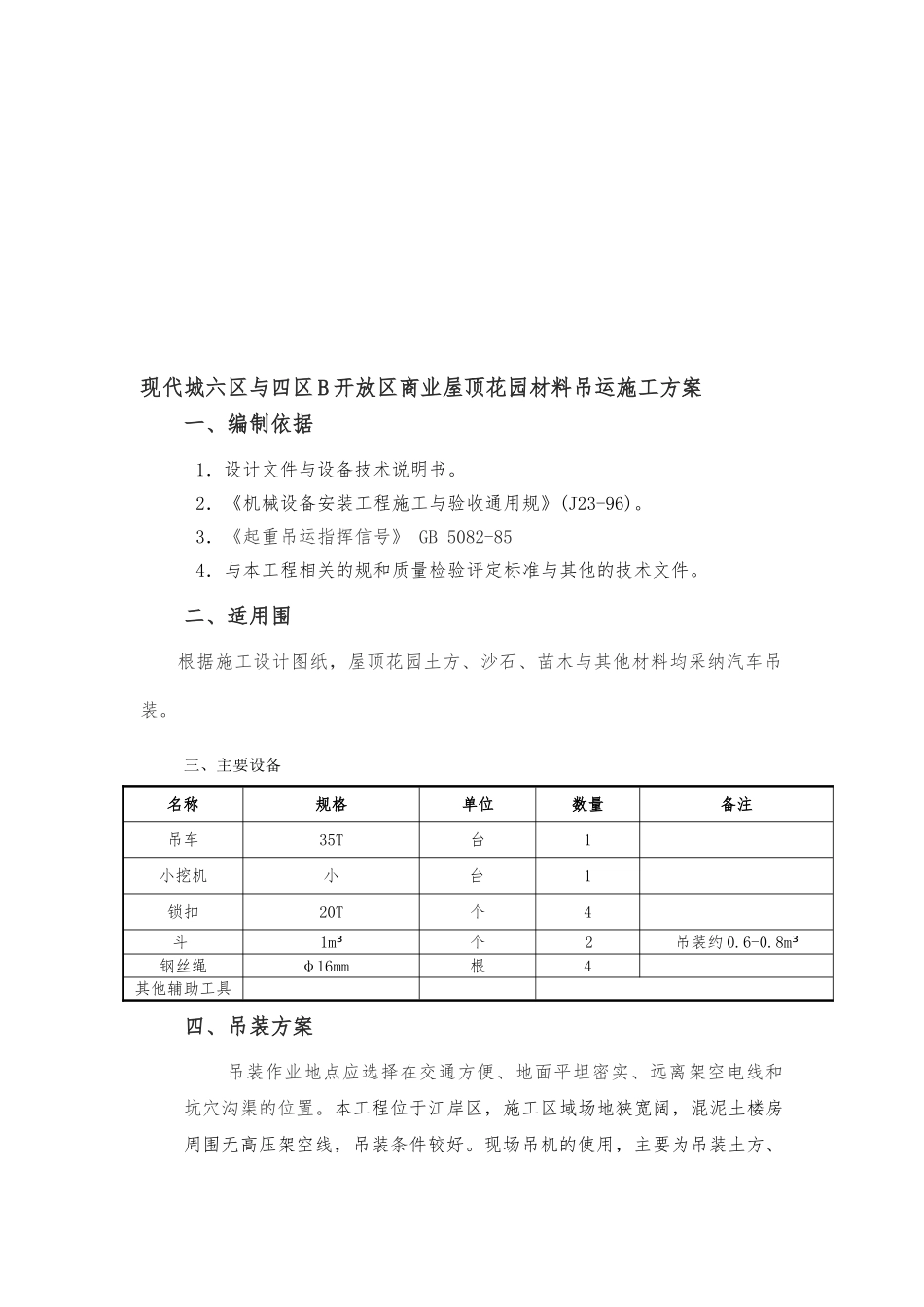
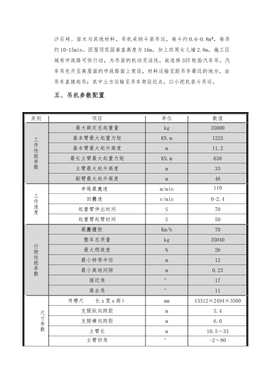
现代城六区与四区 B 开放区商业屋顶花园材料吊运施工方案一、编制依据1.设计文件与设备技术说明书。 2.《机械设备安装工程施工与验收通用规》(J23-96)。3.《起重吊运指挥信号》 GB 5082-854.与本工程相关的规和质量检验评定标准与其他的技术文件。二、适用围根据施工设计图纸,屋顶花园土方、沙石、苗木与其他材料均采纳汽车吊装。三、主要设备名称规格单位数量备注吊车35T台1小挖机小 台1锁扣20T个4 斗1m³个2吊装约 0.6-0.8m³钢丝绳φ16mm根4其他辅助工具四、吊装方案吊装作业地点应选择在交通方便、地面平坦密实、远离架空电线和坑穴沟渠的位置。本工程位于江岸区,施工区域场地狭宽阔,混泥土楼房周围无高压架空线,吊装条件较好。现场吊机的使用,主要为吊装土方、沙石砖、苗木与其他材料,吊机采纳斗装吊运,每斗约 0.6-0.8m³,每吊约 10-15min。因屋顶花园垂直高度为 16m,加上四周女儿墙 2.8m,施工区域有市政路可供行动,为吊装的机动灵活性,故选择 35T 轮胎汽车吊。汽车吊先开至离屋面的市政路面上架设,材料运输至距吊车最近的地方,由吊车直接起吊;其中土方运输至吊车架设近点,以小挖机装斗吊运。 五、吊机参数配置类别项目单位数值工作性能参数最大额定总起重量kg35000基本臂最大起重力矩KN.m1225基本臂最大起升高度m11.2最长主臂最大起重力矩KN.m638主臂最大起升高度m33副臂最大起升高度m48工作速度单绳最大速度m/min110回转速度r/min0-2.4起重臂伸出时间S70起重臂起臂时间S50行驶性能参数最高行驶速度Km/h70整车总质量kg35040最大爬坡度%26最小转弯半径m12最小离地间隙m0.23接近角°17离去角°11尺寸参数外形尺寸(长 x 宽 x 高)mm13312×2494×3500支腿纵向跨距m5.4支腿横向跨距m6.0主臂长m10.5~33主臂仰角°-2~80副臂长m8.5~14.5底盘参数型号-TAZ5363J发动机型号-WP10-290发动机功率/转速Kw/(r/min)213/2200最大扭矩/转速N.m/(r/min)1160/1300-1600六、人员配置 现场共配置 8 个人员,分别如下:地面固定钢丝绳人员 2 个,屋面指挥员兼安全员 1 个,屋面吊斗材料卸载 2 人,地面指挥员兼安全员 1 个,吊车司机 1个,小挖机司机 1 个。七、吊装作业安全控制措施1.坚持起重机械十不吊:⑴ 斜吊不准吊;⑵ 超载不准吊;⑶ 散装物装得太满或捆扎不牢不准吊;⑷ 指挥信号不明不准吊;⑸ 吊物边缘锐利无防护措施不准吊;⑹ 吊物上站人不准吊;⑺ 埋入地下的构件情况不明不准...

1、当您付费下载文档后,您只拥有了使用权限,并不意味着购买了版权,文档只能用于自身使用,不得用于其他商业用途(如 [转卖]进行直接盈利或[编辑后售卖]进行间接盈利)。
2、本站所有内容均由合作方或网友上传,本站不对文档的完整性、权威性及其观点立场正确性做任何保证或承诺!文档内容仅供研究参考,付费前请自行鉴别。
3、如文档内容存在违规,或者侵犯商业秘密、侵犯著作权等,请点击“违规举报”。

碎片内容

屋顶花园材料吊运工程施工组织设计方案

确认删除?
VIP
微信客服
  • 扫码咨询
会员Q群
  • 会员专属群点击这里加入QQ群
客服邮箱
回到顶部