电脑桌面
添加小米粒文库到电脑桌面
安装后可以在桌面快捷访问

工艺管道无损检测方案

工艺管道无损检测方案_第1页
1/6
工艺管道无损检测方案_第2页
2/6
工艺管道无损检测方案_第3页
3/6
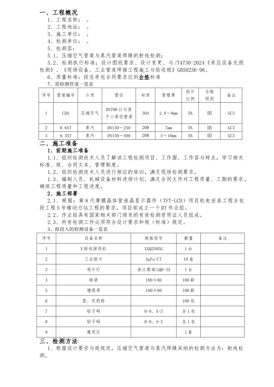
目 录一、工程概况- 1 -二、施工准备- 1 -三、检测方法- 2 -四、检测部位- 2 -五、检测标识- 2 -六、检测时机- 2 -七、无损检测工艺方案- 3 -八、无损检测时的安全措施- 4 -一、工程概况1、工程名称: 。2、工程地址: 。3、施工单位: 。4、检测单位: 。5、检测容:5.1、压缩空气管道与蒸汽管道焊缝的射线检测;5.2、检测执行标准;设计图纸要求、设计变更、与/T4730-2024《承压设备无损检测》、《现场设备、工业管道焊接工程施工与验收规》GB50236-98。6、质量标准:按总承包合同要求达到合格标准7、需检测管道一览表序号管道编号介质管径材质管壁厚拍片比例合格 级别备注1CDA压缩空气DN700 以与若干小管径管道3042.8~8mm5%ⅢGC320.6ST蒸汽DN150~25020#7mm5%ⅢGC330.3ST蒸汽DN150~50020#5~10mm5%ⅢGC3二、施工准备1、前期施工准备1.1、组织检测技术人员了解该工程检测项目、工作围、工作容与特点,学习相关标准、规、合同文本、管理制度。1.2、组织检测技术人员进行相应的培训,满足现场检测要求。1.3、编制人员、机械设备材料进场计划,满足合同文件对工程质量、工期的要求,确保工程质量和工程进度。2、施工部署2.1、根据:第 8 代薄膜晶体管液晶显示器件(TFT-LCD)项目机电安装工程 D 包段工程 5 号楼动力站工程的要求,项目部成立一个 RT 作业组。2.2、作业组具有国家相关部门颁发的有效检测资质证人员组成。2.3、所有检测工作必须符合设计要求和规(标准)规定。3、拟投入的检测设备一览表序号设备名称规格型号数量备注1X 射线探伤机XXQ2505G1 台2工业胶片AgFa-C710 盒3观片灯浙江鹿城 LQD-3A1 台4暗袋180×80100 副5增感屏180×80100 副6显、定药粉100 包7铅子码0-9、A-Z各 1 包8铅子码0-9、A-Z各 1 包9像质仪1 套三、检测方法1、根据设计要求与规规定,压缩空气管道与蒸汽焊缝采纳的检测方法为:射线检测。2、射线检测:采纳定向 XXQ-2505 型探伤机作业,双壁单影外透法透照,一次透照一底片,底片规格 180×80㎜,一次透照长度:L=18㎜;具体的施工工艺可按我公司的射线探伤工艺规程和施工工艺卡执行。3、根据施工图纸设计要求、相关设计变更与(/T4730-2024),依此判定检测项目是否合格。四、检测部位按《检测管道一览表》要求,判定检测项目是否合格。1、无损检测通用规定1.1、每一部位的射线检测长度(每拍片长度)不小于 140mm。1.2、射线检测不合格时,应按该焊工的不合格...

1、当您付费下载文档后,您只拥有了使用权限,并不意味着购买了版权,文档只能用于自身使用,不得用于其他商业用途(如 [转卖]进行直接盈利或[编辑后售卖]进行间接盈利)。
2、本站所有内容均由合作方或网友上传,本站不对文档的完整性、权威性及其观点立场正确性做任何保证或承诺!文档内容仅供研究参考,付费前请自行鉴别。
3、如文档内容存在违规,或者侵犯商业秘密、侵犯著作权等,请点击“违规举报”。

碎片内容

工艺管道无损检测方案

您可能关注的文档

确认删除?
VIP
微信客服
  • 扫码咨询
会员Q群
  • 会员专属群点击这里加入QQ群
客服邮箱
回到顶部