电脑桌面
添加小米粒文库到电脑桌面
安装后可以在桌面快捷访问

幕墙吊篮施工安全监理实施细则

幕墙吊篮施工安全监理实施细则_第1页
1/6
幕墙吊篮施工安全监理实施细则_第2页
2/6
幕墙吊篮施工安全监理实施细则_第3页
3/6
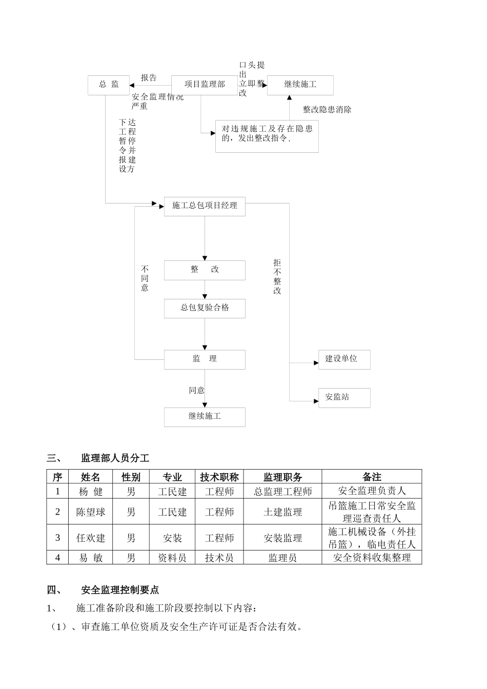
吊篮施工安全监理实施细则一、工程项目概况1、工程项目建设单位:现代安迅投资进展公司2、工程项目名称:现代投资 1,2,3,4,5 栋住宅3、工程项目承建单位:1、2、3 栋为长沙建筑工程有限责任公司;4、5 栋为长沙洞井建筑股份有限公司4、项目建设地点: 位于长沙市天心生态新城,城市主干道芙蓉南路西侧,北与湖南省工商行政管理局毗邻,西接宜春路,交通条件十分便利5、工程项目组成与规模工程名称建筑面积(m²)层 数高 度地下车库7670-11 栋64611+1035.75M2 栋34921+1038.75M3 栋63001+1035.75M4 栋52741+1033.95M5 栋112621+1037.25M6、专业施工特征: 本项目外墙装饰为高弹外墙涂料,使用外挂电动吊篮进行施工作业,系危险性较大的分项工程。吊篮设备的安装与移位安装至始至终在现场进行,安装完成后各方的检查验收是控制施工安全的首要环节,吊篮使用过程中的检查与维护是控制施工安全的关键环节,篮体内施工操作人员的高空作业上岗培训、严格遵守安全操作规程以及个人劳动保护用品的正确使用是控制施工安全的重要环节。由于建筑造型变化较多如:交叉阳台处、屋面檐口、屋面构架、内采光天井等部位施工难度较大,必须督促施工单位做好针对性的安全保证措施。 二、安全监理工作流程1、 申报程序安装维护方日常检查与保养总包方安全员日常检查监控监理方日常巡视监控 每周五下午专项检查(安装方、使用方、总包方、监理方,建设方的责任人联合检查并形成危险源工程台帐,存在问题由相关方责任人跟踪落实)A、开工安全生产条件审查程序: B、施工过程中检查验收程序:安装过程中:安装(或移位安装) 安装方安装作业 安装方自检 检测单位检测 安装方使用方、总包方、监理方、建设方联合检查验收 监理签发投入使用 使用过程中: 2、存在不安全因素、事故苗子、违规与不文明施工现象的处理程序吊篮专项施工方案吊篮安装制造许可证吊篮安装方资质及安全生产许可证及安全生产协议安全生产保证体系的建立安全生产责任制及高空作业人员上岗培训监理审查建设单位审查安监站审查监理签发开工令拒不整改口头提出立即整改同意安全监理情况严重不同意下 达工 程暂 停令 并报 建设方报告总 监项目监理部继续施工施工总包项目经理整 改总包复验合格监 理继续施工建设单位整改隐患消除对违规施工及存在隐患的,发出整改指令 ,安监站三、监理部人员分工序姓名性别专业技术职称监理职务备注1杨 健男工民建工程师总监理工程...

1、当您付费下载文档后,您只拥有了使用权限,并不意味着购买了版权,文档只能用于自身使用,不得用于其他商业用途(如 [转卖]进行直接盈利或[编辑后售卖]进行间接盈利)。
2、本站所有内容均由合作方或网友上传,本站不对文档的完整性、权威性及其观点立场正确性做任何保证或承诺!文档内容仅供研究参考,付费前请自行鉴别。
3、如文档内容存在违规,或者侵犯商业秘密、侵犯著作权等,请点击“违规举报”。

碎片内容

幕墙吊篮施工安全监理实施细则

确认删除?
VIP
微信客服
  • 扫码咨询
会员Q群
  • 会员专属群点击这里加入QQ群
客服邮箱
回到顶部