电脑桌面
添加小米粒文库到电脑桌面
安装后可以在桌面快捷访问

建筑安装工程施工质量检查验收记录交工资料表格模板

建筑安装工程施工质量检查验收记录交工资料表格模板_第1页
1/88
建筑安装工程施工质量检查验收记录交工资料表格模板_第2页
2/88
建筑安装工程施工质量检查验收记录交工资料表格模板_第3页
3/88
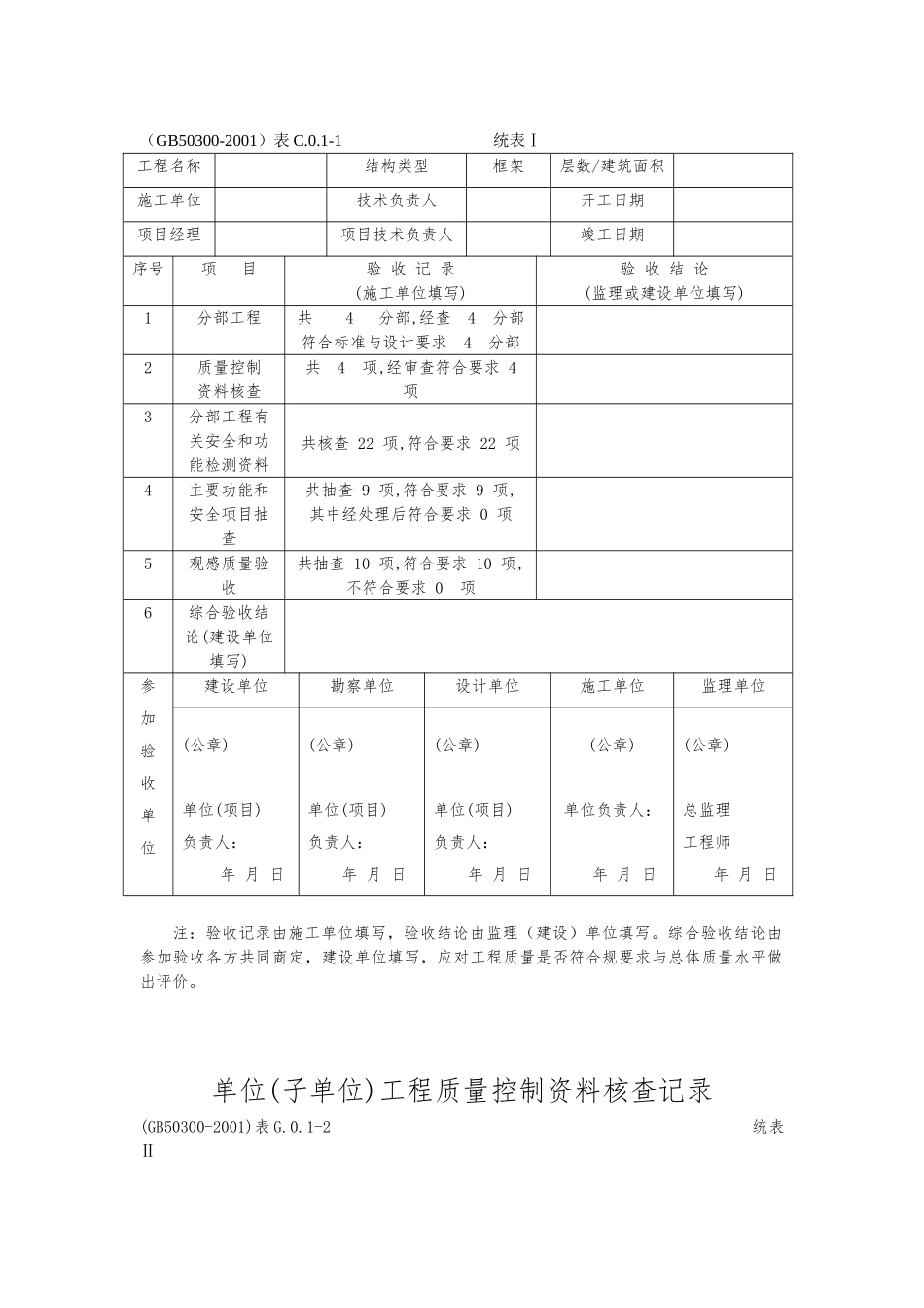
施工现场质量管理检查记录(GB50300-2001)表 A.0.1 开工日期:工程名称施 工 许 可 证 号建设单位项目负责人设计单位项目负责人监理单位总监理工程师施工单位项目经理项目技术负责人序号项 目主 要 容1现场质量管理制度2质量责任制3主要专业工种操作上岗证书4分包方资质与对分包单位的管理制度5施工图审查情况6地质勘察资料7施工组织设计、施工方案与审批8施工技术标准9工程质量检验制度10搅拌站与计量设置11现场材料、设备存放与管理13检查结论:总监理工程师:(建设单位项目负责人) 年 月 日单位(子单位)工程质量竣工验收记录(GB50300-2001)表 C.0.1-1 统表Ⅰ工程名称结构类型框架层数/建筑面积施工单位技术负责人开工日期项目经理项目技术负责人竣工日期序号项 目验 收 记 录(施工单位填写)验 收 结 论(监理或建设单位填写)1分部工程共 4 分部,经查 4 分部符合标准与设计要求 4 分部2质量控制资料核查共 4 项,经审查符合要求 4 项3分部工程有关安全和功能检测资料共核查 22 项,符合要求 22 项4主要功能和安全项目抽查共抽查 9 项,符合要求 9 项,其中经处理后符合要求 0 项5观感质量验收共抽查 10 项,符合要求 10 项,不符合要求 0 项6综合验收结论(建设单位填写)参加验收单位建设单位勘察单位设计单位施工单位监理单位(公章)单位(项目)负责人: 年 月 日(公章)单位(项目)负责人: 年 月 日(公章)单位(项目)负责人: 年 月 日(公章)单位负责人: 年 月 日(公章)总监理工程师 年 月 日注:验收记录由施工单位填写,验收结论由监理(建设)单位填写。综合验收结论由参加验收各方共同商定,建设单位填写,应对工程质量是否符合规要求与总体质量水平做出评价。单位(子单位)工程质量控制资料核查记录(GB50300-2001)表 G.0.1-2 统表Ⅱ工程名称施工单位序号项目资 料 名 称 份数施工单位监理(建设)单位核查意见核查人核查意见核查人1建筑与结构图纸会审、设计变更记录2工程定位测量、放线记录3原材料出厂合格证书与进场检(试)验报告4施工试验报告与见证检测报告5隐蔽工程验收记录6施工记录7预制构件、预拌混凝土合格证8地基基础、主体结构检验与抽样检测资料9分项、分部工程质量验收记录10工程质量事故与事故调查处理资料11新材料、新工艺施工记录1给排水与采暖图纸会审、设计变更记录8完 整×××2材料、配件出厂合格证书与进场检(试)验报告58//3管道、设备强度试验、...

1、当您付费下载文档后,您只拥有了使用权限,并不意味着购买了版权,文档只能用于自身使用,不得用于其他商业用途(如 [转卖]进行直接盈利或[编辑后售卖]进行间接盈利)。
2、本站所有内容均由合作方或网友上传,本站不对文档的完整性、权威性及其观点立场正确性做任何保证或承诺!文档内容仅供研究参考,付费前请自行鉴别。
3、如文档内容存在违规,或者侵犯商业秘密、侵犯著作权等,请点击“违规举报”。

碎片内容

建筑安装工程施工质量检查验收记录交工资料表格模板

您可能关注的文档

确认删除?
VIP
微信客服
  • 扫码咨询
会员Q群
  • 会员专属群点击这里加入QQ群
客服邮箱
回到顶部