电脑桌面
添加小米粒文库到电脑桌面
安装后可以在桌面快捷访问

建筑材料标准第二部

建筑材料标准第二部_第1页
1/108
建筑材料标准第二部_第2页
2/108
建筑材料标准第二部_第3页
3/108
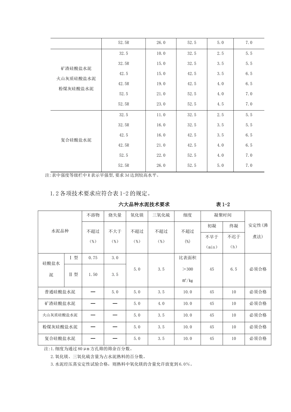
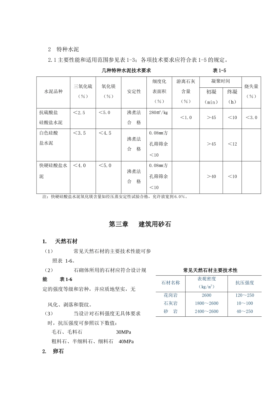
第二部分 进场材料验收标准第一章 总则材料进场时,要进行材料质量和数量的验收,主要如下:1 验收材料出厂合格证、材质单、化验报告和其它有关证明单或化验单;2 对材料进行外观检查;3 对材料进行数量验收。第二章 水泥水泥进场验收:水泥进场时应对其品种、级别、包装或散装仓号、出厂日期等进行检查,检查水泥出厂合格证,并应对其强度、安定性及其他必要的性能指标进行复验,其质量必须符合现行国家标准《硅酸盐水泥、普通硅酸盐水泥》GB175 等的规定。 1 常用水泥1.1 各龄期强度不得低于表 1-1 的规定数值。 六大品种水泥不同强度等级各龄期强度值 表 1-1 品 种强度等级抗压强度(Mpa)抗折强度(MPa)3d28d3d28d硅酸盐水泥 42.542.5R52.552.5R62.562.5R17.022.023.027.028.032.042.542.552.552.562.562.53.54.04.05.05.05.56.56.57.07.08.08.0普通硅酸盐水泥32.532.5R42.542.5R52.511.016.016.021.022.032.532.542.542.552.52.53.53.54.04.05.55.56.56.57.052.5R26.052.55.07.0矿渣硅酸盐水泥火山灰质硅酸盐水泥粉煤灰硅酸盐水泥32.532.5R42.542.5R52.552.5R10.015.015.019.021.023.032.532.542.542.552.552.52.53.53.54.04.04.55.55.56.56.57.07.0复合硅酸盐水泥32.532.5R42.542.5R52.552.5R11.016.016.021.022.026.032.532.542.542.552.552.52.53.53.54.04.05.05.55.56.56.57.07.0 注:表中强度等级栏中 R 表示早强型,要求 3d 达到较高水平。 1.2 各项技术要求应符合表 1-2 的规定。 六大品种水泥技术要求 表 1-2水泥品种不溶物烧失量氧化镁三氧化硫细度凝聚时间安定性(沸煮法)不超过(%)不大于(%)不超过(%)不超过(%)不超过(%)初凝终凝不早于(min)不迟于(h)硅酸盐水泥Ⅰ 型0.753.05.03.5比表面积>300㎡/㎏456.5必须合格Ⅱ 型1.503.5普通硅酸盐水泥-5.05.03.510.04510必须合格矿渣硅酸盐水泥--5.04.010.04510必须合格火山灰质硅酸盐水泥--5.03.510.04510必须合格粉煤灰硅酸盐水泥--5.03.510.04510必须合格复合硅酸盐水泥--5.03.510.04510必须合格注:1.细度为通过 80μm 方孔筛的筛余百分数。 2.氧化镁、三氧化硫含量为占水泥熟料的百分数。 3.水泥经压蒸安定性试验合格,则熟料中氧化镁的含量允许放宽到 6.0%。2 特种水泥2.1 主要性能和适用范围参见表 1-3;各项技术要求应符合表 1-5 的规定。 几种特种水泥技术要求 表 1-5水泥品种三氧化硫(%)氧化镁(%)安定性细...

1、当您付费下载文档后,您只拥有了使用权限,并不意味着购买了版权,文档只能用于自身使用,不得用于其他商业用途(如 [转卖]进行直接盈利或[编辑后售卖]进行间接盈利)。
2、本站所有内容均由合作方或网友上传,本站不对文档的完整性、权威性及其观点立场正确性做任何保证或承诺!文档内容仅供研究参考,付费前请自行鉴别。
3、如文档内容存在违规,或者侵犯商业秘密、侵犯著作权等,请点击“违规举报”。

碎片内容

建筑材料标准第二部

确认删除?
VIP
微信客服
  • 扫码咨询
会员Q群
  • 会员专属群点击这里加入QQ群
客服邮箱
回到顶部