电脑桌面
添加小米粒文库到电脑桌面
安装后可以在桌面快捷访问

建筑电气技术交底VIP专享

建筑电气技术交底_第1页
1/5
建筑电气技术交底_第2页
2/5
建筑电气技术交底_第3页
3/5
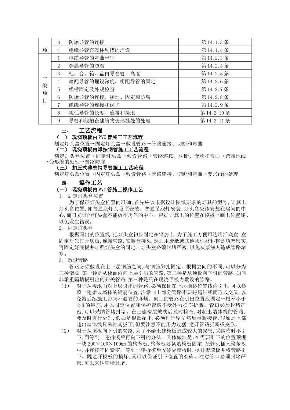
一、施工准备(一)现浇顶板内 PVC 管施工准备1、 作业条件(1)土建完成顶板、梁支模;(2)梁钢筋绑扎完毕;(3)现浇板底层钢筋绑扎完毕,上层钢筋绑扎前。2、 材料要求(1)PVC 管的材质必须合格,氧指数≥27%,设计有特别要求时必须符合设计要求。进场材料必须有出厂合格证,以及有效的氧指数检测报告;(2)外观检查管材内外壁光滑,无凸梭凹陷、气泡等缺陷;(3)用卡尺测量内外径必须符合国家标准,管壁厚度均匀一致;(4)各种附件如灯头盒、开关插座盒、管接头、盒接头、粘合剂等必须使用配套的阻燃制品,同时应有出厂合格证、“CCC”认证标志和认证证书复印件。3、 主要机具铅笔、钢卷尺、手锤、錾子、钢锯、锯条、半圆锉、弯管弹簧、剪管器、热风机、电炉子、工具袋、电工常用工具等。(二)现浇顶板内焊接钢管施工准备1、 作业条件(1)土建完成顶板、梁支模;(2)梁钢筋绑扎完毕;(3)现浇板底层钢筋绑扎完毕,上层钢筋绑扎前。2、 材料要求(1)钢管的材质必须合格,有出厂合格证,设计有特别要求时还必须符合设计要求;(2)外观检查钢管壁厚均匀、焊缝均匀,无劈裂、毛刺砂眼、棱刺和凹扁等缺陷;(3)锁紧螺母外形完好、丝扣清楚,无翘曲、变形等缺陷;(4)铁制灯头盒、开关盒等的金属板厚度必须符合国标或华北标准图集的要求。3、 主要机具铅笔、钢卷尺、手锤、錾子、钢锯、锯条、半圆锉、圆锉、扁锉、手动弯管器 、液压弯管器、压力案子、套丝扳、套丝机、工具袋、电工常用工具等。(三)扣压式薄壁钢导管施工准备1、 作业条件(1)土建完成顶板、梁支模;(2)梁钢筋绑扎完毕;(3)现浇板底层钢筋绑扎完毕,上层钢筋绑扎前。2、 材料要求(1)外观检查钢管壁厚均匀、焊缝均匀、无劈裂、毛刺砂眼、棱刺和凹扁等缺陷;(2)螺纹管接头、直管接头、弯管接头外形完好、丝扣清楚。无翘曲变形等缺陷;(3)铁制灯头盒、开关盒等的金属板厚度必须符合厂家提供的技术指标要求。3、 施工器具铅笔、钢卷尺、手锤、錾子、钢锯、锯条、半圆锉、圆锉、扁锉、专用弯管器 、扣压器、压力案子、工具袋、电工常用工具等。二、质量要求质量要求符合《建筑电气工程施工质量验收法律规范》(GB50303-2024)的规定。项序项 目允许偏差或允许值主控1金属导管、金属线槽的接地或接零第 14.1.1 条2金属导管的连接第 14.1.2 条项3防爆导管的连接第 14.1.3 条4绝缘导管在砌体剔槽的埋设第 14.1.4 条一般项目1电缆导管的弯曲半径第 14.2.3 ...

1、当您付费下载文档后,您只拥有了使用权限,并不意味着购买了版权,文档只能用于自身使用,不得用于其他商业用途(如 [转卖]进行直接盈利或[编辑后售卖]进行间接盈利)。
2、本站所有内容均由合作方或网友上传,本站不对文档的完整性、权威性及其观点立场正确性做任何保证或承诺!文档内容仅供研究参考,付费前请自行鉴别。
3、如文档内容存在违规,或者侵犯商业秘密、侵犯著作权等,请点击“违规举报”。

碎片内容

建筑电气技术交底

确认删除?
VIP
微信客服
  • 扫码咨询
会员Q群
  • 会员专属群点击这里加入QQ群
客服邮箱
回到顶部