电脑桌面
添加小米粒文库到电脑桌面
安装后可以在桌面快捷访问

建议批准的计量认证授权验收项目及限制范围

建议批准的计量认证授权验收项目及限制范围_第1页
1/7
建议批准的计量认证授权验收项目及限制范围_第2页
2/7
建议批准的计量认证授权验收项目及限制范围_第3页
3/7
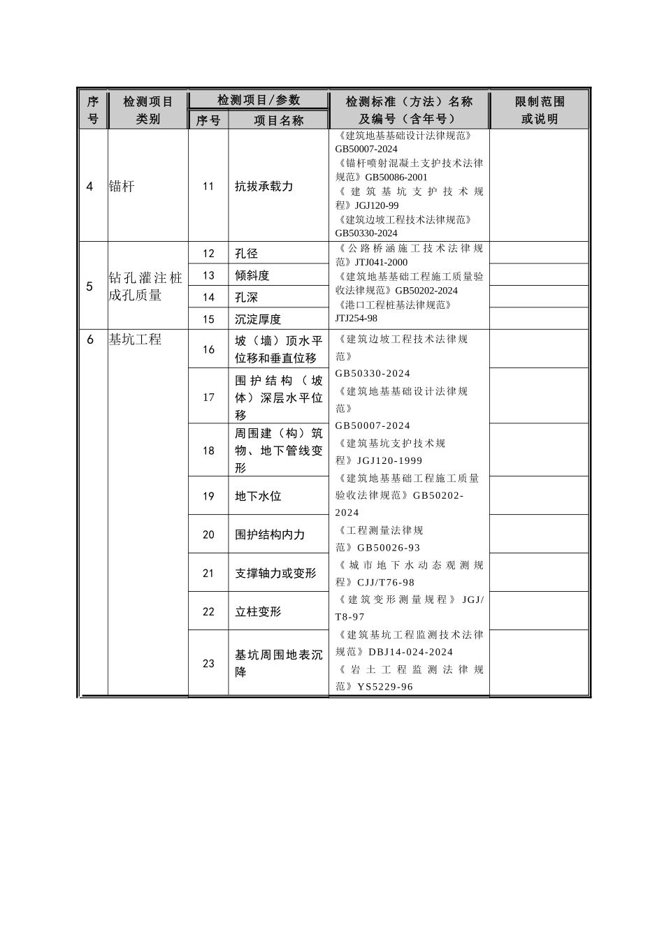
地址(多场所的分别填写): 序号检测项目类别检测项目/参数检测标准(方法)名称及编号(含年号)限制范围或说明序号项目名称一地基基础1基桩1竖向抗压承载力《建筑基桩检测技术法律规范》JGJ106-2024《建筑地基基础设计法律规范》GB50007-2024《建筑桩基技术法律规范》JGJ94-94《港口工程桩基法律规范》JTJ254-98仅做慢速维持荷载法(最大加载)、高应变(实测曲线拟合)法2竖向抗拔承载力《建筑基桩检测技术法律规范》JGJ106-2024《建筑桩基技术法律规范》JGJ94-943水平承载力《建筑基桩检测技术法律规范》JGJ106-2024《建筑桩基技术法律规范》JGJ94-94《港口工程桩基法律规范》JTJ254-984桩身完整性《 建 筑 基 桩 检 测 技 术 法 律 规范》JGJ106-2024《 铁 路 工 程 基 桩 无 损 检 测 规程》TB10218-99《 公 路 工 程 基 桩 动 测 技 术 规程》JTG/T F81-01-2024《 港 口 工 程 桩 基 动 力 检 测 规程》JTJ249-2001仅做低应变法、高应变法、声波透射法、钻芯法5桩长《建筑基桩检测技术法律规范》JGJ106-2024《铁路工程结构混凝土强度检测法律规范》TB10426-2024《 水 运 工 程 混 凝 土 试 验 规程》JTJ270-98仅做钻芯法6桩身混凝土强度7桩底沉渣厚度8桩端持力层岩土性状2地基土9承载力《建筑地基基础设计法律规范》GB50007-2024《高层建筑岩土工程勘察规程》JGJ72-2024仅 做 浅 层 平 板 试验 、 深 层 平 板 试验、岩基载荷试验3复合地基10承载力《 建 筑 地 基 处 理 技 术 法 律 规范》JGJ79-2024序号检测项目类别检测项目/参数检测标准(方法)名称及编号(含年号)限制范围或说明序号项目名称4锚杆11抗拔承载力《建筑地基基础设计法律规范》GB50007-2024《锚杆喷射混凝土支护技术法律规范》GB50086-2001《 建 筑 基 坑 支 护 技 术 规程》JGJ120-99《建筑边坡工程技术法律规范》GB50330-20245钻孔灌注桩成孔质量12孔径《 公 路 桥 涵 施 工 技 术 法 律 规范》JTJ041-2000《建筑地基基础工程施工质量验收法律规范》GB50202-2024《港口工程桩基法律规范》JTJ254-9813倾斜度14孔深15沉淀厚度6基坑工程16坡(墙)顶水平位移和垂直位移《建筑边坡工程技术法律规范》GB50330-2024《建筑地基基础设计法律规范》GB50007-2024《建筑基坑支护技术规程》JGJ120-1999《建筑地基基础工程施工质量验收法律规范》GB50202-2024《工程测量法律规...

1、当您付费下载文档后,您只拥有了使用权限,并不意味着购买了版权,文档只能用于自身使用,不得用于其他商业用途(如 [转卖]进行直接盈利或[编辑后售卖]进行间接盈利)。
2、本站所有内容均由合作方或网友上传,本站不对文档的完整性、权威性及其观点立场正确性做任何保证或承诺!文档内容仅供研究参考,付费前请自行鉴别。
3、如文档内容存在违规,或者侵犯商业秘密、侵犯著作权等,请点击“违规举报”。

碎片内容

建议批准的计量认证授权验收项目及限制范围

您可能关注的文档

确认删除?
VIP
微信客服
  • 扫码咨询
会员Q群
  • 会员专属群点击这里加入QQ群
客服邮箱
回到顶部