电脑桌面
添加小米粒文库到电脑桌面
安装后可以在桌面快捷访问

建设工程公司质量检查记录表

建设工程公司质量检查记录表_第1页
1/15
建设工程公司质量检查记录表_第2页
2/15
建设工程公司质量检查记录表_第3页
3/15
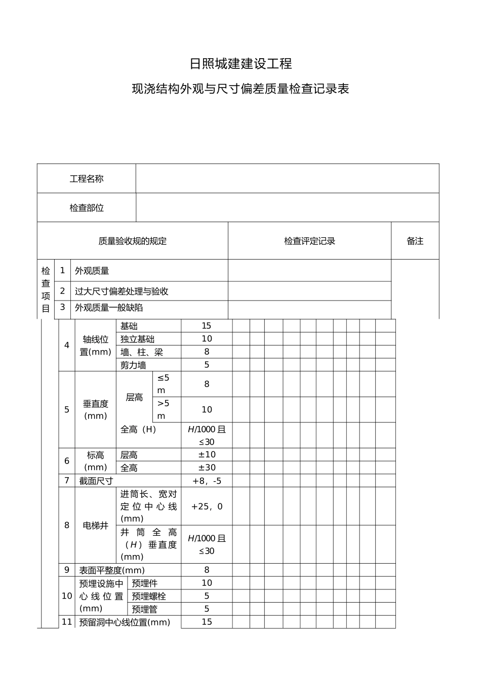
建设工程公司质量检查记录表----------------------- -----------------------日期:日照城建建设工程现浇结构外观与尺寸偏差质量检查记录表工程名称检查部位质量验收规的规定检查评定记录备注检查项目1外观质量2过大尺寸偏差处理与验收3外观质量一般缺陷4轴线位置(mm)基础15独立基础10墙、柱、梁8剪力墙55垂直度(mm)层高≤5m8>5m10全高(H)H/1000 且≤306标高(mm)层高±10全高±307截面尺寸+8,-58电梯井进筒长、宽对定 位 中 心 线(mm)+25,0井筒全高( H ) 垂 直 度(mm)H/1000 且≤309表面平整度(mm)810预埋设施中心 线 位 置(mm)预埋件10预埋螺栓5预埋管511预留洞中心线位置(mm)15检查评定结果日照城建建设工程模板安装工程质量检查记录表工程名称检查部位质量验收规的规定检查评定记录备注检查项目1模板支撑、立柱位置和垫板2避开隔离剂沾污3模板安装的一般要求4用作模板地坪、胎膜质量5模板起拱高度6预 埋件 、预 留孔 允许 偏差预埋钢板中心线位置(mm)3预埋管、预留孔中心线位置(mm)3插筋中 心 线 位 置(mm)5外露长度(mm)+10,0预埋螺栓中 心 线 位 置(mm)2外露长度(mm)+10,0预留洞中 心 线 位 置(mm)10尺寸(mm)+10,07模 板轴线位置(mm)5安 装允 许偏差底模上表面标高(mm)±5截 面 部 尺 寸(mm)基础±10柱 、 墙 、梁+4,-5层 高 垂 直 度(mm)不大于 5m6大于 5m8相邻两板表面高低差(mm)2表面平整度(mm)5检查评定结果日照城建建设工程钢筋安装工程质量检查记录表工程名称检查部位质量验收规的规定检查评定记录备注检查项目1纵向受力钢筋的连接方式2机械连接和焊接接头的力学性能3受力钢筋的品种、级别、规格和数量4接头位置和数量5机械连接、焊接的外观质量6机械连接、焊接的接头面积百分率7绑扎搭接接头面积百分率和搭接长度8搭接长度围的箍筋9钢筋安装允许偏差绑扎钢筋网长、宽(mm)±10网眼尺寸(mm)±20绑扎钢筋骨架长(mm)±10宽、高(mm)±5受力钢筋间距(mm)±10排距(mm)±5保护层厚度(mm)基础±10柱、梁±5板、墙、壳±3绑扎箍筋、横向钢筋间距(mm)±20钢筋弯起点位置(mm)20预埋件中心线位置(mm)水平高差(mm)检查评定结果日照城建建设工程砌体工程质量检查记录表工程名称检查部位质量验收规的规定检查评定记录备注1块材强度等级2砂浆强度等级检查项目3无混砌现象4拉结钢筋网片位置5错缝搭砌6灰缝厚度、宽度7梁底砌法8水平灰缝砂浆饱...

1、当您付费下载文档后,您只拥有了使用权限,并不意味着购买了版权,文档只能用于自身使用,不得用于其他商业用途(如 [转卖]进行直接盈利或[编辑后售卖]进行间接盈利)。
2、本站所有内容均由合作方或网友上传,本站不对文档的完整性、权威性及其观点立场正确性做任何保证或承诺!文档内容仅供研究参考,付费前请自行鉴别。
3、如文档内容存在违规,或者侵犯商业秘密、侵犯著作权等,请点击“违规举报”。

碎片内容

建设工程公司质量检查记录表

元素商铺+ 关注
实名认证
内容提供者

欢迎挑选合适的文档

确认删除?
VIP
微信客服
  • 扫码咨询
会员Q群
  • 会员专属群点击这里加入QQ群
客服邮箱
回到顶部