电脑桌面
添加小米粒文库到电脑桌面
安装后可以在桌面快捷访问

数控专业毕业论文(浅谈工艺比较与数控发展趋势)

数控专业毕业论文(浅谈工艺比较与数控发展趋势)_第1页
1/14
数控专业毕业论文(浅谈工艺比较与数控发展趋势)_第2页
2/14
数控专业毕业论文(浅谈工艺比较与数控发展趋势)_第3页
3/14
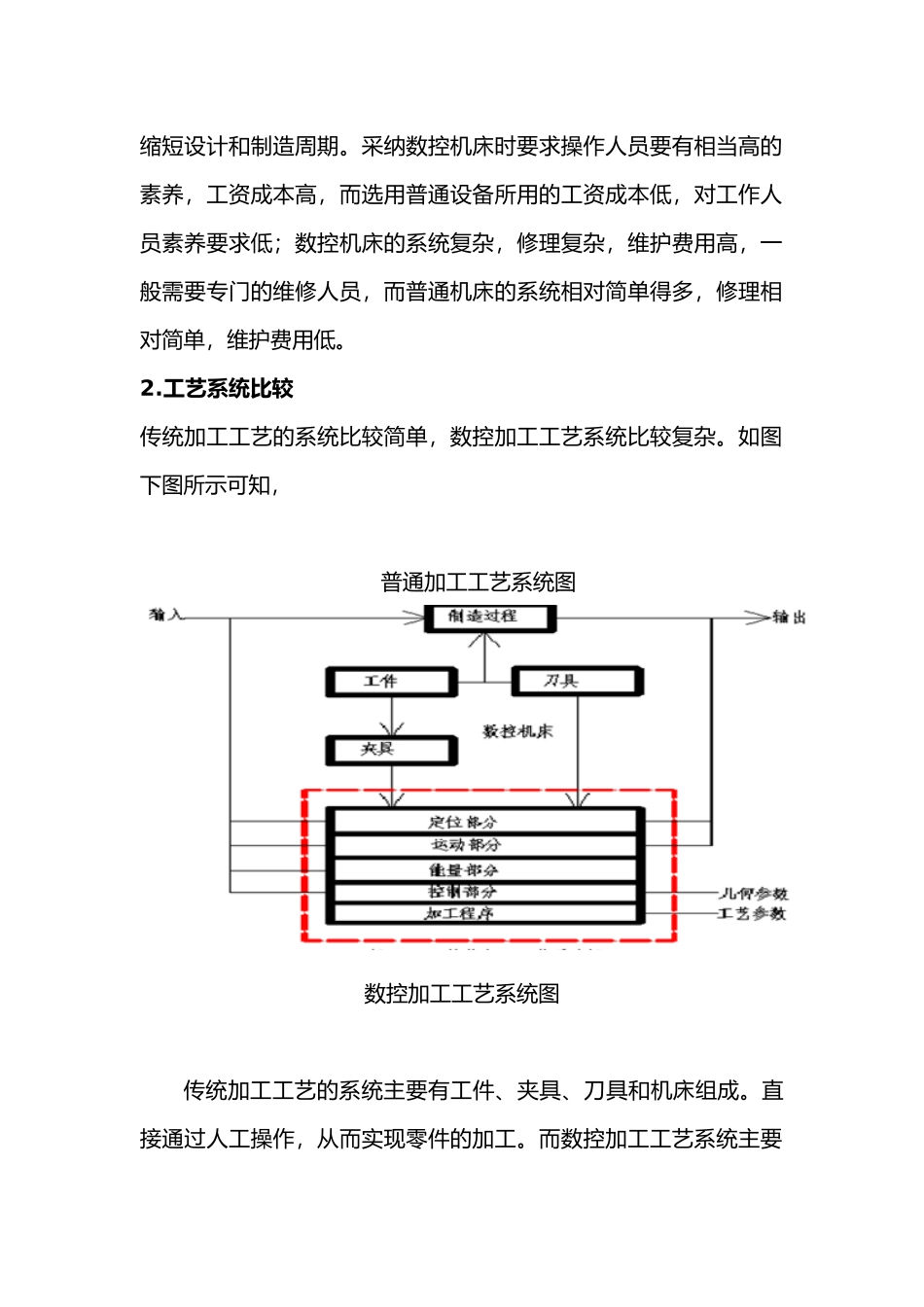
数控专业毕业论文——浅谈工艺比较与数控技术进展趋势专 业:班 级:学 号:学生:_ 指导老师:__ 2011 年 04 月 06 日一、数控加工工艺与传统加工工艺比较数控加工工艺问题的处理与普通加工工艺基本一样,在设计零件的数控加工工艺时,首先要遵循普通加工工艺的基本原则和方法,同时还必须考虑数控加工本身的特点和零件编程要求。数控加工工艺通过装夹一次就可以加工出合格的零件,减少了多次装夹带来的误差,数控机床的加工精度高,加工效率高,质量稳定。下面通过以下几点进行比较:1.设备比较数控机床的应用随着数控技术的进展越来越广泛,不同的数控装置,不同的机床设备,其应用围各不一样。专用机床的生产批量大,复杂程度相对简单;普通机床的生产批量小,复杂程度简单;数控机床适用于小批量生产,复杂程度较高,用如下图所示进行比较。数控机床采纳全封闭或半封闭防护装置,防止了切屑或切削液飞出给操作者带来意外损害而普通机床没有具备这种功能;数控车床大都采纳斜床身结构布局,排屑方便,便于采纳自动排屑机;数控机床的主轴转速高,工件装夹安全可靠;数控车床大都采纳了液压卡盘,夹紧力调整方便可靠,同时也降低了操作工人的劳动强度;数控机床采纳自动回转刀架,在加工过程中可自动换刀,能连续完成多道工序的加工。由于费用高昂,数控机床加工大批量零件不利,一般加工大批量零件时采纳专用机床和专用夹具,专用机床一般采纳多轴、多刀、多工序、多面或多工位同时加工的方式,生产效率比通用机床高几倍至几十倍。由于通用部件已经标准化和系列化,可根据需要灵活配置,能缩短设计和制造周期。采纳数控机床时要求操作人员要有相当高的素养,工资成本高,而选用普通设备所用的工资成本低,对工作人员素养要求低;数控机床的系统复杂,修理复杂,维护费用高,一般需要专门的维修人员,而普通机床的系统相对简单得多,修理相对简单,维护费用低。2.工艺系统比较传统加工工艺的系统比较简单,数控加工工艺系统比较复杂。如图下图所示可知,普通加工工艺系统图数控加工工艺系统图传统加工工艺的系统主要有工件、夹具、刀具和机床组成。直接通过人工操作,从而实现零件的加工。而数控加工工艺系统主要由工件、刀具、夹具、定位部分、运动部分、能量部分、控制部分、加工程序等部分组成,通过数控系统把从外部输入的几何信息和工艺信息转变为数控能识别的数字信息,即将刀具与工件的相对运动轨迹、加工过程中主轴转速和进给...

1、当您付费下载文档后,您只拥有了使用权限,并不意味着购买了版权,文档只能用于自身使用,不得用于其他商业用途(如 [转卖]进行直接盈利或[编辑后售卖]进行间接盈利)。
2、本站所有内容均由合作方或网友上传,本站不对文档的完整性、权威性及其观点立场正确性做任何保证或承诺!文档内容仅供研究参考,付费前请自行鉴别。
3、如文档内容存在违规,或者侵犯商业秘密、侵犯著作权等,请点击“违规举报”。

碎片内容

数控专业毕业论文(浅谈工艺比较与数控发展趋势)

您可能关注的文档

确认删除?
VIP
微信客服
  • 扫码咨询
会员Q群
  • 会员专属群点击这里加入QQ群
客服邮箱
回到顶部