电脑桌面
添加小米粒文库到电脑桌面
安装后可以在桌面快捷访问

施工作业风险现场复测单

施工作业风险现场复测单_第1页
1/16
施工作业风险现场复测单_第2页
2/16
施工作业风险现场复测单_第3页
3/16
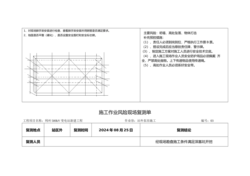
施工作业风险现场复测单工程项目名称:利州 500kV 变电站新建工程 作业容:事故油池施工 编号:01复测地点220kV 场区复测时间2024 年 07 月 21 日复测结论复测人员经现场勘查施工条件满足深基坑开挖现场容(画简易图或插入照片)1、场区为坚硬岩石土。 2、运输道路畅通、路况良好。现场主要安全风险与补充预控措施 3、周边环境开阔,隔离措施完善,便于施工。 主要风险:坍塌、高处坠落、物体打击、机械损害 补充预控措施:(1)弃土堆高≤1.5 米。(2)一般土质条件下弃土堆底至基坑顶边距离≥1.2 米。(3)垂直坑壁边坡条件下弃土堆底至基坑顶边距离≥3 米。(4)软土场地的基坑边则不应在基坑边堆土。(5)坑边如需堆放材料机械,必须经计算确定放坡系数必要时实行支护措施。(6)挖土区域设警戒线,各种机械、车辆严禁在开挖的基础边缘 2m 行驶、停放。施工作业风险现场复测单工程项目名称:利州 500kV 变电站新建工程 作业容:防火墙脚手架搭设 编号:02复测地点主变压器场区复测时间2024 年 08 月 16 日复测结论复测人员经现场勘测现场满足脚手架搭设要求现场容(画简易图或插入照片)现场主要安全风险与补充预控措施1、对现场脚手架安装进行检查,查看脚手架安装所用钢管是否满足要求。2、地面是否平整(硬化)、是否设置安全围栏和安全标志牌。 主要风险:坍塌、高处坠落、物体打击 补充预控措施:(1)、责任人必须到岗到位,严格执行工作票 B 票。 (2)、搭设完成后应当悬挂责任牌,警示牌。 (3)、制定施工方案对施工人员进行安全技术交底。(4)、进入施工现场作业人员安全防护用品必须佩戴 齐全,严禁高处抛物。上下传递物品使用传递绳。 (5)、高处作业人员必须系好安全带。施工作业风险现场复测单工程项目名称:利州 500kV 变电站新建工程 作业容:站外泵房施工 编号:03复测地点站区外复测时间2024 年 08 月 25 日复测结论复测人员经现场勘查施工条件满足深基坑开挖现场容(画简易图或插入照片)1、 场区为坚硬岩石土。 2、运输道路畅通、路况良好。 3、周边环境开阔,隔离措施完善,便于施工。6.94m 4.7m4m现场主要安全风险与补充预控措施 主要风险:坍塌、高处坠落、物体打击、机械损害 补充预控措施:(1)弃土堆高≤1.5 米。(2)一般土质条件下弃土堆底至基坑顶边距离≥1.2 米。(3)垂直坑壁边坡条件下弃土堆底至基坑顶边距离≥3 米。(4)软土场地的基坑边则不应...

1、当您付费下载文档后,您只拥有了使用权限,并不意味着购买了版权,文档只能用于自身使用,不得用于其他商业用途(如 [转卖]进行直接盈利或[编辑后售卖]进行间接盈利)。
2、本站所有内容均由合作方或网友上传,本站不对文档的完整性、权威性及其观点立场正确性做任何保证或承诺!文档内容仅供研究参考,付费前请自行鉴别。
3、如文档内容存在违规,或者侵犯商业秘密、侵犯著作权等,请点击“违规举报”。

碎片内容

施工作业风险现场复测单

您可能关注的文档

确认删除?
VIP
微信客服
  • 扫码咨询
会员Q群
  • 会员专属群点击这里加入QQ群
客服邮箱
回到顶部