电脑桌面
添加小米粒文库到电脑桌面
安装后可以在桌面快捷访问

木脚手架搭设方案

木脚手架搭设方案_第1页
1/6
木脚手架搭设方案_第2页
2/6
木脚手架搭设方案_第3页
3/6
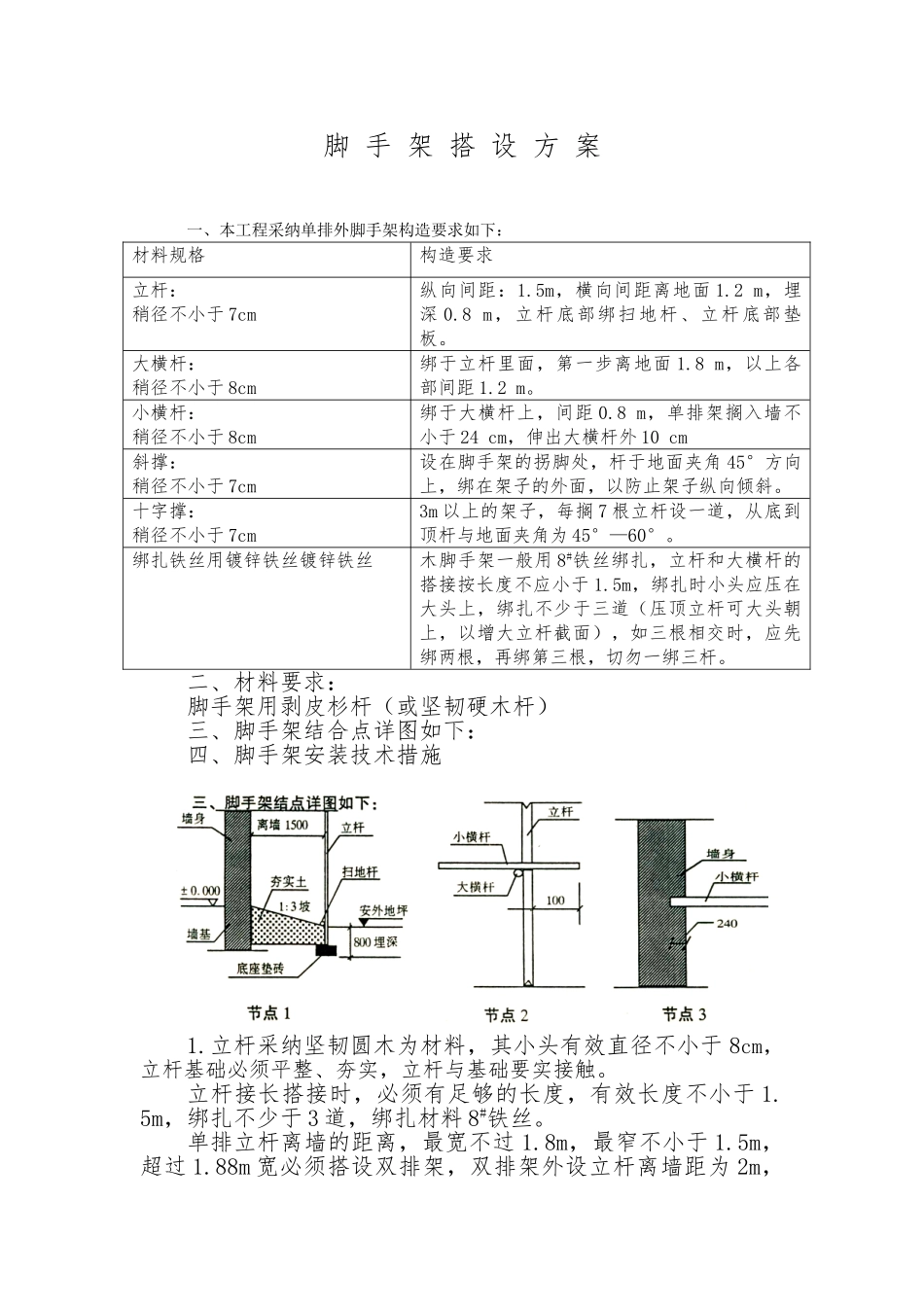
脚 手 架 搭 设 方 案一、本工程采纳单排外脚手架构造要求如下:材料规格构造要求立杆:稍径不小于 7cm纵向间距:1.5m,横向间距离地面 1.2 m,埋深 0.8 m,立杆底部绑扫地杆、立杆底部垫板。大横杆:稍径不小于 8cm绑于立杆里面,第一步离地面 1.8 m,以上各部间距 1.2 m。小横杆:稍径不小于 8cm绑于大横杆上,间距 0.8 m,单排架搁入墙不小于 24 cm,伸出大横杆外 10 cm斜撑:稍径不小于 7cm设在脚手架的拐脚处,杆于地面夹角 45°方向上,绑在架子的外面,以防止架子纵向倾斜。十字撑:稍径不小于 7cm3m 以上的架子,每搁 7 根立杆设一道,从底到顶杆与地面夹角为 45°—60°。绑扎铁丝用镀锌铁丝镀锌铁丝木脚手架一般用 8#铁丝绑扎,立杆和大横杆的搭接按长度不应小于 1.5m,绑扎时小头应压在大头上,绑扎不少于三道(压顶立杆可大头朝上,以增大立杆截面),如三根相交时,应先绑两根,再绑第三根,切勿一绑三杆。二、材料要求:脚手架用剥皮杉杆(或坚韧硬木杆)三、脚手架结合点详图如下:四、脚手架安装技术措施1.立杆采纳坚韧圆木为材料,其小头有效直径不小于 8cm,立杆基础必须平整、夯实,立杆与基础要实接触。立杆接长搭接时,必须有足够的长度,有效长度不小于 1. 5m,绑扎不少于 3 道,绑扎材料 8#铁丝。单排立杆离墙的距离,最宽不过 1.8m,最窄不小于 1.5m,超过 1.88m 宽必须搭设双排架,双排架外设立杆离墙距为 2m,里设立杆离墙距离为不小于 50cm,不大于 60cm,立杆间距不超过 1.5m。2.大横杆:采纳坚韧圆木为材料,小头有效直径大于8cm,大横杆的有效搭接长度不小于 1.5m,小头压大头,顺序绑扎,绑扎不少于 3 道,用 8#铁线绑扎,搭接要交圈,不能错开和切断,上下间距最大不得超过 1.2m。3.小横杆:长度为 2—3m,坚韧圆木,小头有效直径大于9cm。4.单排架子的排木,靠墙的一端必须插人墙至少 14cm,脚手板采纳钢度板长度为 1.5—4.6,厚 2—3mm,肋高 5cm,宽不小于 23cm。脚手板的铺设要严密、牢固,搭搓板端压过小横杆 15cm,距墙体距离不大于 15cm,严禁存有踏头板。5.护身栏杆与挡脚板,采纳 2m 以上架子每步绑为两道栏杆,挡脚板立挡(18cm)严密牢固,加挂密目安全网,将网的下口封牢,护身栏杆与挡脚板必须随施工层的升高而升高,真正起到安全防护作用。6.剪刀撑是设在脚手架外侧交叉成十字的双支斜撑,与地面成 60°夹角,使用的材料同立杆的材质、...

1、当您付费下载文档后,您只拥有了使用权限,并不意味着购买了版权,文档只能用于自身使用,不得用于其他商业用途(如 [转卖]进行直接盈利或[编辑后售卖]进行间接盈利)。
2、本站所有内容均由合作方或网友上传,本站不对文档的完整性、权威性及其观点立场正确性做任何保证或承诺!文档内容仅供研究参考,付费前请自行鉴别。
3、如文档内容存在违规,或者侵犯商业秘密、侵犯著作权等,请点击“违规举报”。

碎片内容

木脚手架搭设方案

您可能关注的文档

确认删除?
VIP
微信客服
  • 扫码咨询
会员Q群
  • 会员专属群点击这里加入QQ群
客服邮箱
回到顶部