电脑桌面
添加小米粒文库到电脑桌面
安装后可以在桌面快捷访问

桥梁下部结构专项工程施工组织设计方案

桥梁下部结构专项工程施工组织设计方案_第1页
1/49
桥梁下部结构专项工程施工组织设计方案_第2页
2/49
桥梁下部结构专项工程施工组织设计方案_第3页
3/49
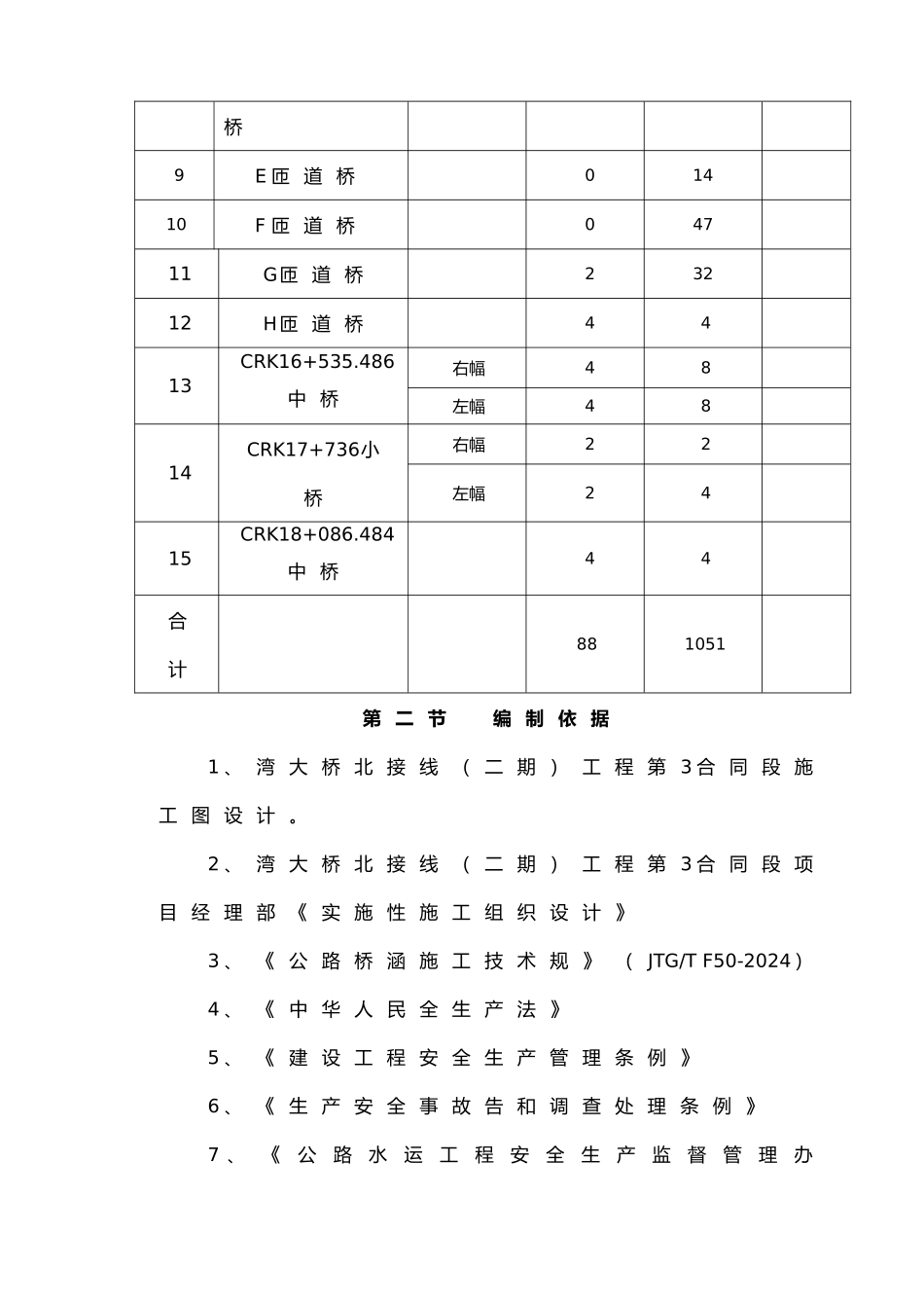
桥 梁 下 部 结 构 专 项 施 工 方 案第 一 节 工 程 概 况本合同段湾大桥北接线(二期)工程第 3 合同段,主线全长 3.03km。起点桩号为 K11+473.5,终点桩号为 K14+503.18。本合同段桥梁共有嘉善高架、洪溪主桥、A 匝道桥、B 匝道桥、C 匝道 1 号桥、C 匝道 2 号桥、D 匝道 1 号桥、D 匝道 2 号桥、E 匝道桥、F 匝道桥、G 匝道桥、H 匝道桥、CRK16+535.486中桥、CRK17+736 小桥、CRK18+086.484 中桥。下部结构桩基主要有 φ1m 20 根、φ1.2m 153 根、φ1.3m 755 根、φ1.5m 171 根、φ1.6m 40 根五种类型,其中陆上桩基 1051 根,水中桩基 88 根。根据现场的水文地质情况,为确保桩基施工质量和进度要求,本合同段采纳钻孔灌注桩 施 工 方 案 ( 桩 基 分 布 见 下 表 ) 。 下 部 结 构 类 型 立 柱 主 要 有φ1m、φ1.1、φ1.2m、φ1.3m、φ1.5m,承台、地系梁、中系梁、盖梁、台帽。桩基分布一览表:序号桥名左右幅桩基数量( 根)备注水中桩陆上桩1嘉善高架右幅3141左幅31412洪溪主桥右幅19220左幅242153A 匝 道 桥4304B 匝 道 桥0605C 匝 道 1 号 桥5346C 匝 道 2 号 桥0137D匝 道 1 号 桥44 8 D 匝 道 2 号470桥9E 匝 道 桥01410F 匝 道 桥04711G匝 道 桥23212H匝 道 桥4413CRK16+535.486中 桥右幅48左幅4814CRK17+736小桥右幅22左幅2415CRK18+086.484中 桥44合计881051第 二 节 编 制 依 据1 、 湾 大 桥 北 接 线 ( 二 期 ) 工 程 第 3 合 同 段 施工 图 设 计 。2 、 湾 大 桥 北 接 线 ( 二 期 ) 工 程 第 3 合 同 段 项目 经 理 部 《 实 施 性 施 工 组 织 设 计 》3 、 《 公 路 桥 涵 施 工 技 术 规 》 ( JTG/T F50-2024 )4 、 《 中 华 人 民 全 生 产 法 》5 、 《 建 设 工 程 安 全 生 产 管 理 条 例 》6 、 《 生 产 安 全 事 故 告 和 调 查 处 理 条 例 》7 、《公路水运工程安全生产监督管理办法 》8 、 《 公 路 工 程 施 工 安 全 技 术 规 程 》 (JTJ 076-95 )9 、 《 公 路 工 程 专 项 施 工 方 案 参 考 本 》第 三 节 桩 基 施 工 方 案一 、 桩 基 总 体 施 工 方 案( 一 ) 、 总 ...

1、当您付费下载文档后,您只拥有了使用权限,并不意味着购买了版权,文档只能用于自身使用,不得用于其他商业用途(如 [转卖]进行直接盈利或[编辑后售卖]进行间接盈利)。
2、本站所有内容均由合作方或网友上传,本站不对文档的完整性、权威性及其观点立场正确性做任何保证或承诺!文档内容仅供研究参考,付费前请自行鉴别。
3、如文档内容存在违规,或者侵犯商业秘密、侵犯著作权等,请点击“违规举报”。

碎片内容

桥梁下部结构专项工程施工组织设计方案

您可能关注的文档

确认删除?
VIP
微信客服
  • 扫码咨询
会员Q群
  • 会员专属群点击这里加入QQ群
客服邮箱
回到顶部