电脑桌面
添加小米粒文库到电脑桌面
安装后可以在桌面快捷访问

桥梁工程施工设计方案范本

桥梁工程施工设计方案范本_第1页
1/19
桥梁工程施工设计方案范本_第2页
2/19
桥梁工程施工设计方案范本_第3页
3/19
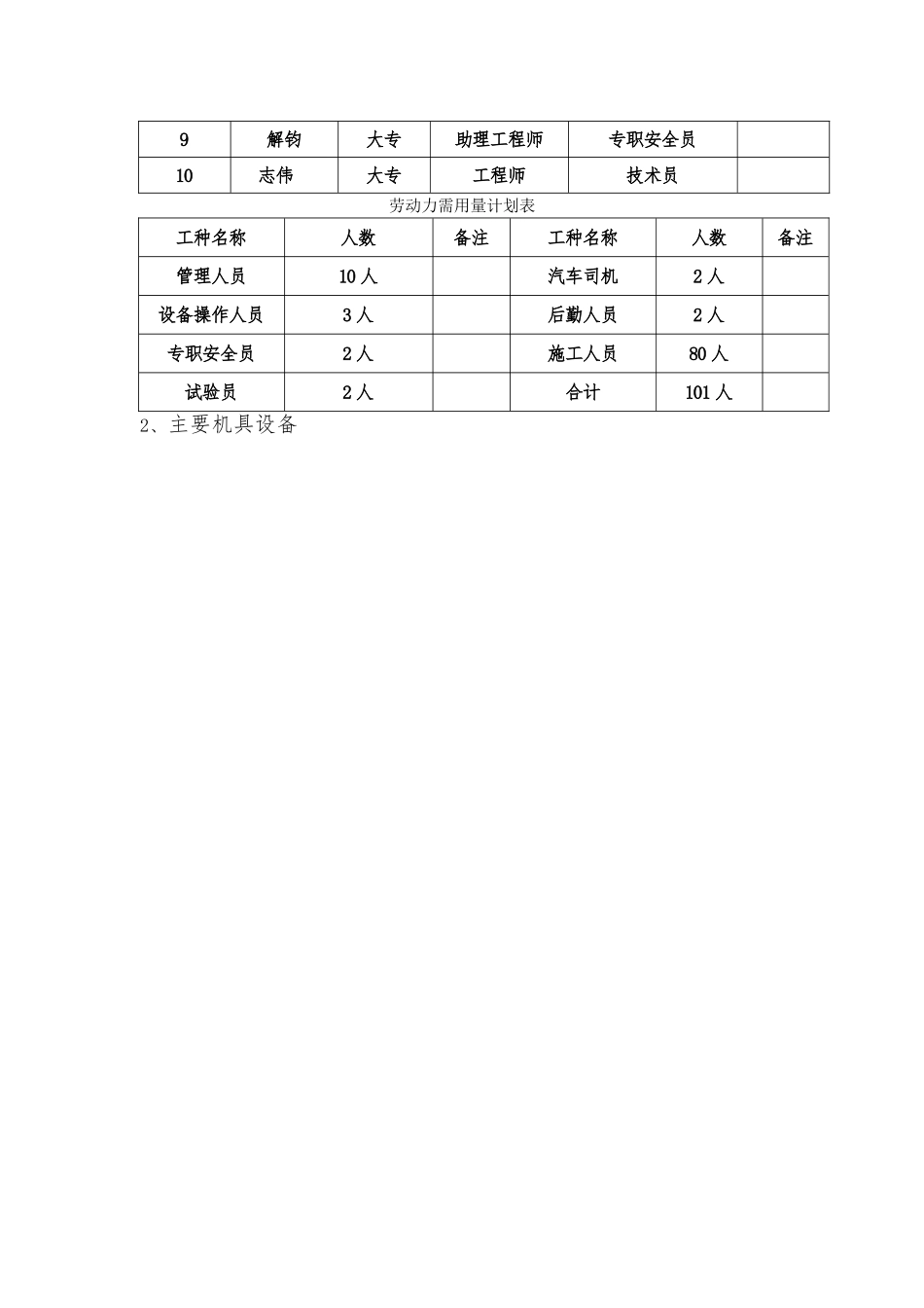
K0+643 大桥施工组织设计一、工程概况1.概述 K0+643 大桥(祁山堡大桥)为 1968 年 10 月修建的跨越西汉水的一座公路大桥(8-25 米双曲拱桥),浆砌片石重力式桥墩,桥面净宽:净 7.0+2*0.5m,桥面纵坡为人字型坡,横坡为 2%,近年来,由于车辆荷载等级的提高和交通量的迅速增长,原桥梁桥面铺装层薄,在车辆荷载的冲击和摩擦作用下,桥面出席拥包、裂缝等病害,进一步进展为桥面破损,且原桥无防水设施,桥面破损、雨水下渗,主拱圈出现大面积渗水,混凝土腐蚀碳化,由于原桥拱肋横隔板界面尺寸小,横向联系弱,主拱圈整体刚度小,整体性差,抵抗变形能力非常低,在车辆荷载的冲击和超载情况下拱肋出现大梁裂缝,致使主拱圈大面积产生裂缝等病害。旧桥重建方案:该灾后恢复重建工程设计路基宽度 12m,桥梁设计荷载为公路-I 级。从原桥梁病害情况看,不能满足设计荷载和路基宽度的要求,该桥必须提载和加宽,但旧桥原设计荷载等级和材料强度原来就低,加之桥梁上部构造关键部位裂缝的存在使结构的承载力严重下降,同时受 5.12 汶川地震的影响,旧桥结构构件间的相互连接变弱,旧桥整体性和承载力加剧下降,要通过加有旧桥荷载等级提高到公路-I 级很困难,综合上述因素,确定保留旧桥作为施工便桥,改移桥位重建,根据旧桥位处水文、地形条件和旧桥跨径后确定重建 7-30m 预应力混凝土箱形连续梁,下部结构采纳双柱式桥墩,埋置式桥台,钻孔灌注桩基础,正交,桥面宽度为净9.0+2*1.75m,设计荷载:公路-I 级,桥梁全长 218.7 米。下部采纳柱式桥墩、埋置式桥台,钻孔灌注桩基础。2.技术标准2.1 设计荷载;公路——I 级;2.2 桥面全宽:净 9.0 米+2*1.75 米2.3 动峰值加速度:该桥所处地区地震动峰加速度为 0.4g。3.结构形式3.1 上部结构 上部为跨经 7-30m 钢筋混凝土预应力连续箱型梁,桥面宽 9.0m,两侧设人行道(1.75 米)。箱梁在桥横断面布置为 4 片,全桥共 28片,梁的预制采纳 C50 砼;桥面铺装采纳 C50 防水砼,厚度为15~24cm;支座采纳橡胶板式支座。3.2 下部结构 桩基分别为 D=1.5m 的钻孔桩,C25 的水下砼;桥墩为双柱墩,墩柱直径为 D=1.4m,桥台为桩柱式桥台,墩身、盖梁与挡块均为 30砼。第一章 施工进度计划、顺序、时间桥梁工程暂定于 2024 年 8 月 10 日开工,2024 年 9 月 30 日竣工。进度计划(1)施工准备: 2024 年 7 月 1 日—2024 年 8 月 10 日。(2...

1、当您付费下载文档后,您只拥有了使用权限,并不意味着购买了版权,文档只能用于自身使用,不得用于其他商业用途(如 [转卖]进行直接盈利或[编辑后售卖]进行间接盈利)。
2、本站所有内容均由合作方或网友上传,本站不对文档的完整性、权威性及其观点立场正确性做任何保证或承诺!文档内容仅供研究参考,付费前请自行鉴别。
3、如文档内容存在违规,或者侵犯商业秘密、侵犯著作权等,请点击“违规举报”。

碎片内容

桥梁工程施工设计方案范本

您可能关注的文档

确认删除?
VIP
微信客服
  • 扫码咨询
会员Q群
  • 会员专属群点击这里加入QQ群
客服邮箱
回到顶部