电脑桌面
添加小米粒文库到电脑桌面
安装后可以在桌面快捷访问

桥梁现场质量检验报告单用表

桥梁现场质量检验报告单用表_第1页
1/47
桥梁现场质量检验报告单用表_第2页
2/47
桥梁现场质量检验报告单用表_第3页
3/47
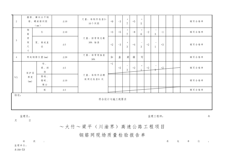
~ 大 竹 ~ 梁 平 ( 川 渝 界 ) 高 速 公 路 工 程 项 目桥 梁 总 体 现 场 质 量 检 验 报 告 单标段: 承包单位: 监 理 单 位 :表 ZBD-51工 程 名 称家湾大桥(填写桥梁名称)施 工 时 间XX年XX月XX日至XX年XX月XX日里 程 桩 号K80+818(中心桩号) 家湾大桥右线检 查 日 期XX年XX月XX日(现场检查日期)项次检 查 项 目规定值或允许偏差检查方法和频率实 测 值 或 实 测 偏 差 值检 查 结 果1桥 面 中 线 偏 位( mm )20全 站 仪 或 经 纬 仪 :检 查 3 ~ 8 处测量数据填 写 合 格 率2桥 宽( mm )车 行 道±10尺 量 : 每 孔 3 ~ 5处+2+3+7-8+7-5填 写 合 格 率人 行 道±10-3-7+8-9+7+4填 写 合 格 率3桥 长 ( mm )+300 , -100全 站 仪 或 经 纬 仪 、钢 尺 :检 查 中 心 线+39-50-20+18填 写 合 格 率4引 道 中 心 线 与 桥 梁中 心 线 的 衔 接( mm )20尺 量 : 分 别 将 引 道中 心 线 和 桥 梁 中 心线 延 长 至 两 岸 桥 长端 部 , 比 较 其 平 面位 置591113填 写 合 格 率5桥 头 高 程 衔 接( mm )±3水 准 仪 :在 桥 头 搭 板 围 顺 延桥 面 纵 坡 , 每 米 1点 测 量 标 高测量资料数据偏差值填 写 合 格 率结论:符合设计与施工规要求监理员: 监理工程师: 年 月 日~ 大 竹 ~ 梁 平 ( 川 渝 界 ) 高 速 公 路 工 程 项 目钢 筋 安 装 现 场 质 量 检 验 报 告 单标段: 承包单位: 监 理 单 位 :表 ZBD-52工 程 名 称家湾大桥(填写桥梁名称)施 工 时 间XX年XX月XX日里 程 桩 号K80+748 (墩台桩号)家湾R1-7桩基检 查 日 期XX年XX月XX日(现场检查日期)项次检 查 项 目规定值或允许偏差检查方法和频率实 测 值 或 实 测 偏 差 值检 查 结 果1△受力钢筋间距(mm)两 排 以 上 排距±5尺 量 : 每 构 件 检 查 2个 断 面填 写 合 格 率同排梁 板 、拱 肋±10填 写 合 格 率基 础 、锚 碇 、墩 台 、柱±20+2-3-3+7+12-8( 填 写 不 下 可 以 详见 附 表 )填 写 合 格 率2箍 筋 、 横 向 水 平 钢筋 、 螺 旋 筋 间 距( mm )±10尺 量 : 每...

1、当您付费下载文档后,您只拥有了使用权限,并不意味着购买了版权,文档只能用于自身使用,不得用于其他商业用途(如 [转卖]进行直接盈利或[编辑后售卖]进行间接盈利)。
2、本站所有内容均由合作方或网友上传,本站不对文档的完整性、权威性及其观点立场正确性做任何保证或承诺!文档内容仅供研究参考,付费前请自行鉴别。
3、如文档内容存在违规,或者侵犯商业秘密、侵犯著作权等,请点击“违规举报”。

碎片内容

桥梁现场质量检验报告单用表

您可能关注的文档

确认删除?
VIP
微信客服
  • 扫码咨询
会员Q群
  • 会员专属群点击这里加入QQ群
客服邮箱
回到顶部