电脑桌面
添加小米粒文库到电脑桌面
安装后可以在桌面快捷访问

气象局综合楼施工组织设计

气象局综合楼施工组织设计_第1页
1/162
气象局综合楼施工组织设计_第2页
2/162
气象局综合楼施工组织设计_第3页
3/162
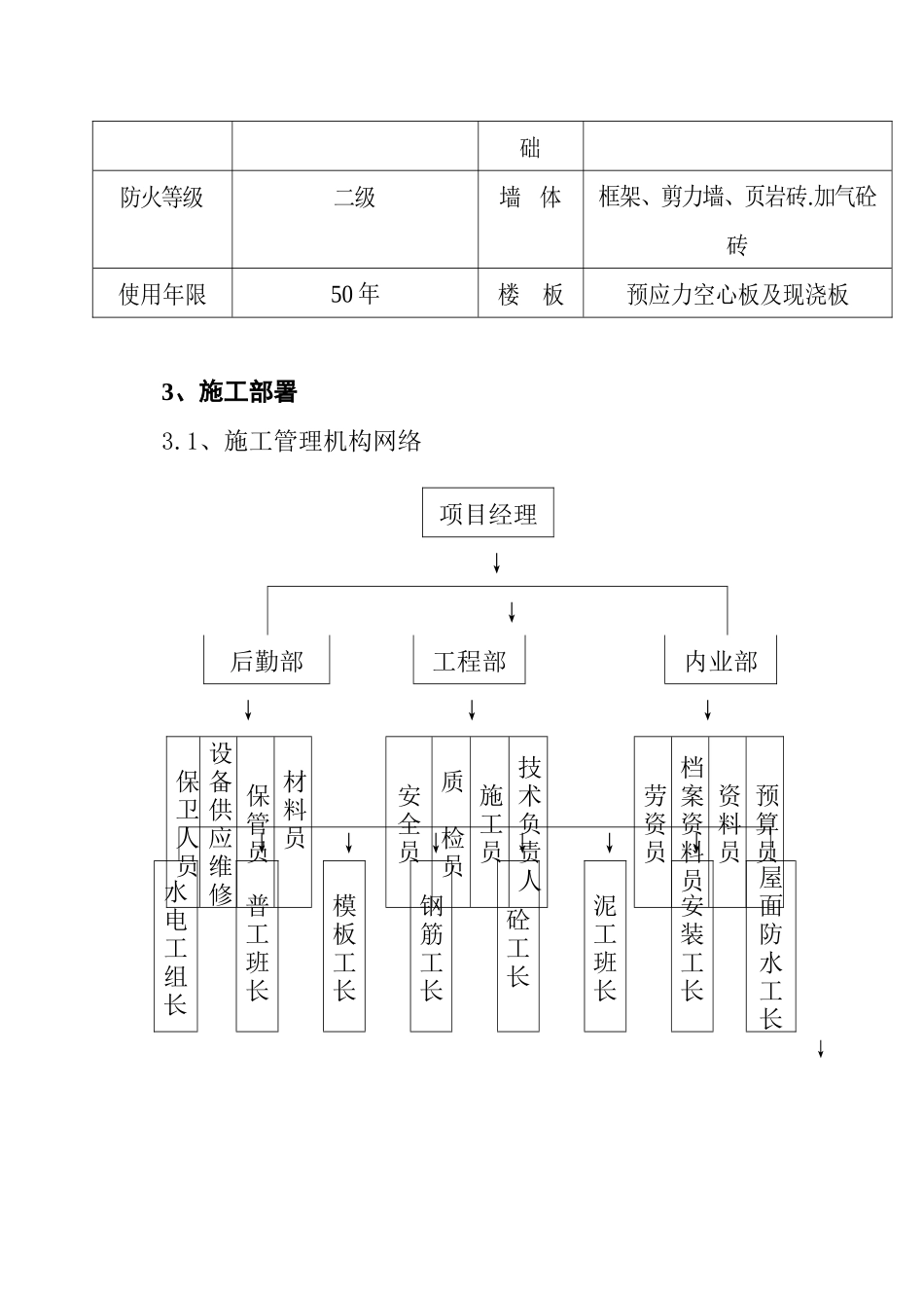
1、施工组织设计编制依据原则及说明:1.1、本工程施工组织设计编制的依据:1.1.1 本工程招标文书,答疑会议记要。1.1.2 本工程设计的建筑、结构施工图纸。1.1.3 国家、行业及地方有关政策、法律、法令、法规。1.1.4 国家强制性技术质量标准、施工验收法律规范、规程。1.1.5 工艺标准及操作规程。1.1.6 本公司质量体系程序文件及管理规章制度。1.2、编制原则:1.2.1 应用网络技术分段、分部位、分建筑物的项目流水节拍作业组织施工的原则。1.2.2 在保证工程质量、安全、工期进度为前提,提高土建、安装工程,各工种的协调、穿插作业的原则。1.2.3 发挥本公司优势,尽量采纳新工艺、新技术、新设备、新材料,做好人力、物力综合平衡施工的原则。1.3、编制说明:针对本工程实际情况和招标文书要求,我们把施工目标、施工准备、施工布署、施工总进度计划、基础施工、主体结构施工,水电安装施工,工程质量创优良保证措施、工期保证措施、安全生产、文明施工保证措施、环保及防止扰民措施、重点部位施工技术措施等在本施工组织设计中作为重点阐述,其它部分中标后将按施工图进行施工组织深化,编制实施性施工方案。2、工程概况:2.1、工程名称:巴南区公安分局消防处鱼洞消防站工程。2.2、工程位置:巴南区鱼洞鱼胡路。2.3、建设规模及结构类型:主楼框架结构,1968.8m2/3 层,办公楼砖混结构 878m2/2 层,训练塔砖混结构 259.2m2/4 层。2.4、建筑占地面积 1356m2,总建筑面积 3056m2,建筑高度14m。2.5、工程概况一览表:建设单位巴南区公安分局消防处工程名称鱼洞消防站主楼、办公楼、训练塔设计单位巴南区建筑勘察设计院门 窗白色铝合金门窗、木门、卷帘门地勘单位607 勘察实业总公司屋 面SBS 改性沥青卷材防水,钢筋细石砼屋面层 数二层、三层、四层楼地面水磨石、陶瓷锦砖、砼地面总建筑面积3056m2内墙、天棚水泥砂浆、803 涂料、磁砖、踢脚板结 构框架、砖混结构外墙水泥砂浆外墙面砖抗振防烈度六度地基与基微风化页岩、钢筋砼条形基础础防火等级二级墙 体框架、剪力墙、页岩砖.加气砼砖使用年限50 年楼 板预应力空心板及现浇板3、施工部署3.1、施工管理机构网络项目经理 ↓↓后勤部工程部内业部↓ ↓ ↓↓ 保卫人员设备供应维修保管员材料员安 全 员质 检员施工员技术负责人劳资员档案资料员资料员预算员 ↓ ↓ ↓ ↓ ↓ ↓水电工组长普工班长模板工长钢筋工长砼工长泥工班长安装工长屋面防水工长3.2...

1、当您付费下载文档后,您只拥有了使用权限,并不意味着购买了版权,文档只能用于自身使用,不得用于其他商业用途(如 [转卖]进行直接盈利或[编辑后售卖]进行间接盈利)。
2、本站所有内容均由合作方或网友上传,本站不对文档的完整性、权威性及其观点立场正确性做任何保证或承诺!文档内容仅供研究参考,付费前请自行鉴别。
3、如文档内容存在违规,或者侵犯商业秘密、侵犯著作权等,请点击“违规举报”。

碎片内容

气象局综合楼施工组织设计

确认删除?
VIP
微信客服
  • 扫码咨询
会员Q群
  • 会员专属群点击这里加入QQ群
客服邮箱
回到顶部