电脑桌面
添加小米粒文库到电脑桌面
安装后可以在桌面快捷访问

混凝土结构子分部工程结构实体砼强度验收记录文本

混凝土结构子分部工程结构实体砼强度验收记录文本_第1页
1/9
混凝土结构子分部工程结构实体砼强度验收记录文本_第2页
2/9
混凝土结构子分部工程结构实体砼强度验收记录文本_第3页
3/9
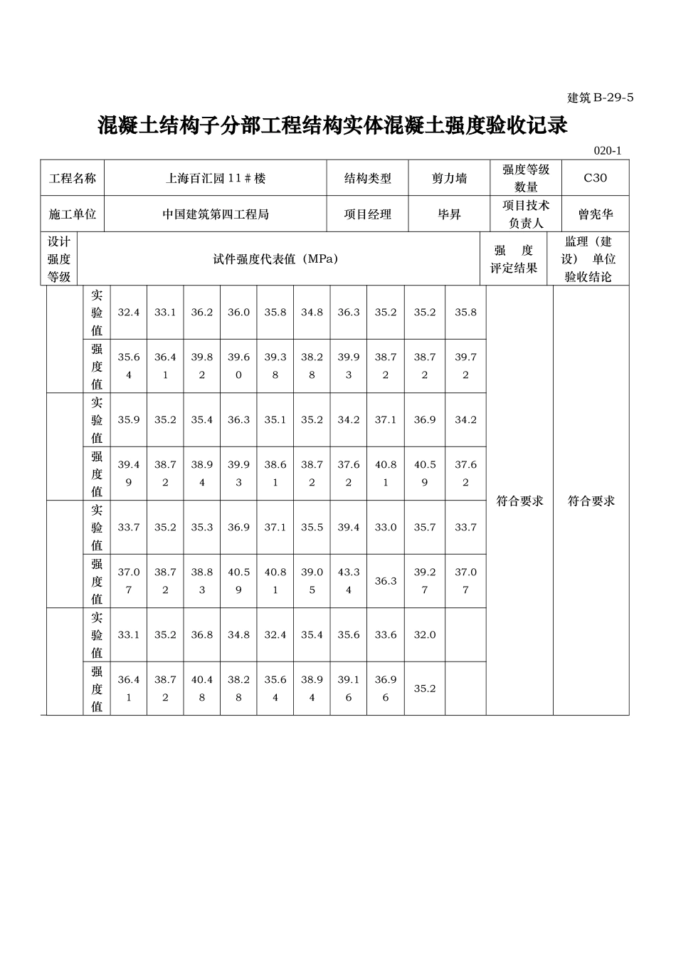
建筑 B-29-5混凝土结构子分部工程结构实体混凝土强度验收记录020-1工程名称上海百汇园 11#楼结构类型剪力墙强度等级数量C30施工单位中国建筑第四工程局项目经理毕昇项目技术 负责人曾宪华设计强度等级试件强度代表值(MPa)强 度 评定结果监理(建设) 单位 验收结论实验值32.433.136.236.035.834.836.335.235.235.8符合要求符合要求强度值35.6436.4139.8239.6039.3838.2839.9338.7238.7239.72实验值35.935.235.436.335.135.234.237.136.934.2强度值39.4938.7238.9439.9338.6138.7237.6240.8140.5937.62实验值33.735.235.336.937.135.539.433.035.733.7强度值37.0738.7238.8340.5940.8139.0543.3436.339.2737.07实验值33.135.236.834.832.435.435.633.632.0强度值36.4138.7240.4838.2835.6438.9439.1636.9635.2检查结论结论:本工程同条件混凝土试件共 39 组实验结果符合GB50204-2001 附录 D 的要求。项目专业技术负责人:2007 年 03 月 26 日验 收 结 论结论:监理工程师:(建设单位项目专业技术负责人) 年 月 日注:1.同条件养护试件的取样、留置、养护和强度代表值的确定应符合法律规范 GB50204-202410.1 节和附录 D 的规定;2.表中与某一强度等级对应的试件强度代表值,上一行填写根据 GBJ107 确定的数值,下一行填写乘以折算系数后的数值;3.同条件养护试件的留置组数、取样部位、放置位置、等效养护龄期、实际养护龄期和相应的温度测量等记录和资料应作为本表的附件; 4.折算系数取 1.1.建筑 B-29-5混凝土结构子分部工程结构实体混凝土强度验收记录020-1工程名称上海百汇园 11#楼结构类型剪力墙强度等级数量C40施工单位中国建筑第四工程局项目经理毕昇项目技术 负责人曾宪华设计强度等级试件强度代表值(MPa)强 度 评定结果监理(建设) 单位 验收结论实验值48.847.846.7符合要求符合要求强度值53.6852.5851.37实验值强度值实验值强度值实验值强度值检查结论结论:本工程同条件混凝土试件共 3 组实验结果符合GB50204-2001 附录 D 的要求。项目专业技术负责人:2006 年 09 月 29 日验 收 结 论结论:监理工程师:(建设单位项目专业技术负责人) 年 月 日注:1.同条件养护试件的取样、留置、养护和强度代表值的确定应符合法律规范 GB50204-202410.1 节和附录 D 的规定;2.表中与某一强度等级对应的试件强度代表值,上一行填写根据 GBJ107 确定的数值,下一行填写乘以折算系数后...

1、当您付费下载文档后,您只拥有了使用权限,并不意味着购买了版权,文档只能用于自身使用,不得用于其他商业用途(如 [转卖]进行直接盈利或[编辑后售卖]进行间接盈利)。
2、本站所有内容均由合作方或网友上传,本站不对文档的完整性、权威性及其观点立场正确性做任何保证或承诺!文档内容仅供研究参考,付费前请自行鉴别。
3、如文档内容存在违规,或者侵犯商业秘密、侵犯著作权等,请点击“违规举报”。

碎片内容

混凝土结构子分部工程结构实体砼强度验收记录文本

您可能关注的文档

确认删除?
VIP
微信客服
  • 扫码咨询
会员Q群
  • 会员专属群点击这里加入QQ群
客服邮箱
回到顶部