电脑桌面
添加小米粒文库到电脑桌面
安装后可以在桌面快捷访问

火力发电工程电气强制性条文执行汇总表

火力发电工程电气强制性条文执行汇总表_第1页
1/33
火力发电工程电气强制性条文执行汇总表_第2页
2/33
火力发电工程电气强制性条文执行汇总表_第3页
3/33
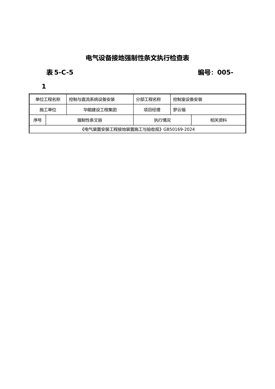
火力发电工程电气强制性条文执行汇总表----------------------- -----------------------日期:火力发电工程电气强制性条文执行汇总表表 5-D 编号:005单位工程名称控制与直流系统设备安装序号检查项目执行情况验收结论分部工程名称应执行已执行记录份数控制室设备安装直流系统设备安装1单位工程已按合同、设计文件与规程、规、标准要求施工完毕并经验收合格。应验收已验收合格率2工程质量控制资料应完整共 项 份,签证齐全3参加工程验收的各方人员资格合格质检员证号;监理人员资质证号:4工程验收程序符合要求各单位验收报告资料齐全5调试工作符合规定调试项目齐全,调试报告:核查意见建设单位技术负责人:年 月 日设计单位项目经理:年 月 日监理单位总监理工程师:年 月 日施工单位项目经理:年 月 日电气设备接地强制性条文执行检查表表 5-C-5 编号:005-1单位工程名称控制与直流系统设备安装分部工程名称控制室设备安装施工单位华能建设工程集团项目经理罗云福序号强制性条文容执行情况相关资料《电气装置安装工程接地装置施工与验收规》GB50169-20241第 3.1.1 条电气装置的下列金属部分,均应接地或接零:1 电气装置的下列金属部分,均应接地或接零:电机、变压器、电器、携带式或移动式用电器具等的金属底座和外壳;2 电气设备的传动装置;3 屋外配电装置的金属或钢筋混凝土构架以与靠近带电部分的金属遮栏和金属门;4 配电、控制、保护用的屏(柜、箱)与操作台等的金属框架和底座;5 交直流电力电缆的接头盒、终端头和膨胀器的金属外壳和可触与的电缆金属护层和穿线的钢管。穿线的钢管之间或钢管和电器设备之间有金属软管过渡的,应保证金属软管段接地畅通;6 电缆桥架、支架和井架;7 装有避雷线的电力线路杆塔;8 装在配电线路杆上的电力设备;9 在非沥青地面的居民区,不接地、消弧线圈接地和高电阻接地系统中无避雷的架空电力线路的金属杆塔和钢筋混凝土杆塔;10 承载电气设备的构架和金属外壳;11 发电机中性点柜外壳、发电机出线柜、封闭母线的外壳与其他裸露的金属部分;12 气体绝缘全封闭组合电器(GIS)的外壳接地端子和箱式变电站的金属箱体;13 电热设备的金属外壳;14 铠装控制电缆的金属护层;15 互感器二次绕组。表 5-B-5表 5-C-5 续 1 序号强制性条文容执行情况相关资料《电气装置安装工程接地装置施工与验收规》GB50169-20242第 3.1.3 条需要接地的直流系统的接地装置应符合下列...

1、当您付费下载文档后,您只拥有了使用权限,并不意味着购买了版权,文档只能用于自身使用,不得用于其他商业用途(如 [转卖]进行直接盈利或[编辑后售卖]进行间接盈利)。
2、本站所有内容均由合作方或网友上传,本站不对文档的完整性、权威性及其观点立场正确性做任何保证或承诺!文档内容仅供研究参考,付费前请自行鉴别。
3、如文档内容存在违规,或者侵犯商业秘密、侵犯著作权等,请点击“违规举报”。

碎片内容

火力发电工程电气强制性条文执行汇总表

津创媒+ 关注
实名认证
内容提供者

欢迎交流文创,小店资料希望满足您的需要。

确认删除?
VIP
微信客服
  • 扫码咨询
会员Q群
  • 会员专属群点击这里加入QQ群
客服邮箱
回到顶部