电脑桌面
添加小米粒文库到电脑桌面
安装后可以在桌面快捷访问

盖板涵施工总结

盖板涵施工总结_第1页
1/12
盖板涵施工总结_第2页
2/12
盖板涵施工总结_第3页
3/12
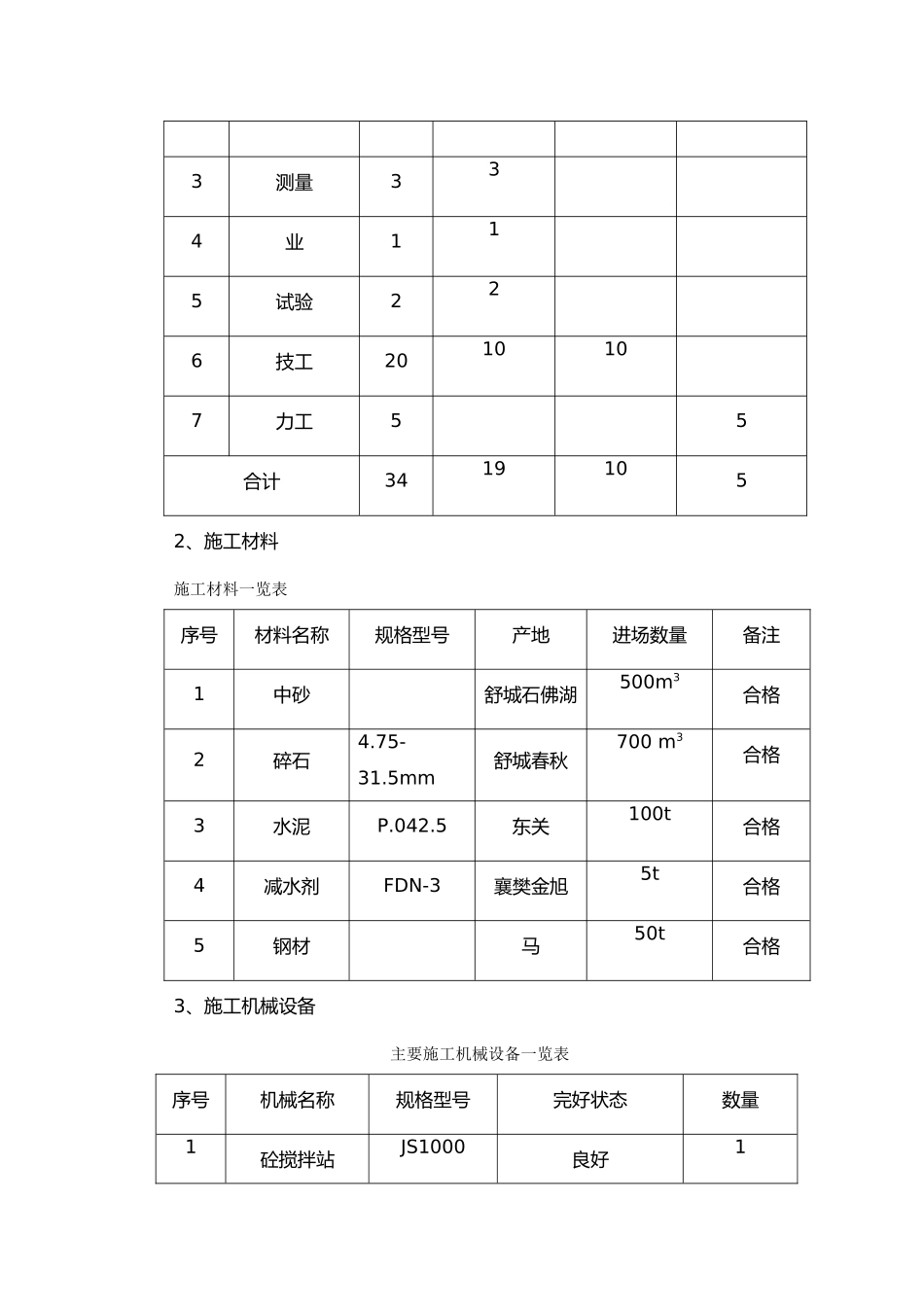
合宁高速公路扩建路基工程 05 标段盖板涵施工技术总结 马海峰 丁忠山 胜 省路桥建设总公司合宁高速公路扩建路基工程05 标段项目经理部关于合宁 5 标箱涵与通道施工技术总结的报告合宁高速扩建工程第二监理组:合宁 5 标本合同段共有盖板涵 1 道。盖板在预制场集中预制,其它砼都采纳现浇,砼混合料配制采纳强制式搅拌机在拌和站拌和,混凝土罐车运输,模板采纳钢模板,砼的振捣使用插入式振捣器,洞口截水墙与铺砌用人工完成,盖板安装由人工配合汽车式起重机完成。在进行盖板涵施工前,根据施工技术图纸,我部编制了详细的施工方案。根据此方案进行 K18+951.475 盖板涵的施工。一、施工人员、材料、机械设备1、施工人员主要施工人员表序 号职 务人 数其 中高级工中级工初级工1处长112工长223测量334业115试验226技工2010107力工55合计34191052、施工材料施工材料一览表序号材料名称规格型号产地进场数量备注1中砂舒城石佛湖500m3合格2碎石4.75-31.5mm舒城春秋700 m3合格3水泥P.042.5东关100t合格4减水剂FDN-3襄樊金旭5t合格5钢材马50t合格3、施工机械设备主要施工机械设备一览表序号机械名称规格型号完好状态数量1砼搅拌站JS1000良好12砼运输车海诺 7m3良好23铲车ZL40良好14吊车QY16良好15铲车ZL50良好16电焊机SS500良好57发电机75kw良好18变压器315 kw良好19切断机良好110弯曲机良好111调直机良好1二、施工方法⑴ 施工准备此项工程正式开工前,项目部中心试验室人员根据设计要求进行盖板涵施工用砼进行配合比设计试验和其他相关材料试验,技术人员编制出该项工程的施工组织设计,报监理工程师审批,同时申请本项目开工。⑵ 备料该项目工程中需要用到的砂(砾)石材料、水泥、钢材在开工前运至施工现场,并分别堆放整齐。施工用机械安装就位,并进行调试。⑶ 盖板式通道拆除与加宽A、拆除混凝土一字墙墙身、洞口、端墙、洞口铺砌拆除浆砌片石锥坡与基础拆除为了保证高速公路路堤的稳定,拆除过程中必须实行防护措施,在取行监理工程师批准后,方可实施。防止老路失稳造成事故。B、拼宽通道拼宽施工期臆,必须中断通道的交通,事先应与有关部门协商,并取得当地部门的配合。新老结构物的拼接处,应设置20mm宽的沉降变形缝。施工时确保涵底扩建部分与原有部分平齐,4-6m设一道沉降缝。拼接过程中发现老构造物存在的病害已影响到拼接质量,要提前发现并上报相关部门,提前实行处理措施,保证拼接施工的顺利进行。⑷ 测量放...

1、当您付费下载文档后,您只拥有了使用权限,并不意味着购买了版权,文档只能用于自身使用,不得用于其他商业用途(如 [转卖]进行直接盈利或[编辑后售卖]进行间接盈利)。
2、本站所有内容均由合作方或网友上传,本站不对文档的完整性、权威性及其观点立场正确性做任何保证或承诺!文档内容仅供研究参考,付费前请自行鉴别。
3、如文档内容存在违规,或者侵犯商业秘密、侵犯著作权等,请点击“违规举报”。

碎片内容

盖板涵施工总结

您可能关注的文档

确认删除?
VIP
微信客服
  • 扫码咨询
会员Q群
  • 会员专属群点击这里加入QQ群
客服邮箱
回到顶部