电脑桌面
添加小米粒文库到电脑桌面
安装后可以在桌面快捷访问

矿井年度防治水计划

矿井年度防治水计划_第1页
1/44
矿井年度防治水计划_第2页
2/44
矿井年度防治水计划_第3页
3/44
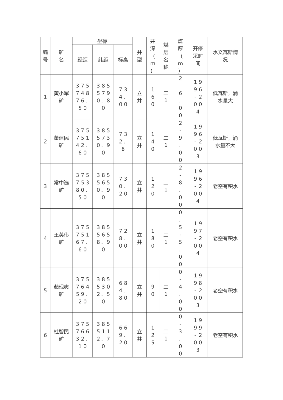
2013年度防治水计划 水灾事故是影响煤矿安全生产的难题之一,轻则淹没井巷,影响安全生产,重则酿成重大透水伤亡事故,造成极坏的政治影响与经济损失,给受害干部、职工家属造成终生的痛苦,为加强安全管理,防止水害事故发生,特制订年度防治水计划。一、 矿井基本情况 井田位于渑池县仁村乡南低坞村长岭自然村。矿区围以省国土厅2009年7月13日批准的C41000020090711220030474号采矿许可证为准东西长约3.15km,南北宽约0.52-1.2km,面积2.383km²。矿区地势总的来说北高南低,山势近东西向展布,地表海拔标高685.5-781.9m,相对高差96.4m,属山丘陵区,地面坡度3-5 º。本区属黄河流域洛河水系,矿区西部边界处有一天坛河自北向南流入天坛水库,水库汇水面积0.05km²,现已干凅;区外东部有低坞河据调查,暴雨时,南北向冲沟形成洪水注入南低坞河,其它时间干凅;矿区仅有季节性河流,雨时有短暂水流,雨后即干。矿井涌水量受地表降水量影响较大,雨季排 老窑调查表编号矿名坐标井型井深(m)煤层名称煤厚(m)开停采时间水文瓦斯情况经距纬距标高1黄小军矿37574876.503855790.80734.00立井160二12-6.001996-2004低瓦斯,涌水量大2董建民矿37575142.603855730.90732.8立井140二12-9.001996-2003低瓦斯,涌水量不大3常中选矿37575380.503855650.90730.20立井120二12-8.001996-2004老空有积水4王英伟矿37575167.603855658.90728.00立井180二10.5-5.001997-2004老空有积水5茹现志矿37576459.203855302.50684.80立井90二10-4.001998-2003老空有积水6杜智民矿37576632.103855112.70669.20立井125二10-3.001999-2003老空有积水7小群矿3757587.303855067.20671.50立井180二10.5-5.001999-2003老空有积水水量增加,旱季排水量减小。今后我矿应注意回采后的地表裂隙,防治洪水注入井下,搞好雨季排水工作。矿井围,邻边乡镇小煤矿较多,采空区多有积水,据调查矿区浅部有小煤矿7个,分布于矿区的东西部。我们必...

1、当您付费下载文档后,您只拥有了使用权限,并不意味着购买了版权,文档只能用于自身使用,不得用于其他商业用途(如 [转卖]进行直接盈利或[编辑后售卖]进行间接盈利)。
2、本站所有内容均由合作方或网友上传,本站不对文档的完整性、权威性及其观点立场正确性做任何保证或承诺!文档内容仅供研究参考,付费前请自行鉴别。
3、如文档内容存在违规,或者侵犯商业秘密、侵犯著作权等,请点击“违规举报”。

碎片内容

矿井年度防治水计划

您可能关注的文档

确认删除?
VIP
微信客服
  • 扫码咨询
会员Q群
  • 会员专属群点击这里加入QQ群
客服邮箱
回到顶部