电脑桌面
添加小米粒文库到电脑桌面
安装后可以在桌面快捷访问

碗扣支架验收要求与验收表VIP专享

碗扣支架验收要求与验收表_第1页
1/8
碗扣支架验收要求与验收表_第2页
2/8
碗扣支架验收要求与验收表_第3页
3/8
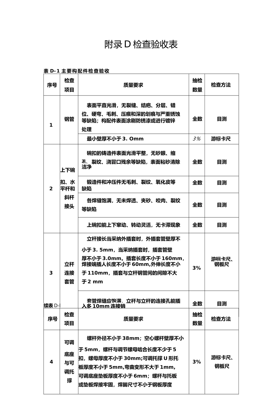
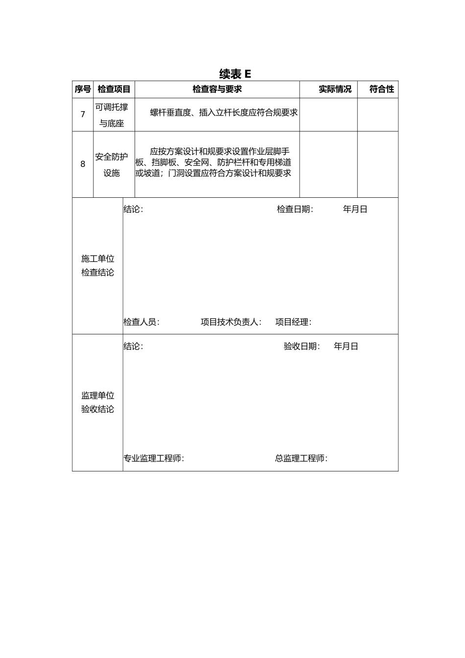
附录 E 施工验收记录表 E 脚手架施工验收记录项目名称架体类型双排脚手架□模板支撑架□搭设部位搭设高度搭设跨度施工荷载检查与验收情况记录序号 检查项目检查容与要求实际情况符合性1专项施工方案搭设前应编制专项施工方案,进行架体结构布置和计算,专项施工方案应经审核、批准2构配件进场的主要构配件应有产品质量合格证、产品性能检验报告,构配件观感质量、规格尺寸应按规定的抽检数量进行抽检3地基基础地基处理和承载力应符合方案设计要求,地基应坚实、平整;垫板的尺寸与铺设方式应符合方案设计要求;立杆与基础应接触紧密;地基排水设施应完善,并符合方案设计要求,排水应畅通;施工记录和试验资料应完整4架体搭设立杆纵、横间距与水平杆步距应符合方案设计要求;架体水平度和垂直度应符合规要求;水平杆应纵、横向贯穿,不得缺失5杆件连接碗扣节点组装时,应通过限位销确保上碗扣锁紧水平杆;双排脚手架相邻立杆接头不应在同一步距6架体构造扫地杆离地间距、立杆伸出顶层水平杆长度(模板支撑架)、斜撑杆和剪刀撑设置位置和间距、连墙件(双排脚手架)或架体与既有建筑结构连接点(模板支撑架)的竖向和水平间距应符合方案设计和规要求续表 E序号检查项目检查容与要求实际情况符合性7可调托撑与底座螺杆垂直度、插入立杆长度应符合规要求8安全防护设施应按方案设计和规要求设置作业层脚手板、挡脚板、安全网、防护栏杆和专用梯道或坡道;门洞设置应符合方案设计和规要求施工单位检查结论结论:检查日期:年月日检查人员:项目技术负责人:项目经理:监理单位验收结论结论:验收日期: 年月日专业监理工程师:总监理工程师:附录 D 检查验收表表 D-1 主要构配件检查验收检查抽检检查方法序号质量要求项目数量表面平直光滑,无裂缝、结疤、分层、错位、硬弯、毛刺、压痕和深的划痕与严重锈蚀全数目测1钢管等缺陷;构配件表面涂刷防锈漆或进行镀锌处理最小壁厚不小于 3. Omm3%游标卡尺碗扣的铸造件表面光滑平整,无砂眼、缩孔、裂纹、浇冒口残余等缺陷,表面粘砂清除全数目测上下碗洁净扣、水锻造件和冲压件无毛刺、裂纹、氧化皮等全数目测2平杆和斜杆缺陷各焊缝饱满,无未焊透、夹砂、咬肉、裂纹等缺陷全数目测接头上碗扣能上下窜动、转动灵活,无卡滞现象全数目测立杆接长当采纳外插套时,外插套管壁厚不小于 3. 5mm,当采纳插套时,插套管壁厚不小于 3.0mm。插套长度不小于 160mm,3%游标卡尺、立杆焊接端插人长度不...

1、当您付费下载文档后,您只拥有了使用权限,并不意味着购买了版权,文档只能用于自身使用,不得用于其他商业用途(如 [转卖]进行直接盈利或[编辑后售卖]进行间接盈利)。
2、本站所有内容均由合作方或网友上传,本站不对文档的完整性、权威性及其观点立场正确性做任何保证或承诺!文档内容仅供研究参考,付费前请自行鉴别。
3、如文档内容存在违规,或者侵犯商业秘密、侵犯著作权等,请点击“违规举报”。

碎片内容

碗扣支架验收要求与验收表

确认删除?
VIP
微信客服
  • 扫码咨询
会员Q群
  • 会员专属群点击这里加入QQ群
客服邮箱
回到顶部