电脑桌面
添加小米粒文库到电脑桌面
安装后可以在桌面快捷访问

路面面层自检资料VIP专享

路面面层自检资料_第1页
1/16
路面面层自检资料_第2页
2/16
路面面层自检资料_第3页
3/16
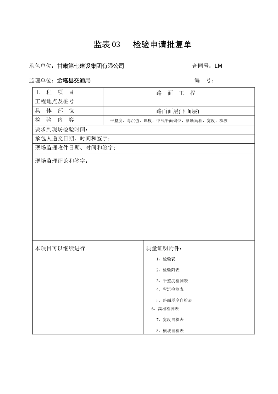
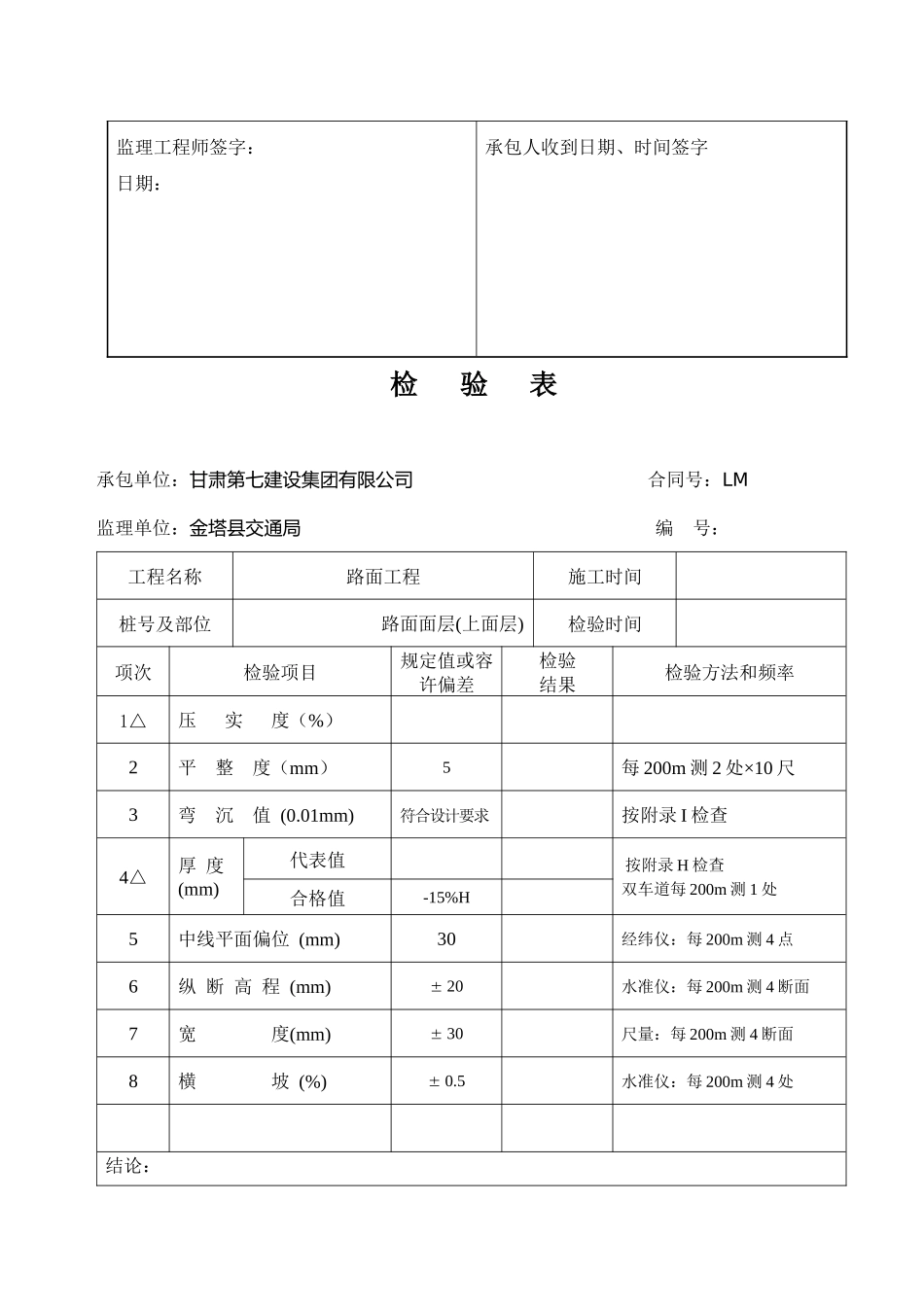
监表 03 检验申请批复单承包单位:甘肃第七建设集团有限公司 合同号:LM监理单位:金塔县交通局 编 号:工 程 项 目路 面 工 程工程地点及桩号 具 体 部 位路面面层(下面层)检 验 内 容平整度、弯沉值、厚度、中线平面偏位、纵断高程、宽度、横坡要求到现场检验时间:承包人递交日期、时间和签字: 现场监理收件日期、时间和签字:现场监理评论和签字:本项目可以继续进行质量证明附件:1、检验表2、检验附表3、平整度检测表4、弯沉检测表5、路面厚度自检表 6、高程检测表7、宽度自检表8、横坡自检表监理工程师签字:日期:承包人收到日期、时间签字检 验 表承包单位:甘肃第七建设集团有限公司 合同号:LM监理单位:金塔县交通局 编 号:工程名称路面工程施工时间桩号及部位路面面层(上面层)检验时间项次检验项目规定值或容许偏差检验结果检验方法和频率1△压 实 度(%)2平 整 度(mm)5每 200m 测 2 处×10 尺3弯 沉 值 (0.01mm) 符合设计要求按附录 I 检查4△厚 度(mm)代表值按附录 H 检查双车道每 200m 测 1 处合格值-15%H5中线平面偏位 (mm)30经纬仪:每 200m 测 4 点6纵 断 高 程 (mm) 20水准仪:每 200m 测 4 断面7宽 度(mm) 30尺量:每 200m 测 4 断面8横 坡 (%) 0.5水准仪:每 200m 测 4 处结论: 监理工程师: 日期:承包人: 日期:检验附表 现场质量检验报告单承包单位:甘肃第七建设集团有限公司 合同号:LM 监理单位:金塔县交通局 编 号:工程名称路 面 工 程施工时间桩号和部位路面面层(下面层) 检验时间基本要求拌和后的沥青混合料应均匀一致,无花白,无粗细料分离和结团成块现象。摊铺时应严格控制摊铺厚度和平整度,避开离析。项次检验项目规定值或允许偏差检验结果或检验偏差值质量评定123456789101112131415平均值代表值合格率%1压 实 度 (%)2平 整 度(mm) 5 3弯 沉 值 (0.01mm) 符合设计要求4厚 度(mm) -15%H5中 线 平 面 偏 位 (mm)30合 计外观鉴定现场监理意 见质量保证资料齐全、真实承包人: 日期: 监理工程师: 日期:检验附表 现场质量检验报告单承包单位:甘肃第七建设集团有限公司 合同号:LM 监理单位:金塔县交通局 编 号:工程名称路 面 工 程施工时间桩号和部位路面面层(下面层)检验时间基本要求拌和后的沥青混合料应均匀一致,无花白,无粗细料分离和结团成块现象。摊铺时...

1、当您付费下载文档后,您只拥有了使用权限,并不意味着购买了版权,文档只能用于自身使用,不得用于其他商业用途(如 [转卖]进行直接盈利或[编辑后售卖]进行间接盈利)。
2、本站所有内容均由合作方或网友上传,本站不对文档的完整性、权威性及其观点立场正确性做任何保证或承诺!文档内容仅供研究参考,付费前请自行鉴别。
3、如文档内容存在违规,或者侵犯商业秘密、侵犯著作权等,请点击“违规举报”。

碎片内容

路面面层自检资料

确认删除?
VIP
微信客服
  • 扫码咨询
会员Q群
  • 会员专属群点击这里加入QQ群
客服邮箱
回到顶部