电脑桌面
添加小米粒文库到电脑桌面
安装后可以在桌面快捷访问

脚手架工程施工方案VIP免费

脚手架工程施工方案_第1页
1/22
脚手架工程施工方案_第2页
2/22
脚手架工程施工方案_第3页
3/22
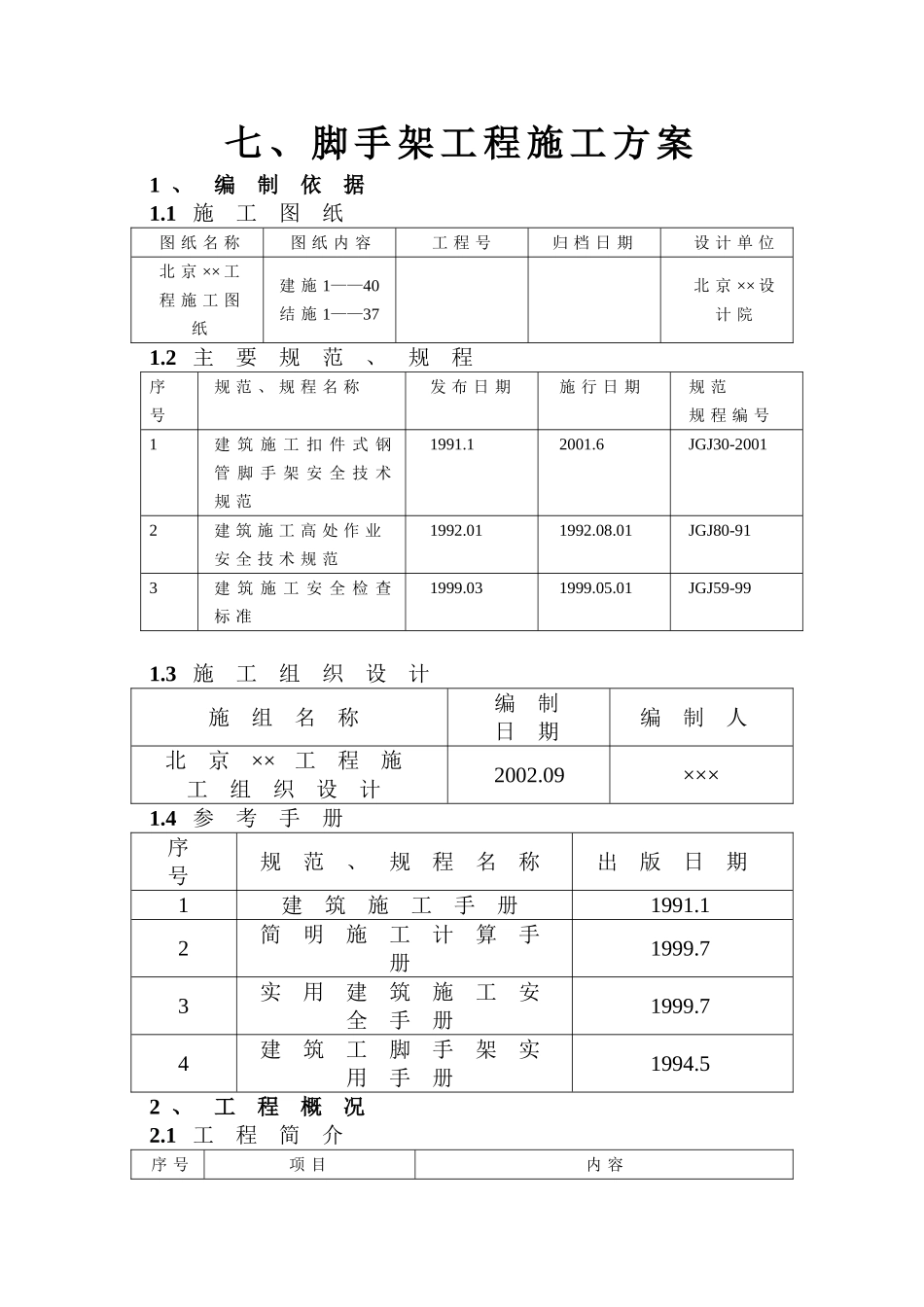
七、脚手架工程施工方案1、编制依据1.1施工图纸图纸名称图纸内容工程号归档日期设计单位北京××工程施工图纸建施1——40结施1——37北京××设计院1.2主要规范、规程序号规范、规程名称发布日期施行日期规范规程编号1建筑施工扣件式钢管脚手架安全技术规范1991.12001.6JGJ30-20012建筑施工高处作业安全技术规范1992.011992.08.01JGJ80-913建筑施工安全检查标准1999.031999.05.01JGJ59-991.3施工组织设计施组名称编制日期编制人北京××工程施工组织设计2002.09×××1.4参考手册序号规范、规程名称出版日期1建筑施工手册1991.12简明施工计算手册1999.73实用建筑施工安全手册1999.74建筑工脚手架实用手册1994.52、工程概况2.1工程简介序号项目内容1工程名称北京××工程2工程地址北京市××区××路3建设单位北京××房地产开发股份有限公司4设计单位北京××设计院5监理单位北京××工程建设监理公司6监督单位北京市海淀区质量监督站7施工单位北京××建设工程有限公司××工程项目经理部8基本情况工期质量目标350天3#结构长城杯4#市优3、施工部署3.1安全防护领导小组安全生产、文明施工是企业生存与发展的前提条件,是达到无重大伤亡事故的必然保障,也是我项目部创建“文明现场”、“样板工地”的根本要求。为此经理部成立以生产副经理为组长的安全防护领导小组,其机构组成、人员编制及责任分工如下:组长:×××(生产副经理)——负责协调工作副组长:×××(技术部长)——技术总部署×××(工程部长)——现场施工总指挥组员:×××、×××(技术员)——方案编制、技术交底×××(号长)——3#、4#两号现场施工协调×××(安全员)——现场施工指挥、质量检查3.2设计总体思路结合本工程结构形式、实际施工特点,建筑物四周搭设落地式、全高全封闭的扣件式双排钢管脚手架。此架为一架三用,既用于结构施工和装修施工,同时兼作安全防护。荷载按培育修荷载考虑,要求三层同时作业。根据设计单位提供的顶板承载极限值(活荷载5kN/m2、恒茶载6kN/m2)要进行顶板承载验算,若不满足要求,则须在地下1~2层的相应部位设回撑用的碗扣式钢管脚手架支撑。脚手架搭设采用双排双立杆。立杆距结构外沿0.35m,排距9横距)为1.1m、柱距为1.55m,大横杆步距为1.80m。4、构造要求及技术措施4.1扣件式钢管脚手架的构造要求及技术措施4.1.1地基处理肥槽回填土采用2:8灰土分层夯实,密实度采用环刀取样进行试验,表面用C10砼进行硬化,厚度为10cm。四周外脚手架以硬化的回填土作为基础,所有的基础必须平整。基础上、底座下设置垫板,其厚度不小于5cm,布设必须平稳,不得悬空。并在四周距脚手架外立杆50cm,处设一浅排水沟。4.1.2立杆全楼脚手架采用双排双立杆,立杆顶端高出结构檐口上皮1.5m,双立杆应采双管底座。立杆接头采用对接扣件连接,立杆与大横杆采用直角扣件连接。接头交错布置,两个相邻立柱接头避免出现在同步同跨内,并在高度方向错开的距离不小于50cm;各接头中心距主节点的距离不大于60cm。4.1.3大横杆大横杆置于小横杆之下,在立柱的内侧,用直角扣件与立柱扣紧;其长度大于3跨、不小于6m,同一步大横杆四周要交圈。大横杆采用对接扣件连接,其接头交错布置,不在同步、同跨内。相邻接头水平距离不小于50cm,各接头距立柱的距离不大于50cm。4.1.4小横杆每一立杆与大横杆相交处(即主节点),都必须设置一根小横杆,并采用直角扣件扣紧在大横杆上,该杆轴线偏离主节点的距离不大于15cm。小横杆间距应与立杆柱距相同,且根据作业层脚手板搭设的需要,可在两立柱之间在等间距设置增设1~2根小横杆,其最大间距不大于75cm。小横杆伸出外排大横杆边缘距离不小于10cm;伸出里排大横杆距结构外边缘15cm,且长度不大于44cm。上、下层小横杆应在立杆处错开布置,同层的相临小横杆在立柱处相向布置,见附图012所示。4.1.5纵、横向扫地杆纵向扫地杆采用直角扣件固定在距底座下皮20cm处的立柱上,横向扫地杆则用直角扣件固定在紧靠纵向扫地杆下方的立柱上。北侧裙房顶板存在较大高差,则将高处的纵向扫地杆向低处延长两跨与立柱固定。靠边坡的立柱轴线到边坡的距离不小于50cm,并对...

1、当您付费下载文档后,您只拥有了使用权限,并不意味着购买了版权,文档只能用于自身使用,不得用于其他商业用途(如 [转卖]进行直接盈利或[编辑后售卖]进行间接盈利)。
2、本站所有内容均由合作方或网友上传,本站不对文档的完整性、权威性及其观点立场正确性做任何保证或承诺!文档内容仅供研究参考,付费前请自行鉴别。
3、如文档内容存在违规,或者侵犯商业秘密、侵犯著作权等,请点击“违规举报”。

碎片内容

脚手架工程施工方案

最好的沉淀+ 关注
实名认证
内容提供者

行业文档

确认删除?
VIP
微信客服
  • 扫码咨询
会员Q群
  • 会员专属群点击这里加入QQ群
客服邮箱
回到顶部