电脑桌面
添加小米粒文库到电脑桌面
安装后可以在桌面快捷访问

模板支架计算书VIP免费

模板支架计算书_第1页
1/7
模板支架计算书_第2页
2/7
模板支架计算书_第3页
3/7
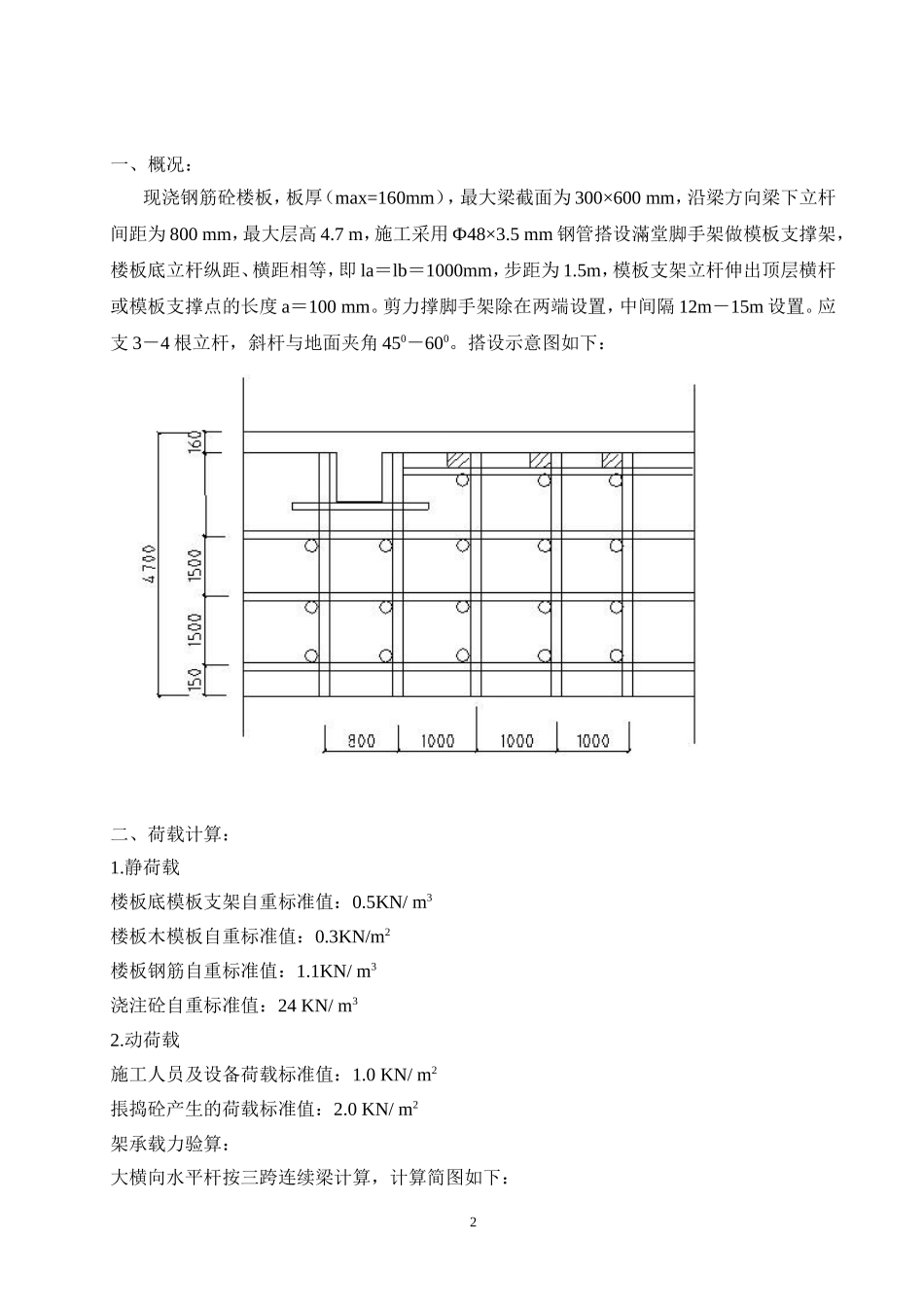
模板支架计算书1一、概况:现浇钢筋砼楼板,板厚(max=160mm),最大梁截面为300×600mm,沿梁方向梁下立杆间距为800mm,最大层高4.7m,施工采用Ф48×3.5mm钢管搭设滿堂脚手架做模板支撑架,楼板底立杆纵距、横距相等,即la=lb=1000mm,步距为1.5m,模板支架立杆伸出顶层横杆或模板支撑点的长度a=100mm。剪力撑脚手架除在两端设置,中间隔12m-15m设置。应支3-4根立杆,斜杆与地面夹角450-600。搭设示意图如下:二、荷载计算:1.静荷载楼板底模板支架自重标准值:0.5KN/m3楼板木模板自重标准值:0.3KN/m2楼板钢筋自重标准值:1.1KN/m3浇注砼自重标准值:24KN/m32.动荷载施工人员及设备荷载标准值:1.0KN/m2掁捣砼产生的荷载标准值:2.0KN/m2架承载力验算:大横向水平杆按三跨连续梁计算,计算简图如下:2q作用大横向水平杆永久荷载标准值:qK1=0.3×1+1.1×1×0.16+24×1×0.16=4.32KN/m作用大横向水平杆永久荷载标准值:q1=1.2qK1=1.2×4.32=5.184KN/m作用大横向水平杆可变荷载标准值:qK2=1×1+2×1=3KN/m作用大横向水平杆可变荷载设计值:q2=1.4qK2=1.4×3=4.2KN/m大横向水平杆受最大弯矩M=0.1q1Ib2+0.117q2Ib2=0.1×5.184×12+0.117×4.2×12=1.01KN/m抗弯强度:σ=M/W=1.01×106/5.08×103=198.82N/m2<205N/m2=f滿足要求挠度:V=14×(0.667q1+0.99qK2)/100EI=14×(0.667×5.184+0.99×3)/100×2.06×105×12.19×104=2.6mm<5000/1000=5mm滿足要求3.扣件抗滑力计算大横向水平杆传给立杆最大竖向力R=1.1q1Ib+1.2q2Ib=1.1×5.184×1+1.2×4.2×1=10.74KN>8KN,不能滿足,应采取措施,紧靠立杆原扣件下立端,增设一扣件,在主节点处立杆上为双扣件,即R=10.74KN<16KN,滿足要求。4.板下支架立杆计算:支架立杆的轴向力设计值为大横杆传给立杆最大竖向力与楼板底模板支架自重产生的轴向力设计值之和,即:N=R+0.5×1.2+10.74+0.5×1.2=11.34KN模板支架立杆的计算长度I0=h+2a=1.5+2×0.1=1.7m3取长度系数μ=1.5λ=I0/I=KμI0/i取K=1,λ=1.5×170/1.58=161.39<〔λ〕=210,滿足要求取K=1.155λ=1.155×1.5×170/1.58=186.4Ψ=0.207验算支架立杆稳定性,即N/ΨA=11.34×103/0.207×489=112.03N/mm2<205N/mm2=f,滿足要求5.梁下立杆强度计算(计算1.6m范围,其下为4根立杆)荷载计算静荷载:梁下钢模板自重标准值:0.5KN/m2梁钢筋自重标准值:1.1KN/m2新浇筑砼自重标准值:24KN/m2动荷载:施工人员及设备荷载标准值:1.0KN/m2掁捣砼产生的荷载标准值:2.0KN/m2qK1=0.3×1.6×0.3+1.1×1.6×0.3×2+24×1.6×0.3×2=0.24+1.056+23.04=24.34KN/mq1=1.2×qK1=1.2×24.34=29.21=29.21KN/mqK2=1×1.6×0.3+2×1.6×0.3=1.44KN/mq2=1.2×qK2=1.4×1.44=2.02KN/m每根立杆受力(29.21+2.02)/4=7.812KN/m(2)模板支架立杆的计算长度l0=h+2a=1.5+2×0.1=1.7m取长度系数μ=1.5λ=I0/i=KμI0/i取K=1,λ=1×1.5×170/1.58=161.39<〔λ〕=210,滿足要求取K=1.155λ=1.155×1.5×170/1.58=186.4Ψ=0.207(3)验算支架立杆稳定性,即N/ΨA=7.81×103/0.207×489=77.16N/mm2<205N/mm2=f,滿足要求46.模板的安装及拆除要求。6.1.模板的安装质量要求:6.1.1.组合钢模板安装完毕后,应按《砼结构工程施工及验收规范》GB50204—92,《组合钢模板技术规范》GBJ214—89的有关规定,进行全面检查,合格验收后方能进行下道工序施工。6.1.2.组装的模板必须符合施工设计的要求。6.1.3.组装的模板的配件、支撑件、连接件必须安装牢固无松动,且拼缝严密。6.1.4.各种预埋件、预留孔洞位置准确、固定牢固。6.1.5.模板安装的允许偏差按下表一执行。5序号项目允许偏差(mm)1轴线位置52底模上表面标高±53截面内部尺寸基础±10柱、墙、梁+4、-54层高垂直全高≤5m6全主>m85相邻两板面高低差26表面平整(2m长度上)56.1.6.预埋件和留孔洞允许偏差。序号项目允许偏差(mm)1预埋钢板中心线位置32预留孔中心线位置33预埋件插筋中心线位置2外露长度+104预留洞中心线线10截面内部尺...

1、当您付费下载文档后,您只拥有了使用权限,并不意味着购买了版权,文档只能用于自身使用,不得用于其他商业用途(如 [转卖]进行直接盈利或[编辑后售卖]进行间接盈利)。
2、本站所有内容均由合作方或网友上传,本站不对文档的完整性、权威性及其观点立场正确性做任何保证或承诺!文档内容仅供研究参考,付费前请自行鉴别。
3、如文档内容存在违规,或者侵犯商业秘密、侵犯著作权等,请点击“违规举报”。

碎片内容

模板支架计算书

确认删除?
VIP
微信客服
  • 扫码咨询
会员Q群
  • 会员专属群点击这里加入QQ群
客服邮箱
回到顶部