电脑桌面
添加小米粒文库到电脑桌面
安装后可以在桌面快捷访问

市政工程给水施工技术交底

市政工程给水施工技术交底_第1页
1/4
市政工程给水施工技术交底_第2页
2/4
市政工程给水施工技术交底_第3页
3/4
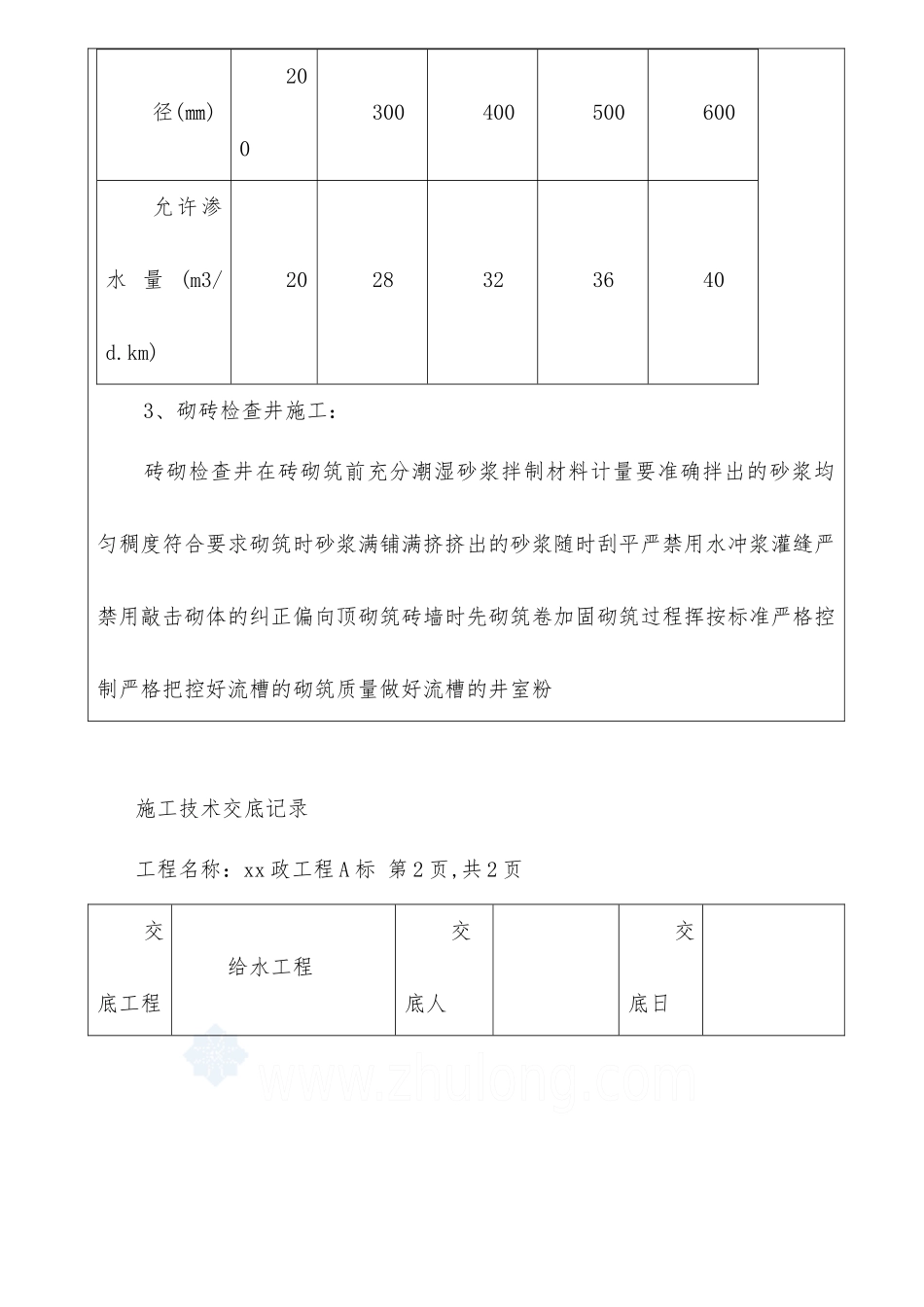
施工技术交底记录工程名称:xx 政工程 A 标 页,共 2 页交底工程给水工程交底人交底日交底内容:本工程道除 DN400 跨越梁时采纳钢外其余均采纳给水用 HDPE。1、下:〔1〕把子完好无损地下到沟槽子两端不要碰撞槽帮不要污染子。〔2〕如体标有向上放的标志注意在摆时把标志放在子顶。2、给水道安装施工:HDPE 给水道安装施工:把要施工的两根子保持程度状道安装检查及接口施工完毕形成一个闭水环后进度。闭水试验前在闭水井段两端用 M7.5 砂浆 100#砖进度封堵后进度。是在道内江灌满水经 24 小时后进度。闭水试验的水位应为试验段上道内顶以上 2 米时如上顶至检查井口的高度小于 2 米时闭水试验水位可至井口为止。对渗水量测定时间>30 分钟后即测定其时间沉降量并计算长渗水量此渗水量必须满足?给水排水道施工及验收标准?。排水闭水试验允许渗水量表表 4.4径(㎜)200300400500600允许渗水 量 (m3/d.km)20283236403、砌砖检查井施工:砖砌检查井在砖砌筑前充分潮湿砂浆拌制材料计量要准确拌出的砂浆均匀稠度符合要求砌筑时砂浆满铺满挤挤出的砂浆随时刮平严禁用水冲浆灌缝严禁用敲击砌体的纠正偏向顶砌筑砖墙时先砌筑卷加固砌筑过程挥按标准严格控制严格把控好流槽的砌筑质量做好流槽的井室粉施工技术交底记录工程名称:xx 政工程 A 标 第 2 页,共 2 页交底工程给水工程交底人交底日交底内容:刷工作。检查井盖板采纳预制场集中预制然后用员装安置。4、道回填土:〔1〕回填砂局部采纳分层回填分层灌水并夯实分层做度检测。〔2〕回填土时注意保证土方的质量以顶以上 40㎝范围以内将不含〔3〕去除所粘在子外表上的泥土等杂物及水分〔4〕将电热熔带及锁紧扣带放在子的连接部位并包紧〔5〕把锁紧扣带用夹钳扣紧〔6〕把热熔机电源与电热熔带相接设定加热时间后启动热熔机〔绿灯亮〕热熔情况〔7〕红灯亮时电热熔过程完成。关掉电源再一次用夹钳扣紧扣带并保持一定的冷却时间〔8〕电热熔带充分冷却后〔夏季:20 分钟冬季:10 分钟〕把锁紧扣带松开施工完毕〔9〕施工工具及附件:锁紧扣带、夹钳、热熔机、发电机〔电源〕、电线等5、安装考前须知:〔1〕道弯头和部件有推力〔水〕作用时应设支墩防止脱开。〔2〕用的光滑剂对水、胶圈、材料、人无副作用。〔3〕试压之后复查子如有变形或损坏必须重装或修理。承受交底人〔签字〕:

1、当您付费下载文档后,您只拥有了使用权限,并不意味着购买了版权,文档只能用于自身使用,不得用于其他商业用途(如 [转卖]进行直接盈利或[编辑后售卖]进行间接盈利)。
2、本站所有内容均由合作方或网友上传,本站不对文档的完整性、权威性及其观点立场正确性做任何保证或承诺!文档内容仅供研究参考,付费前请自行鉴别。
3、如文档内容存在违规,或者侵犯商业秘密、侵犯著作权等,请点击“违规举报”。

碎片内容

市政工程给水施工技术交底

您可能关注的文档

确认删除?
VIP
微信客服
  • 扫码咨询
会员Q群
  • 会员专属群点击这里加入QQ群
客服邮箱
回到顶部