电脑桌面
添加小米粒文库到电脑桌面
安装后可以在桌面快捷访问

市政检测频率

市政检测频率_第1页
1/5
市政检测频率_第2页
2/5
市政检测频率_第3页
3/5
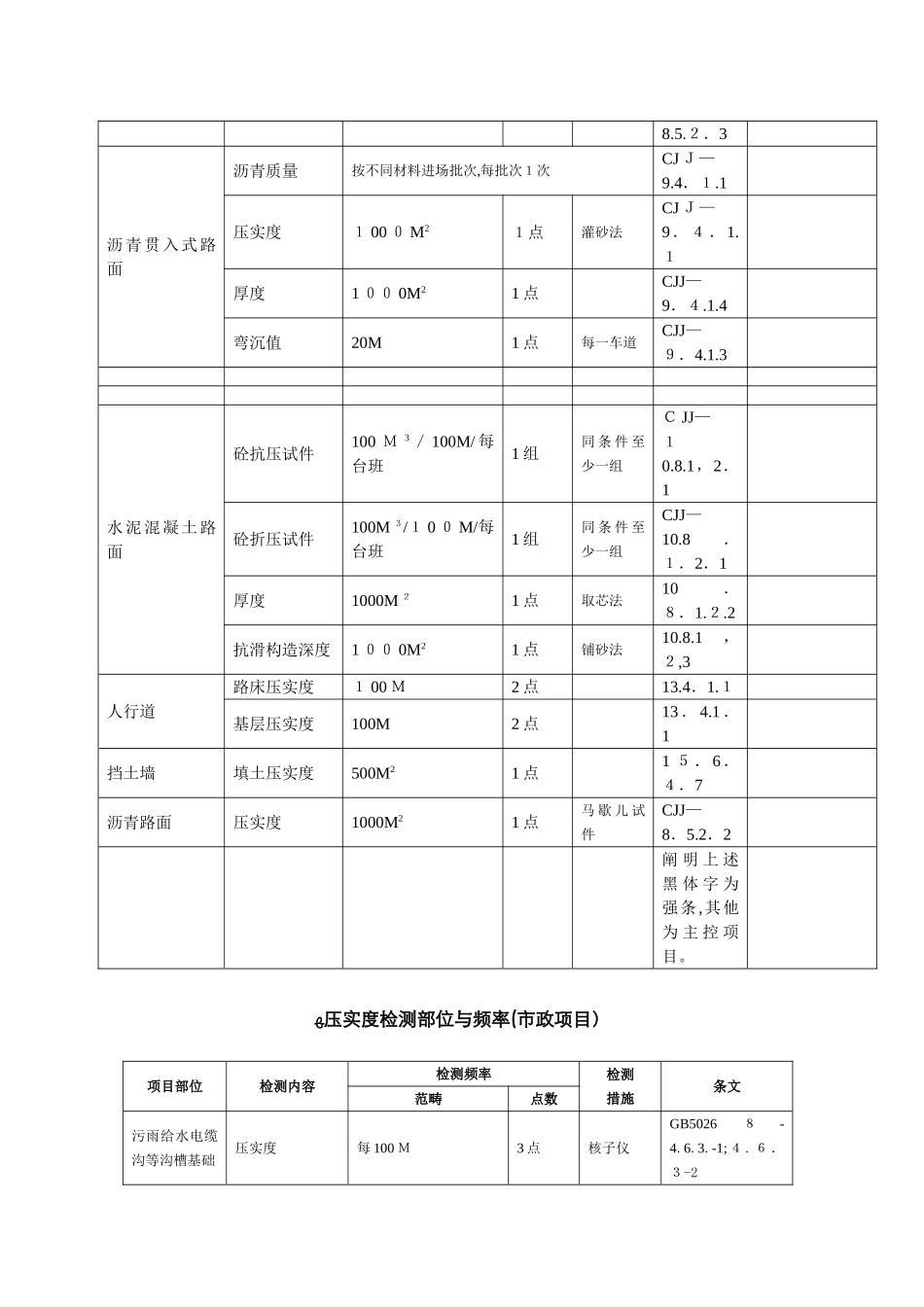
一 给排水工程有关检测内容与频率项目检测内容检测频率部位条文本项目图纸检测规定范畴点数污水管压实度每一管段(两井之间或 m2)每 层 每侧 3 点管 顶 、 管侧、沟槽GB 502 6 8- 4 .6.3.-1; 4.6.3-2沟 底 30 c m 素土,30c m三七灰土,压实度都是 95%,然后浇筑管基砼,地基承载力不不不小于1 0 0Kpa。雨水管压实度检查井回填压实度每层1道路面层一下1米至井底三七灰土给水管压实度50M3 点管顶、管侧检查井砌体砌筑砂浆试件50 M3砌体或每台班1 组砂浆GB 50 26 8-8.5.1.2检查井盖承载力每批1 组成品GB.50268-1.0.3 未开展管道砼基础砼抗压强度1 0 0 M3/1 00 M/每台班1组砼GB 50 14 1- 6.2.8.2给 水 管 道 功能实验水压实验每一 k m内1组给水管道G B.50268-1.0.3 未开展给 水 管 道 冲洗 与 消 毒 功能实验水质化验水质检测部门进行检测给水管道G B.5026 8-9 . 1 .10. 未 开展污 水 管 道 功能实验严密性实验(闭水实验)每五个检查井段,管70 0以上抽三分之一1 组检查井G B.5026 8-9.1.1 0 未开展排 水 管 道 功能实验严密性实验(闭气实验)GB.5 0 26 8-9.1.10 未开展些压力钢管焊缝检测全数1 0%焊缝GB.502 6 8-5.3.17.4外防腐层厚度厚度检测每 20 根和每个补口各1组防腐层G B.50 268-5.10.4外电火花检漏全数全数每根防腐层GB.50 26 8-5.1 0.4二.城乡道路工程有关检测内容与频率项目检测内容检 测 频 率部位条文范畴点数路基、路床压实度100 0M23点每层CJJ—6.8.1.1弯沉值20M1 点每一车道C J J—6.8.1.2路肩压实度1 0 0 M1点每侧C JJ—6 . 8 . 3.2反压护道压实度200M3点护道C J J—6.8.4.3上、下基层压实度100 0 M21点每层C J J—7.8.2弯沉值2 0 M1 点每一车道CJJ—7.8.37d 无侧限抗压M21 点每组 6 个CJJ—7.8.2,3热拌沥青混合料路面沥青质量石油沥青 1 0 0t 为一批、改性沥青 50t 为一批或进场批次CJJ—8.5.1.1压实度10 0 0M 21点马 歇 儿 试件CJJ—8.5.2.2厚度1 0 0 0 M 21 点C JJ—8.5.2.2弯沉值2 0M1 点每一车道C JJ—8.5.2.2冷沥青混合料路面沥青质量按产品进场批次和产品抽样检查方案拟定CJJ—8.5.2.1压实度10 0 0 M 21 点CJJ—8.5.2.2厚度1000 M 21 ...

1、当您付费下载文档后,您只拥有了使用权限,并不意味着购买了版权,文档只能用于自身使用,不得用于其他商业用途(如 [转卖]进行直接盈利或[编辑后售卖]进行间接盈利)。
2、本站所有内容均由合作方或网友上传,本站不对文档的完整性、权威性及其观点立场正确性做任何保证或承诺!文档内容仅供研究参考,付费前请自行鉴别。
3、如文档内容存在违规,或者侵犯商业秘密、侵犯著作权等,请点击“违规举报”。

碎片内容

市政检测频率

确认删除?
VIP
微信客服
  • 扫码咨询
会员Q群
  • 会员专属群点击这里加入QQ群
客服邮箱
回到顶部