电脑桌面
添加小米粒文库到电脑桌面
安装后可以在桌面快捷访问

第二章习题与思考题VIP免费

第二章习题与思考题_第1页
1/29
第二章习题与思考题_第2页
2/29
第二章习题与思考题_第3页
3/29
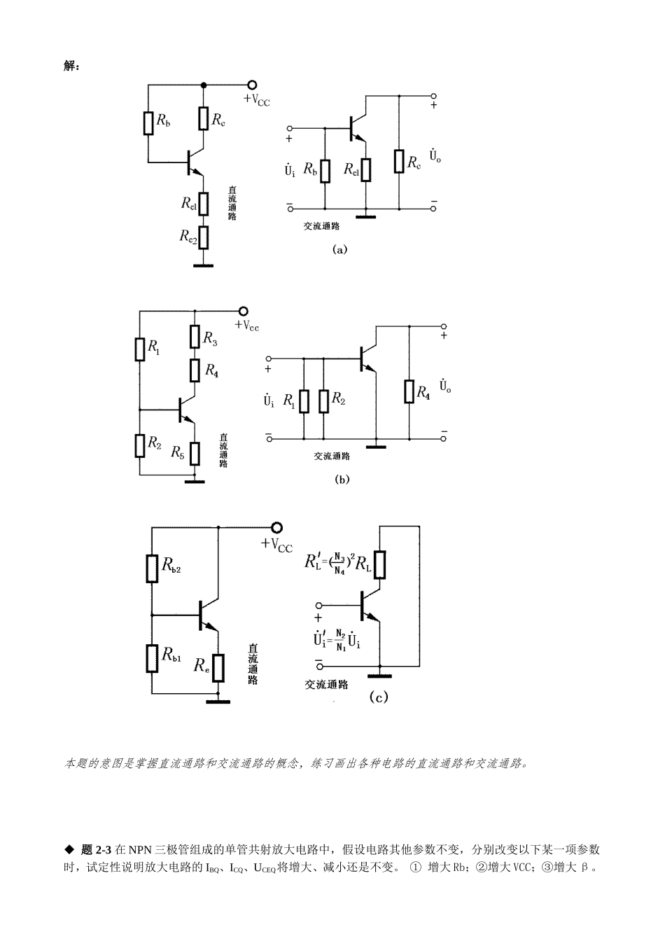
第二章习题与思考题◆题2-1试判断图P2-1中各放大电路有无放大作用,简单说明理由。解:(a)无放大作用,不符合“发射结正偏,集电结反偏”的外部直流偏置要求;(b)不能正常放大,三极管发射结没有偏置(正偏);(c)无放大作用,三极管集电结没有偏置(反偏);(d)无放大作用,三极管发射结没有偏置(正偏);(e)有放大作用(电压放大倍数小于1);(f)无放大作用,电容C2使输出端对地交流短路,输出交流电压信号为0;(g)无放大作用,电容Cb使三极管基极对地交流短路,输入交流信号无法加至三极管基极;(h)不能正常放大,场效应管栅源之间无直流偏置;(i)无放大作用,VGG的极性使场效应管不能形成导电沟道。本题的意图是掌握放大电路的组成原则和放大原理。◆题2-2试画出P2-2中各电路的直流通路和交流通路。设电路中的电容均足够大,变压器为理想变压器。解:本题的意图是掌握直流通路和交流通路的概念,练习画出各种电路的直流通路和交流通路。◆题2-3在NPN三极管组成的单管共射放大电路中,假设电路其他参数不变,分别改变以下某一项参数时,试定性说明放大电路的IBQ、ICQ、UCEQ将增大、减小还是不变。①增大Rb;②增大VCC;③增大β。解:①②③本题的意图是理解单管共射放大电路中各种参数变化时对Q点的影响。◆题2-4在图2.5.2所示NPN三极管组成的分压式工作点稳定电路中,假设电路其他参数不变,分别改变以下某一项参数时,试定性说明放大电路的IBQ、ICQ、UCEQ、rbe和将增大、减小还是不变。①增大Rb1;②增大Rb2;③增大Re;④增大β。解:①②③④本题的意图是理解分压式稳定Q放大电路中各种参数变化时对Q点和电压放大倍数的影响。◆题2-5设图P2-5中的三极管β=100,UBEQ=0.6V,VCC=12V,Rc=3kΩ,Rb=120kΩ。求静态工作点处的IBQ、ICQ和UCEQ值。解:本题的意图是学习运用静态分析的基本方法求解一个简单的但课堂上并未讲过的放大电路的静态工作点。◆题2-6已知图P2-2(a)中:Rb=510kΩ,Rc=10kΩ,RL=1.5kΩ,VCC=10V。三极管的输出特性如图(b)所示。①试用图解法求出电路的静态工作点,并分析这个工作点选得是否合适;②在VCC和三极管不变的情况下,为了把三极管的静态集电极电压UCEQ提高到5V左右,可以改变哪些参数?如何改法?③在VCC和三极管不变的情况下,为了使ICQ=2mA,UCEQ=2V,应改变哪些参数?改成什么数值?解:①先由估算法算出IBQ然后,由式,在输出特性曲线上画出直流负载线,其与横、纵两个坐标轴的交点分别未(10V,0)和(0,1mA),直流负载线与iB=20uA的一条输出特性曲线的交点Q1即为静态工作点。由Q1可得,UCEQ≈0.5V,ICQ=0.95mA。可见,Q1点靠近饱和区,位置不太合适,容易产生饱和失真。②在VCC和三极管不变的情况下,为了把三极管的静态集电极电压UCEQ提高到5V左右,可以改变的参数只有Rb和(或)Rc,有以下几种方法:1)同时减小Rb和Rc,如图中Q2点;2)Rb不变,减小Rc,如图中Q’2点;3)Rc不变,增大Rb,如图中Q’’2点;4)同时增大Rb和Rc,静态工作点在图中Q’’2点以下。③在VCC和三极管不变的情况下,为了使ICQ=2mA,UCEQ=2V,可以改变的参数只有Rb和(或)Rc。将iC=ICQ=2mA,uCE=UCEQ=2V的一点与横坐标轴上uCE=10V的一点相连即可得到此时的直流负载线,此时集电极电阻为,由图可见,Q3点处IBQ=40uA,则,因此,需要减小Rb和Rc为:Rc=4kΩ,Rb=250kΩ。本题的意图是训练用图解法求Q点,并分析电路参数对Q点的影响。◆题2-7放大电路如图P2-7(a)所示。试按照给定参数,在图P2-7(b)中:①画出直流负载线;②定出Q点(设UBEQ=0.7V);③画出交流负载线。解:①直流负载线方程为,据此,过横、纵两个坐标轴上两点(15,0)和(0,5)作一条直线,即为直流负载线。②由给定电路的直流通路可得:,则iC=ICQ=2.6mA的一条水平直线与直流负载线的交点即为Q,由图可知,UCEQ=7.2V。③,交流负载线过Q点且斜率为,如图所示。本题的意图是训练用图解法进行静态和动态分析。◆题2-8在图P2-7(a)电路中,如输出电压波形为,试问:①电路产生截止失真还是饱和失真?②应如何调整电路参数以消除失真?解:①电路产生饱和失真;②应降低Q点,为此可增大Rb2或减...

1、当您付费下载文档后,您只拥有了使用权限,并不意味着购买了版权,文档只能用于自身使用,不得用于其他商业用途(如 [转卖]进行直接盈利或[编辑后售卖]进行间接盈利)。
2、本站所有内容均由合作方或网友上传,本站不对文档的完整性、权威性及其观点立场正确性做任何保证或承诺!文档内容仅供研究参考,付费前请自行鉴别。
3、如文档内容存在违规,或者侵犯商业秘密、侵犯著作权等,请点击“违规举报”。

碎片内容

第二章习题与思考题

确认删除?
VIP
微信客服
  • 扫码咨询
会员Q群
  • 会员专属群点击这里加入QQ群
客服邮箱
回到顶部