电脑桌面
添加小米粒文库到电脑桌面
安装后可以在桌面快捷访问

放射工作人员职业健康检查表7

放射工作人员职业健康检查表7_第1页
1/17
放射工作人员职业健康检查表7_第2页
2/17
放射工作人员职业健康检查表7_第3页
3/17
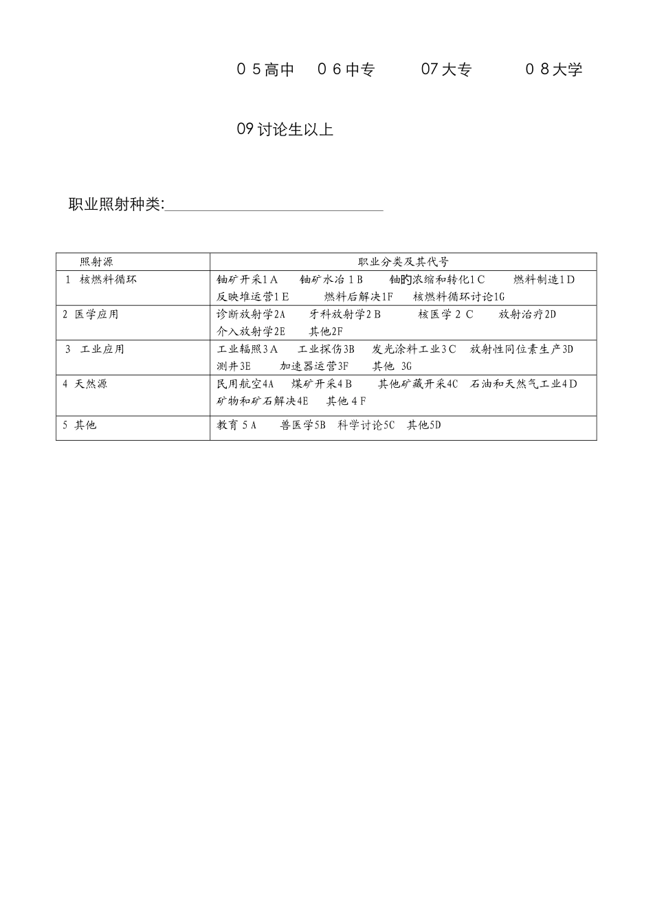
附件 3编号: 粘贴身份证复印件处 类别: 上岗前 ( )在 岗 期 间( )离 岗 时 ( )应急照射( )事 故 照 射( )放射工作人员职业健康检查表姓 名: 工作单位: 单位电话: 体检单位: 检查日期: 血常规和白细胞分类 尿常规 肝功能 肾功能 微核 染色体 内科、皮肤科检查 眼科检查 胸片 心电图 腹部B超中华人民共和国卫生部印制ﻬ单位地址:ﻩﻩﻩ 邮政编码:□□□□□□ 联系人: 电话: (个人基本资料)姓 名: 性 别:ﻩ 出生日期: 年 月 日出生地: 民 族: 职务/职称: 居民身份证号码:□□□□□□□□□□□□□□□□□□家庭地址: 邮政编码:□□□□□□个人联系电话: 文化限度: 01 小学 02 初中 03 技校 0 4 职高 0 5高中 0 6中专 07 大专 0 8 大学 09 讨论生以上职业照射种类: 照射源职业分类及其代号1 核燃料循环铀矿开采1A 铀矿水冶1B 铀浓缩和转化旳1C 燃料制造1D反映堆运营1E 燃料后解决1F 核燃料循环讨论1G2 医学应用诊断放射学2A 牙科放射学2B 核医学2C 放射治疗2D介入放射学2E 其他2F3 工业应用工业辐照3A 工业探伤3B 发光涂料工业3C 放射性同位素生产3D测井3E 加速器运营3F 其他 3G4 天然源民用航空4A 煤矿开采4B 其他矿藏开采4C 石油和天然气工业4D矿物和矿石解决4E 其他4F5 其他教育5A 兽医学5B 科学讨论5C 其他5D非放射工作职业史起止年月工 作 单 位部 门工 种有害因素种类、名称防 护 措 施放射工作职业史项 目 年 月 ~ 年 月 年 月 ~ 年 月 年 月 ~ 年 月工作单位部门工种放射线种类每日工作时数或工作量累积受照剂量过量照射史备注既往患病史(涉及职业病史)编号疾 病 名 称诊断日期诊 断 单 位治 疗 经 过转 归月经史初潮(岁) 末次月经或停经年龄: 婚姻史结婚日期: 年 月 日 配偶接触放射线状况: 配偶职业及健康状况: 生育史经期(天)周期(天)孕次: , 活产: 次, 早产: 次, 死产: 次, 自然流产: 次,畸胎: 次,多胎: 次,异位妊娠: 次,不孕不育因素: 既有男孩 人,出生日期: 年 月;女孩 人,出生日期: 年 月子女健康状况: 个人生活史(长期生活地区,饮食习惯,有无地方病流行地区或疫区生活史、药物滥用状况及烟酒嗜好等) 不吸烟 间或吸烟 常常吸烟 , 支/天, 共 年,戒烟 年不饮酒 间或饮酒 常常饮酒 , ...

1、当您付费下载文档后,您只拥有了使用权限,并不意味着购买了版权,文档只能用于自身使用,不得用于其他商业用途(如 [转卖]进行直接盈利或[编辑后售卖]进行间接盈利)。
2、本站所有内容均由合作方或网友上传,本站不对文档的完整性、权威性及其观点立场正确性做任何保证或承诺!文档内容仅供研究参考,付费前请自行鉴别。
3、如文档内容存在违规,或者侵犯商业秘密、侵犯著作权等,请点击“违规举报”。

碎片内容

放射工作人员职业健康检查表7

文旅传媒+ 关注
实名认证
内容提供者

传播文化,成就未来

确认删除?
VIP
微信客服
  • 扫码咨询
会员Q群
  • 会员专属群点击这里加入QQ群
客服邮箱
回到顶部