电脑桌面
添加小米粒文库到电脑桌面
安装后可以在桌面快捷访问

设备TPM管理用表

设备TPM管理用表_第1页
1/18
设备TPM管理用表_第2页
2/18
设备TPM管理用表_第3页
3/18
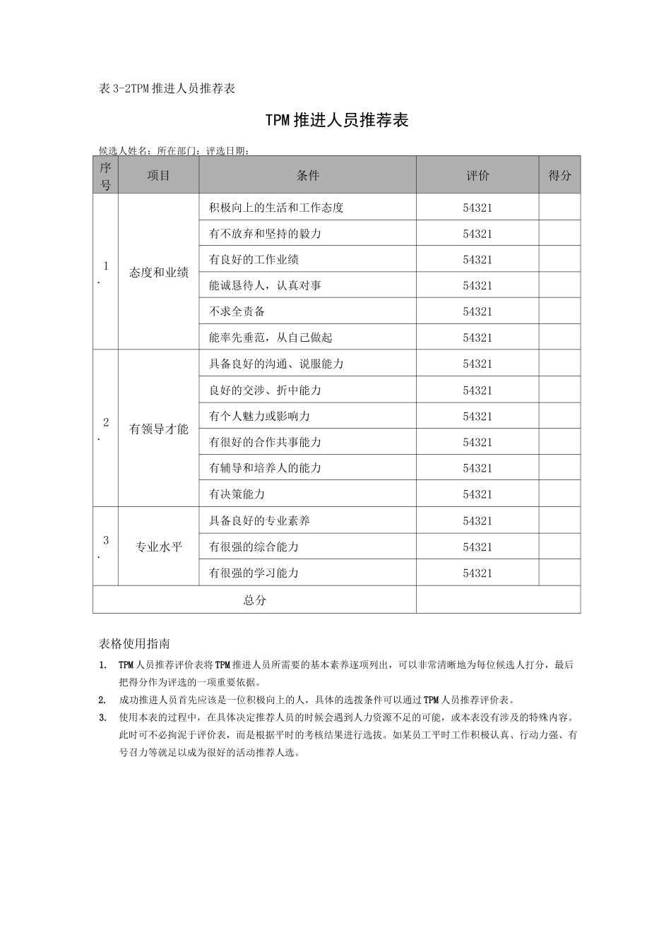
表 3-1TPM 改善计划TPM 改善计划序号阶段活动步骤计划起止时间备注开始日期结束日期1.导入准备阶段公司高层宣布导入活动TPM 培训和宣传推进组织的决定活动方针和目标设定制作 TPM 活动大计划2.导入开始正式启动 TPM 活动3.活动实施阶段个别改善、自主保养、计划保养设备初期管理体制确立品质保养间接管理部门建立安全卫生与环境管理体制4.活动提高阶段活动成果总结自主管理体制的进一步建立和完善表格使用指南1.TPM 计划表将 TPM 规划分为两个层次 TPM 推进委员会制定的战略规划和 TPM 推进工作室制定的战术规划有机结合,使企业在制定 TPM 计划时能够宏观与细节并重。2.要注意的是表中列出的只是活动的导入过程,导入结束并不意味着活动结束,TPM 活动要求长期、持续、有效、自主地推进下去。表 3-2TPM 推进人员推荐表TPM 推进人员推荐表候选人姓名:所在部门:评选日期:序号项目条件评价得分1.态度和业绩积极向上的生活和工作态度54321有不放弃和坚持的毅力54321有良好的工作业绩54321能诚恳待人,认真对事54321不求全责备54321能率先垂范,从自己做起543212.有领导才能具备良好的沟通、说服能力54321良好的交涉、折中能力54321有个人魅力或影响力54321有很好的合作共事能力54321有辅导和培养人的能力54321有决策能力543213.专业水平具备良好的专业素养54321有很强的综合能力54321有很强的学习能力54321总分表格使用指南1.TPM 人员推荐评价表将 TPM 推进人员所需要的基本素养逐项列出,可以非常清晰地为每位候选人打分,最后把得分作为评选的一项重要依据。2.成功推进人员首先应该是一位积极向上的人,具体的选拨条件可以通过 TPM 人员推荐评价表。3.使用本表的过程中,在具体决定推荐人员的时候会遇到人力资源不足的可能,或本表没有涉及的特殊内容。此时可不必拘泥于评价表,而是根据平时的考核结果进行选拔。如某员工平时工作积极认真、行动力强、有号召力等就足以成为很好的活动推荐人选。表 3-3 设备自主保全诊断表设备自主保全诊断表第一队名,初期清扫诊断者设备诊断日期课长领导序号诊断项目诊断的要点差较差般较好好注意事项1分2分3分4分5分1.机械主体的清扫① 是否有垃圾、灰尘、油污、碎屑工件② 工具的状态(夹具部、卡盘部、滑动部、滑槽部机架、工作台、配管、配线等)① 是否有松动、振动、磨损、发热② 螺栓、螺母、夹具、旋转、滑动部、滑槽等的状态2.附属机器的清扫,油、空压、水等的循环系...

1、当您付费下载文档后,您只拥有了使用权限,并不意味着购买了版权,文档只能用于自身使用,不得用于其他商业用途(如 [转卖]进行直接盈利或[编辑后售卖]进行间接盈利)。
2、本站所有内容均由合作方或网友上传,本站不对文档的完整性、权威性及其观点立场正确性做任何保证或承诺!文档内容仅供研究参考,付费前请自行鉴别。
3、如文档内容存在违规,或者侵犯商业秘密、侵犯著作权等,请点击“违规举报”。

碎片内容

设备TPM管理用表

wxg+ 关注
实名认证
内容提供者

该用户很懒,什么也没介绍

确认删除?
VIP
微信客服
  • 扫码咨询
会员Q群
  • 会员专属群点击这里加入QQ群
客服邮箱
回到顶部