电脑桌面
添加小米粒文库到电脑桌面
安装后可以在桌面快捷访问

钻孔桩钢筋加工与安装作业指导书VIP免费

钻孔桩钢筋加工与安装作业指导书_第1页
1/6
钻孔桩钢筋加工与安装作业指导书_第2页
2/6
钻孔桩钢筋加工与安装作业指导书_第3页
3/6
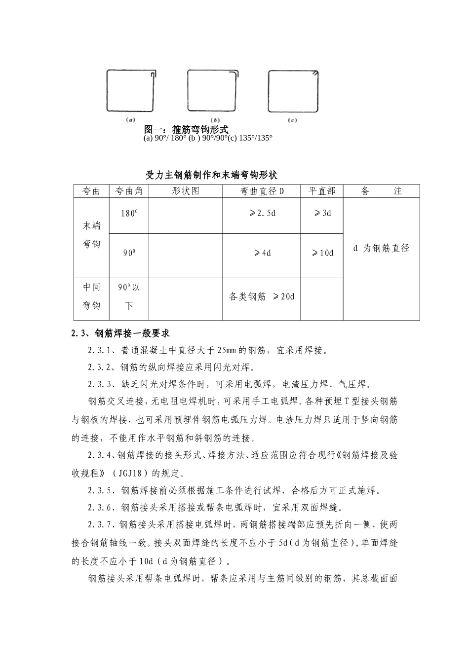
钻孔桩钢筋加工与安装作业指导书1、适用条件、范围本作业指导书适用于安邵高速TJ1标桥梁桩基工程的钻孔灌注桩钢筋施工。2、编制依据2.1安邵高速公路TJ1标两阶段施工设计图第三册《桥梁、涵洞设计图》;2.2《公路桥涵施工技术规范》及其它交通部现行的设计规范、施工规范、验收标准等有关文件;2.3《湖南省高速公路精细化施工实施细则》;3、施工工艺3.1、钢筋进料在桥梁工程施工中,钢筋在工程结构方面和受力方面起着非常重要的作用,由于工程结构物体有的很大,而出厂的钢筋一般每根长在9-12m左右,故而在使用时钢筋需要焊接。钢筋在进场时,必须按不同钢种、等级、牌号、规格及生产厂家分批验收,分别堆存,不得混杂,且应设立识别标志,钢筋在运输过程中,应避免锈蚀和污染。钢筋进场时,要有出厂质量证明和使用试验报告单,钢筋堆放时应垫高并加遮盖。3.2、钢筋加工一般要求钢筋在下料时,应进行除锈和去污;钢筋应平直,无弯折。加工后的钢筋不应有削弱钢筋截面的伤痕。受拉光圆钢筋的末端作成180°的半圆型弯钩,弯钩的弯曲直径应不小于2.5d,弯钩的直线段不小于3d。受拉带肋钢筋的末端作成直角型弯钩,钩端的直线段不小于10d,直钩的弯曲直径不小于4d。一般结构光圆钢筋制成的箍筋的末端应有弯钩,弯钩的弯曲直径应大于受力主钢筋的直径,且不小于2.5d,弯钩直线段不小于箍筋直径的5d。有抗震要求的结构,不应小于10d。弯钩的形式,如无设计要求,可按下图一(a)、(b)加工,有抗震要求的,应按图一(c)加工。受力主钢筋制作和末端弯钩形状夸曲部位夸曲角度形状图弯曲直径D平直部分长度备注末端弯钩1800≥2.5d≥3dd为钢筋直径900≥4d≥10d中间弯钩900以下各类钢筋≥20d2.3、钢筋焊接一般要求2.3.1、普通混凝土中直径大于25mm的钢筋,宜采用焊接。2.3.2、钢筋的纵向焊接应采用闪光对焊。2.3.3、缺乏闪光对焊条件时,可采用电弧焊,电渣压力焊、气压焊。钢筋交叉连接,无电阻电焊机时,可采用手工电弧焊。各种预埋T型接头钢筋与钢板的焊接,也可采用预埋件钢筋电弧压力焊。电渣压力焊只适用于竖向钢筋的连接,不能用作水平钢筋和斜钢筋的连接。2.3.4、钢筋焊接的接头形式、焊接方法、适应范围应符合现行《钢筋焊接及验收规程》(JGJ18)的规定。2.3.5、钢筋焊接前必须根据施工条件进行试焊,合格后方可正式施焊。2.3.6、钢筋接头采用搭接或帮条电弧焊时,宜采用双面焊缝。2.3.7、钢筋接头采用搭接电弧焊时,两钢筋搭接端部应预先折向一侧,使两接合钢筋轴线一致。接头双面焊缝的长度不应小于5d(d为钢筋直径),单面焊缝的长度不应小于10d(d为钢筋直径)。钢筋接头采用帮条电弧焊时,帮条应采用与主筋同级别的钢筋,其总截面面图一:箍筋弯钩形式(a)90°/180°(b)90°/90°(c)135°/135°积不应小于被焊钢筋的截面积。帮条长度,如用双面焊缝不应小于5d,如用单面焊缝不应小于10d。2.3.8、凡施焊的各种钢筋、钢板均应有材质证明书或试验报告单。焊条、焊具应有合格证。各种焊接材料应分类存放并应采取防止腐蚀、受潮生锈的措施。2.3.9、受力钢筋焊接接头应设置在内力较小处,并错开布置,在接头长度区段内,同一根钢筋不得有两个接头,其接头的截面面积占总截面面积的百分率,在受拉区为50%,受压区则不受限制(焊接接头长度区段是指35d长度范围内,但不得小于500mm)。2.3.10、电弧焊接和绑扎接头与钢筋弯曲处的距离不应小于10倍钢筋直径,也不宜位于构件的最大弯矩处。2.3.11、焊接时,对施焊场地应有适当的防风、雪、雨、严寒设施。2.4、钢筋骨架制作钢筋笼骨架在制作场内分节制作。(1)采用胎具成型法:用槽钢和钢板焊成组合胎具,每组胎具由上横梁、立梁和底梁三部分构成。上横梁和立梁分别通过插轴、角钢与底梁连接,并与焊在底梁上的钢板组合成同直径、同主筋根数、有凹槽的胎模。每个胎模的间距为设计加劲箍筋的距离,即按每节钢筋骨架的加劲箍筋数量设立胎具。将加劲箍筋就位于每道胎具的同侧,按胎模的凹槽摆焊主筋,主筋接头双面焊缝的长不应小于5d(d为钢筋直径)并不小于10cm,全部焊完后,拆下上横梁、立梁,滚出钢筋骨架,然后吊起骨架搁于支架上,套入盘筋,...

1、当您付费下载文档后,您只拥有了使用权限,并不意味着购买了版权,文档只能用于自身使用,不得用于其他商业用途(如 [转卖]进行直接盈利或[编辑后售卖]进行间接盈利)。
2、本站所有内容均由合作方或网友上传,本站不对文档的完整性、权威性及其观点立场正确性做任何保证或承诺!文档内容仅供研究参考,付费前请自行鉴别。
3、如文档内容存在违规,或者侵犯商业秘密、侵犯著作权等,请点击“违规举报”。

碎片内容

钻孔桩钢筋加工与安装作业指导书

您可能关注的文档

文章天下+ 关注
实名认证
内容提供者

各种文档应有尽有

确认删除?
VIP
微信客服
  • 扫码咨询
会员Q群
  • 会员专属群点击这里加入QQ群
客服邮箱
回到顶部