电脑桌面
添加小米粒文库到电脑桌面
安装后可以在桌面快捷访问

FANUC 车床操作说明书

FANUC 车床操作说明书_第1页
1/28
FANUC 车床操作说明书_第2页
2/28
FANUC 车床操作说明书_第3页
3/28
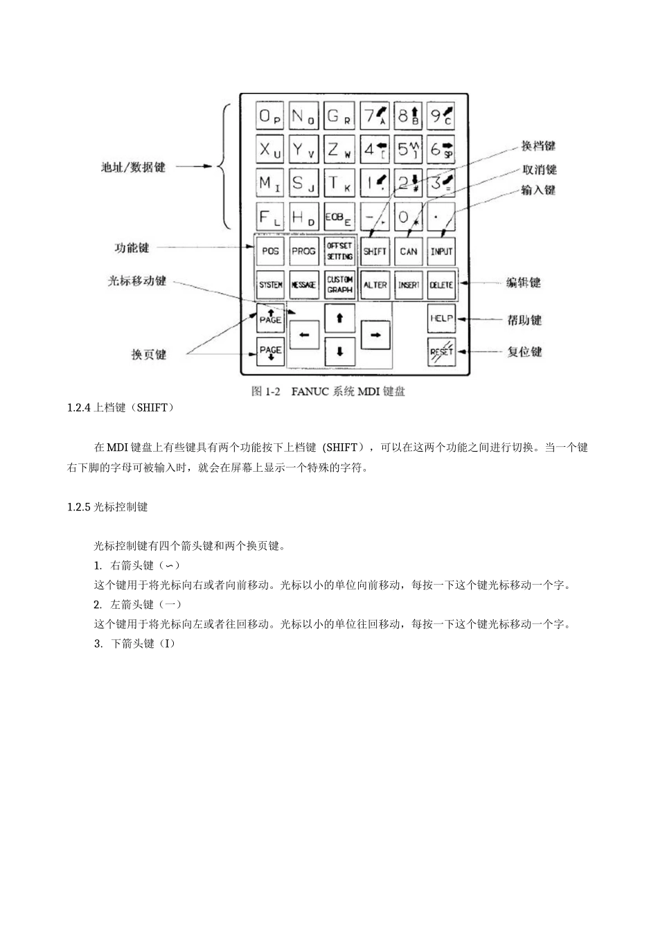
数控车床操作快速入门第 1章操作面板1.1 机床操作面板数控车床操作面板如图 1」所示。本节介绍各按钮、旋钮的功能。1.1.1 辅助功能键区液压启动主轴降速主轴升速数码显示液压尾座主轴停止主轴点动手动润滑超程释放液压卡盘主轴正转主轴反转冷却液手动选刀1.1.2 手动控制轴运动键区1.1.3 模式选择键区手摇脉冲 0.001(快速倍率 1%)手摇脉冲 0.01(快速倍率 25%)X 轴参考点指刀 PZ 轴负方向移动页面切换X 轴负方向移动手动快速X 轴正方向移动Z 轴参考点指示Z 轴正方向移动页面切换图 1-1 数控车床操作面板编辑方式手动进给手动数据输入方式存储程序自动方式手摇脉冲返回参考点方式1.1.4 开关控制按钮紧停按钮 NC 启动/停止循环启动/进给保持1.1.5 进给倍率进给倍率可以在 0%~%160 之间调整.1.2MDI 键盘FANUC 系统的 MDI 面板如图 1-2 所示。本节介绍 MDI 面板中各个按键的功能。1.2.1复位键(RESET)复位些键可以使 CNC 复位或者取消报警等。1.2.2帮助键(HELP)帮助健用于获得对 MDI 键操的帮助。1.2.3 地址/数据键MDI 面板上的上面 4 街行为地址/数据键。这些键用于向系统输入字地址符和数据。每个键上有两个符号,小字符为上档,按下 SHIFT 键后这些键为上档一次。手摇脉冲 0.1(快速倍率 50%)X 轴手摇脉冲进给选择机床锁住空运行单程序段进给保持于-摇脉冲 1(快速倍率 100%)Z 轴手摇脉冲进给选择程序保护程序段跳步1.2.4 上档键(SHIFT)在 MDI 键盘上有些键具有两个功能按下上档键(SHIFT),可以在这两个功能之间进行切换。当一个键右下脚的字母可被输入时,就会在屏幕上显示一个特殊的字符。1.2.5 光标控制键光标控制键有四个箭头键和两个换页键。1. 右箭头键(〜)这个键用于将光标向右或者向前移动。光标以小的单位向前移动,每按一下这个键光标移动一个字。2. 左箭头键(一)这个键用于将光标向左或者往回移动。光标以小的单位往回移动,每按一下这个键光标移动一个字。3. 下箭头键(I)这个键用于将光标向下或者向前移动。光标以人的单位向前移动,每按一下这个键光标移动一个程序段。4. 上箭头(f)这个键用于将光标向上或者往回移动光标以人的单位往回移动,每按一卞这个键光标移动一个程序段。5. 换页键(PAGEI)当程序长度超过一页时,该键可以使光标向前翻页。6. 换页键(PAGEt)当程序长度超过一页时,该键可以使光标向回翻页。1.2.6输入键(INPUT)当按下一个字...

1、当您付费下载文档后,您只拥有了使用权限,并不意味着购买了版权,文档只能用于自身使用,不得用于其他商业用途(如 [转卖]进行直接盈利或[编辑后售卖]进行间接盈利)。
2、本站所有内容均由合作方或网友上传,本站不对文档的完整性、权威性及其观点立场正确性做任何保证或承诺!文档内容仅供研究参考,付费前请自行鉴别。
3、如文档内容存在违规,或者侵犯商业秘密、侵犯著作权等,请点击“违规举报”。

碎片内容

FANUC 车床操作说明书

确认删除?
VIP
微信客服
  • 扫码咨询
会员Q群
  • 会员专属群点击这里加入QQ群
客服邮箱
回到顶部