电脑桌面
添加小米粒文库到电脑桌面
安装后可以在桌面快捷访问

关于牛奶闪蒸技术的问答VIP免费

关于牛奶闪蒸技术的问答_第1页
1/7
关于牛奶闪蒸技术的问答_第2页
2/7
关于牛奶闪蒸技术的问答_第3页
3/7
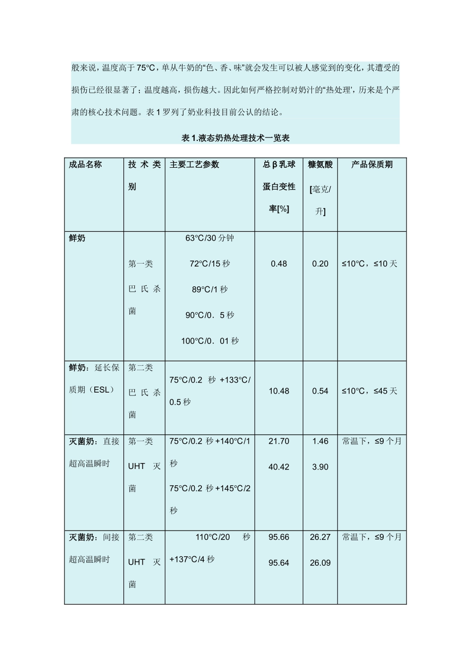
关于牛奶闪蒸技术的问答2008-01-0304:39:56|分类:文摘|字号大中小订阅近几年,乳业界出现了一种新的工艺:“闪蒸技术”。对于这种工艺,似乎有着不同的说法。有资料宣传闪蒸技术是从国外引进的先进技术,在不破坏牛奶营养的前提下,蒸发部分水分使口味更香浓,认为应该推广闪蒸技术。但是也有人认为,所谓的闪蒸技术只是变换产品的宣传与推销手法而已,闪蒸技术会破坏牛奶的营养成分。我知道您是乳业界的专家,我有下列6个问题(纯技术问题,不涉及任何厂家、品牌或产品),特向您请教。1、什么是闪蒸技术?在国际上,闪蒸技术主要用于乳制品生产的那些阶段、生产哪些乳制品产品?闪蒸技术是否真的代表了国际先进技术?是否符合国际发展潮流?是否受到国外企业和消费者的推崇?答:上世纪50年代,欧洲的奶业科研工作者开始针对以前采用罐头食品加工的原始方法(120℃,15分钟,参见表1),制造“保持法灭菌”牛奶所带来的严重损害牛奶营养功能的现象,研究开发“直接式超高温瞬间(UHT)”灭菌工艺。由于采用高温高压水蒸汽与低温的牛奶直接接触使牛奶在迅速升温灭菌的同时,不可避免部分水蒸气也冷凝到牛奶里去,从而导致外加的水分进入了产品,这是奶业法规不容许的。然而,在此情况下牛奶实际上处在140℃左右的高温,压力约为三个大气压;一旦释放压力,那么温度就会立即下降,同时部分水分也会变成水蒸气逸出,这就是所谓的“闪蒸”技术在奶业里的应用。可见它的应用,是以补救三流水平[参见表1]的“直接式超高温瞬间灭菌”的缺陷为基础的,尽管对最终产品来说,留在产品里的水分被替换了,但是水分含量可以维持原状。因此,作为一种防范措施,技术上补充要求与牛奶接触的水蒸气必须符合饮用水的标准。至于我国目前出现的“闪蒸”属于“移花接木”。如果说是“脱异味”,针对劣质原料奶而言可能还差强人意,因为它本来就丢了香味;至于以提高浓度为目的,应用在四流水平[参见表1]的“间接式UHT灭菌”之前,那就既违背了奶汁“标准化”的技术规范,也浪费了由大量能源转换来的高压水蒸汽,显得极不合理。2、在我国,对于闪蒸技术是否订立了相关标准(比如温度、压力、蒸发脱水比例)?如果没有标准,是否可能存在滥用闪蒸技术的情况?答:由于我国奶业至今没有出现过直接法加热的设备和工艺,因此也没有这方面的国家或行业标准和规定。由于按照我国目前通行的法律概念:只要法律没有禁止,就不违法,因此“滥用”是难以避免的。3、据说闪蒸技术可以在不破坏牛奶营养的前提下,提高牛奶的乳固体含量,从而使牛奶闻起来更香更浓。但是有人提出,从技术上的角度讲,高温、高压的“闪蒸”的过程中,牛奶原有的那种天然香味也会被蒸发掉,所以“闪蒸”过后牛奶的香味还不如未被“闪蒸”前的牛奶香。请问情况真的是这样吗?如果闪蒸会破坏牛奶的原有香味,那么使用闪蒸技术的UHT奶喝起来为什么会更香呢(我亲自品尝对比过)?牛奶更香的背后,有没有加入的香精(“纯牛奶香精”)等添加剂的“功劳”?我听说我国乳制品行业是香精、乳化剂的“使用大户”之一,您是否知道我国每年大概有多少吨香精、乳化剂被添加进牛奶中?答:首先,需要澄清“不破坏牛奶营养的前提”的说法。因为天然奶汁里至少存在着300多种具有重要生理活性的营养物质,它们都怕“热”。一般来说,温度高于75℃,单从牛奶的“色、香、味”就会发生可以被人感觉到的变化,其遭受的损伤已经很显著了;温度越高,损伤越大。因此如何严格控制对奶汁的“热处理”,历来是个严肃的核心技术问题。表1罗列了奶业科技目前公认的结论。表1.液态奶热处理技术一览表成品名称技术类别主要工艺参数总β乳球蛋白变性率[%]糠氨酸[毫克/升]产品保质期鲜奶第一类巴氏杀菌63/30℃分钟72/15℃秒89/1℃秒90/0℃.5秒100/0℃.01秒0.480.20≤10℃,≤10天鲜奶:延长保质期(ESL)第二类巴氏杀菌75/0.2℃秒+133/℃0.5秒10.480.54≤10℃,≤45天灭菌奶:直接超高温瞬时第一类UHT灭菌75/0.2℃秒+140/1℃秒75/0.2℃秒+145/2℃秒21.7040.421.463.90常温下,≤9个月灭菌奶:间接超高温瞬时第二类UHT灭菌110/20℃秒+137/4℃秒95.6695.6426.2726.0...

1、当您付费下载文档后,您只拥有了使用权限,并不意味着购买了版权,文档只能用于自身使用,不得用于其他商业用途(如 [转卖]进行直接盈利或[编辑后售卖]进行间接盈利)。
2、本站所有内容均由合作方或网友上传,本站不对文档的完整性、权威性及其观点立场正确性做任何保证或承诺!文档内容仅供研究参考,付费前请自行鉴别。
3、如文档内容存在违规,或者侵犯商业秘密、侵犯著作权等,请点击“违规举报”。

碎片内容

关于牛奶闪蒸技术的问答

文章天下+ 关注
实名认证
内容提供者

各种文档应有尽有

确认删除?
VIP
微信客服
  • 扫码咨询
会员Q群
  • 会员专属群点击这里加入QQ群
客服邮箱
回到顶部