电脑桌面
添加小米粒文库到电脑桌面
安装后可以在桌面快捷访问

空调机组、水塔、水系统、水泵、末端等整体维护内容

空调机组、水塔、水系统、水泵、末端等整体维护内容_第1页
1/3
空调机组、水塔、水系统、水泵、末端等整体维护内容_第2页
2/3
空调机组、水塔、水系统、水泵、末端等整体维护内容_第3页
3/3
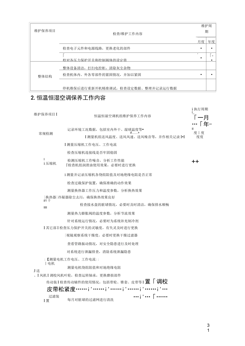
31空调机组、水塔、水系统、水泵、末端等整体维护内容1. 风冷热泵型冷水机组工作内容维护保养项|目 i检查机组整体外观及破损,检查各种阀门开闭情况测量环境工况数据,包括环境干湿球温度、湿度等,并作相关记录•常规检测i 检测机组整体工作情况,包括工作电压、工作电流,并作相关记录 i•i检测机组系统髙低压压力、水系统进出水温度、油压等,并作相关记录测量压缩机工作电压、工作电流,确保工作电压稳定检查压缩机连接线是否牢固稳固I 检测压缩机工作噪音,分析工作性能,检查雪种运行情况卜 I 检查压缩机润滑油使用情况I 检测压缩机电源端子、各接触器及热继电器端子 i 测量绝缘电阻值,测量髙低压管温度i 测量冷凝器工作压力和温度参数,分析换热效果|•I 检查机组壳管式蒸发器情况,必要时进行通炮清洗检测热力膨胀阀的温度参数,分析节流效果I 视镜观察系统制冷循环,根据需要补充制冷剂1 查看管路振动情况,对安全隐患进行及时处理I 检修机组泄漏情况,对各焊点、焊缝进行泄露排查,消除隐患 I•轴流风机转动情况,必要时调整平衡度件检查电机转动情况,更换有异常的电机轴承I 检查风机电机紧固情况,及时拧紧固定件II 检查交流接触器、热继电器、微继电器动作情况丨•I 检查各传感装置感测灵敏度是否正常I 紧固各接线端子,排除安全隐患检查控制器,校正机组控制参数检查/维护工作内容压缩机换热器i 检查翅片式冷凝器I其它制冷系统安全阀及管路检查,对机组管路加氮气查漏,若有泄漏对机组抽真空、轴流风机部检测电机运转电流电气系统I 排查线路,发现安全隐患后及时处理31维护保养项目检查/维护工作内容维护周期__________月度年度检查电子元件和电源线路,更换老化的部件••「校对各压力保护开关和控制阀体的设定值r•「-•整体结构整体设备清洁,打扫电控柜,清除灰尘杂物检查机体内、外各零部件的紧固情况,并加以紧固••停机维保后进行重新开机精准调试,检查设定数据、整理并记录运行数据2.恒温恒湿空调保养工作内容维护保养项目 I恒温恒湿空调机组维护保养工作内容i 执行周期I_「一月…「年-II'度丨度度度常规检测记录环境工况数据,包括室内外干、湿球温度等•if……+I 测量机组送风温度、送风风速、送风噪音等,并作相关记录 I•II 测量压缩机工作电压、工作电流检查压缩机连接线是否牢固稳固Ii 压缩机检测压缩机工作噪音,分析工作性能『检查机组润滑油使用效果,必要时进行更换++i 测量并记录...

1、当您付费下载文档后,您只拥有了使用权限,并不意味着购买了版权,文档只能用于自身使用,不得用于其他商业用途(如 [转卖]进行直接盈利或[编辑后售卖]进行间接盈利)。
2、本站所有内容均由合作方或网友上传,本站不对文档的完整性、权威性及其观点立场正确性做任何保证或承诺!文档内容仅供研究参考,付费前请自行鉴别。
3、如文档内容存在违规,或者侵犯商业秘密、侵犯著作权等,请点击“违规举报”。

碎片内容

空调机组、水塔、水系统、水泵、末端等整体维护内容

您可能关注的文档

确认删除?
VIP
微信客服
  • 扫码咨询
会员Q群
  • 会员专属群点击这里加入QQ群
客服邮箱
回到顶部