电脑桌面
添加小米粒文库到电脑桌面
安装后可以在桌面快捷访问

电力电缆头制作施工方案

电力电缆头制作施工方案_第1页
1/8
电力电缆头制作施工方案_第2页
2/8
电力电缆头制作施工方案_第3页
3/8
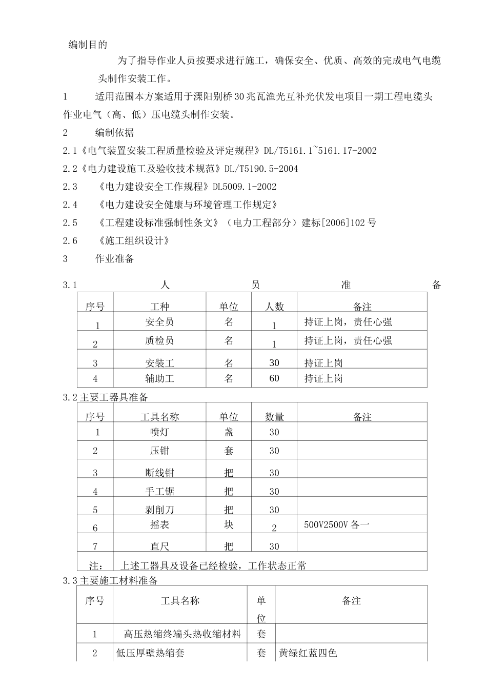
目录编制目的…………………………………………………………1 适用范围…………………………………………………………1 编制依据…………………………………………………………1 作业准备…………………………………………………………1 作业条件…………………………………………………………2 作业顺序…………………………………………………………3 作业方法…………………………………………………………3 应做的记录和提交的资料………………………………………4 安全管理、文明施工及环境保护 5编制目的为了指导作业人员按要求进行施工,确保安全、优质、高效的完成电气电缆头制作安装工作。1适用范围本方案适用于溧阳别桥 30 兆瓦渔光互补光伏发电项目一期工程电缆头作业电气(高、低)压电缆头制作安装。2编制依据2.1《电气装置安装工程质量检验及评定规程》DL/T5161.1~5161.17-20022.2《电力建设施工及验收技术规范》DL/T5190.5-20042.3《电力建设安全工作规程》DL5009.1-20022.4《电力建设安全健康与环境管理工作规定》2.5《工程建设标准强制性条文》(电力工程部分)建标[2006]102 号2.6《施工组织设计》3作业准备3.1人员准备序号工种单位人数备注1安全员名1持证上岗,责任心强2质检员名1持证上岗,责任心强3安装工名30持证上岗4辅助工名60持证上岗3.2 主要工器具准备序号工具名称单位数量备注1喷灯盏302压钳套303断线钳把304手工锯把305剥削刀把306摇表块2500V2500V 各一7直尺把30注:上述工器具及设备已经检验,工作状态正常3.3 主要施工材料准备序号工具名称单备注位1高压热缩终端头热收缩材料套2低压厚壁热缩套套黄绿红蓝四色3J20 自粘带套4相色带套5低压热缩 2 指套套6低压热缩 3 指套套7低压热缩 3+1 指套套8低压热缩 4 指套套3.4技术、措施准备3.4.1已核对汇流箱与盘柜侧的接线位置。3.4.2已对一次接线图与就地设备进行核对。3.4.3已对汇流箱、逆变器、升压变、开关柜进行编号核对。3.4.4对环境及气候的要求1)当在室外制作高压电缆终端接头时,其空气相对湿度宜为 70%及以下,当湿度大时,可提高环境温度或加热电缆,也可搭设临时工棚。严禁在雾或雨中施工。2)在室内施工现场应备有消防器材,室内施工应有临时照明电源。3.4.5所用电缆头材料型式、规格应与电缆类型和环境要求一致。3.4.6电缆绝缘状态良好、无受潮,电气性能试验已完成,并符合标准。4作业条件:4.1人员配置:电缆头制作安装人员已到齐...

1、当您付费下载文档后,您只拥有了使用权限,并不意味着购买了版权,文档只能用于自身使用,不得用于其他商业用途(如 [转卖]进行直接盈利或[编辑后售卖]进行间接盈利)。
2、本站所有内容均由合作方或网友上传,本站不对文档的完整性、权威性及其观点立场正确性做任何保证或承诺!文档内容仅供研究参考,付费前请自行鉴别。
3、如文档内容存在违规,或者侵犯商业秘密、侵犯著作权等,请点击“违规举报”。

碎片内容

电力电缆头制作施工方案

确认删除?
VIP
微信客服
  • 扫码咨询
会员Q群
  • 会员专属群点击这里加入QQ群
客服邮箱
回到顶部