电脑桌面
添加小米粒文库到电脑桌面
安装后可以在桌面快捷访问

华锐风机定检作业指导书

华锐风机定检作业指导书_第1页
1/17
华锐风机定检作业指导书_第2页
2/17
华锐风机定检作业指导书_第3页
3/17
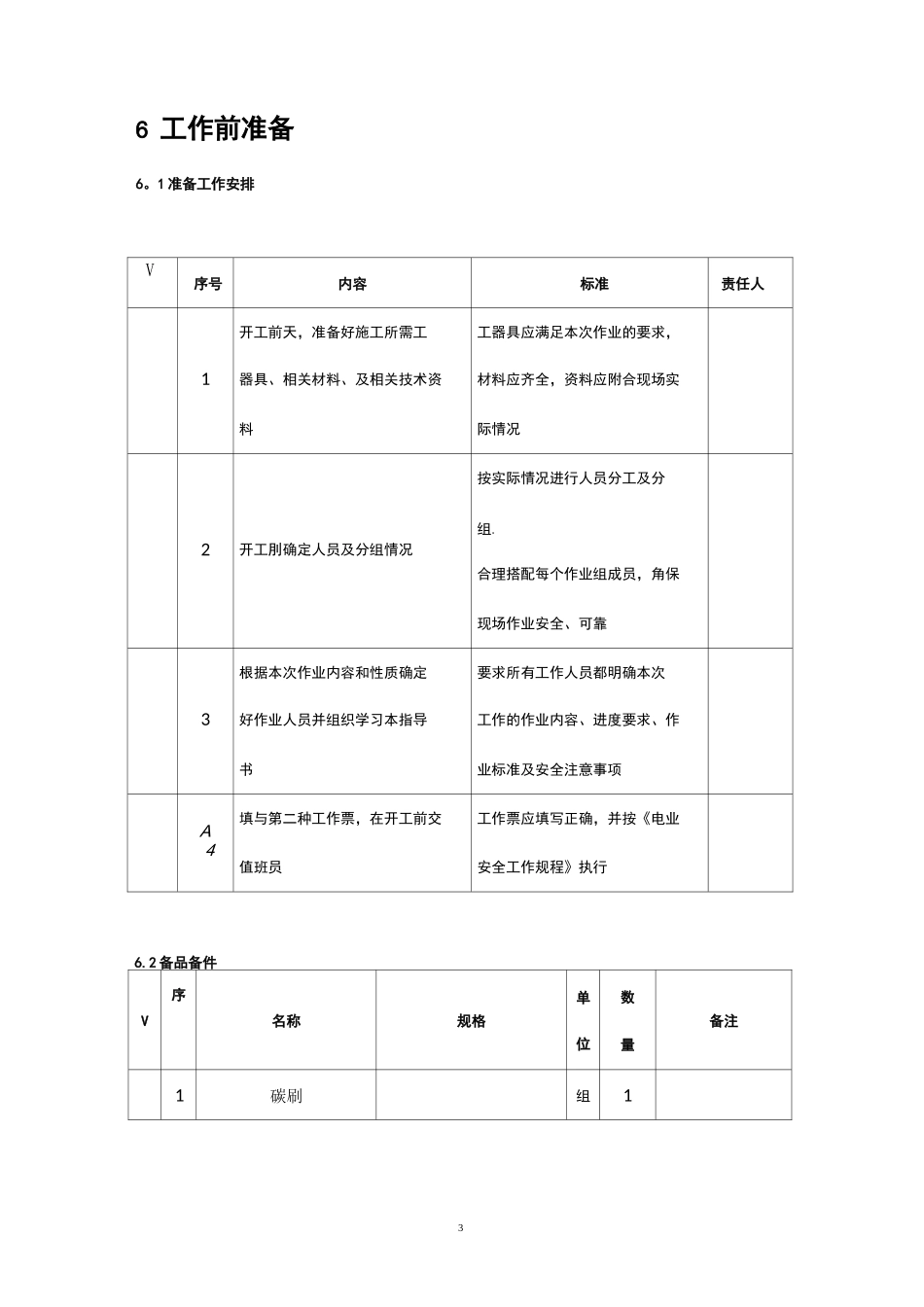
11.1 为使风机能够稳定安全运行,增加风机各部件的使用寿命,提高风机设备的可利用率,使此项定检工作能够保质保量、安全高效的完成。1.2 为所有参加本项目的工作人员确定必须遵循的工作程序.2 范围本作业指导书适用于中国大唐集团新能源有限公司风电机组大型定检作业。3 引用文件华锐风机六个月维护表4职责4。1 作业负责人职责:4。1.1 履行《电业安全工作规程》规定的工作负责人安全职责,全过程负责该作业的安全、质量管理。4。1.2 负责办理工作票或缺陷处理联系单。4。1。3 负责设备、检修工器具质量验证。4。1.4 负责备品备件和材料的质量验证、复核。4.1。5 负责指定专门人员做好记录,确保记录真实、准确、工整。4.1.6 负责作业项目的自检并签证,对本项目的安全、质量负责.4.2 监护人职责:4。2。1 监护人负责按《电业安全工作规程》和《风力发电场安全规程》的要求对参加作业的每位成员的安全进行监督.4。2.2 履行中国大唐集团新能源有限公司规定的职责和权力。4.3 其他工作人员职责:4。3。1 履行《电业安全工作规程》和《风力发电厂安全规程》规定的工作班成员安全职责.24。3。2 依据相关规定、规程、标准进行设备检修,且符合质量控制标准。4。3。3 在工作负责人的领导下,负责按工作程序进行工作.4.4 点检员职责:4.4.1 依据检修规程及相关质量标准,对检修和试验的全过程进行质量跟踪检查并在验收报告上进行验证、签字,及时对检修结果进行评价。4。4。2 督促、监督所有工作人员遵守质量标准体系的相关规定、标准并落实相关安全技术措施.5 人员要求V序号标准1现场工作人员的身体状况、精神状态良好2作业辅助人员(夕卜来)必须经负责施教的人员,对其进行安全措施、作业范围、安全注意事项等方面施教后方可参加工作3特殊工种(吊车司机)必须持有效证件上岗4所有作业人员必须具备必要的电气知识,基本掌握本专业作业技能及《电业安全工作规程》和《风机操作员和技师安全规程》的相关知识,并经考试合格5作业负责人必须是经公司批准36 工作前准备6。1 准备工作安排V序号内容标准责任人开工前天,准备好施工所需工工器具应满足本次作业的要求,1器具、相关材料、及相关技术资材料应齐全,资料应附合现场实料际情况按实际情况进行人员分工及分组.2开工刖确定人员及分组情况合理搭配每个作业组成员,角保现场作业安全、可靠根据本次作业内容和性质确定要求所有工作人员都明确本次3好作业人员并组织学习本指导工作的...

1、当您付费下载文档后,您只拥有了使用权限,并不意味着购买了版权,文档只能用于自身使用,不得用于其他商业用途(如 [转卖]进行直接盈利或[编辑后售卖]进行间接盈利)。
2、本站所有内容均由合作方或网友上传,本站不对文档的完整性、权威性及其观点立场正确性做任何保证或承诺!文档内容仅供研究参考,付费前请自行鉴别。
3、如文档内容存在违规,或者侵犯商业秘密、侵犯著作权等,请点击“违规举报”。

碎片内容

华锐风机定检作业指导书

wxg+ 关注
实名认证
内容提供者

该用户很懒,什么也没介绍

确认删除?
VIP
微信客服
  • 扫码咨询
会员Q群
  • 会员专属群点击这里加入QQ群
客服邮箱
回到顶部