电脑桌面
添加小米粒文库到电脑桌面
安装后可以在桌面快捷访问

2025年冲压与塑料成型设备重点知识归纳

2025年冲压与塑料成型设备重点知识归纳_第1页
1/10
2025年冲压与塑料成型设备重点知识归纳_第2页
2/10
2025年冲压与塑料成型设备重点知识归纳_第3页
3/10
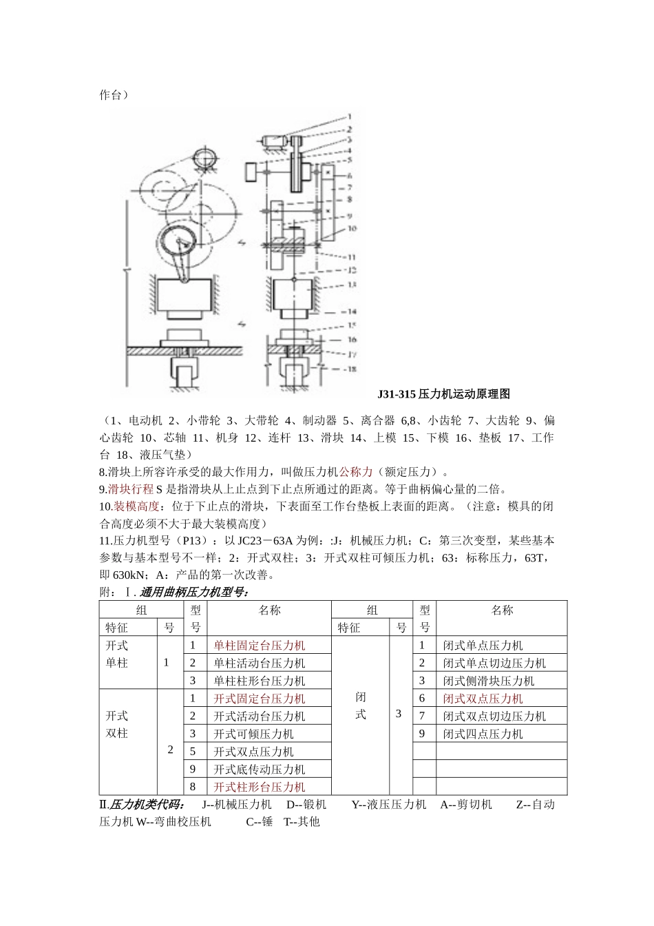
《冲压与塑料成型设备》重点知识归纳1.冲压成型设备发展趋势:大型化、自动化、高速化、精密化、数控智能化 、微型化、宜人化。冲压是运用压力机和冲模对材料施加压力,使其分离或产生塑性变形,以获得一定形状和尺寸大小制品的一种少切削或无切削加工工艺。2.塑料成型设备发展趋势:大型、高速、精密、特殊用途、持续化、自动化。3.冲压成型加工的长处:①生产率高,便于机械化和自动化②可实现少无切削加工③材料运用率高④可生产复杂零件。4.冲压生产的基本工序可分为分离工序与成形工序。其中分离工序是指被加工材料在外力作用下,是材料沿一定的轮廓形状剪切破裂而分离的冲压工序(也称冲裁);成形是指坯料在外力作用下,应力超过材料的屈服极限,通过塑性变形而得到一定形状和尺寸的零件的冲压工序。5.压力机是用于对放置于模具中的材料实现压力加工提供动力和运动的设备。6. ⑴ 按工艺用途分类:通用压力机、专用压力机。⑵按机身构造形式分类:开式压力机、闭式压力机。其中开式压力机又分为单柱和双柱;开式压力机按工作台构造又分可倾式、固定台式、升降台式⑶按滑块数量分类:单动、双动、三动⑷按连杆数量分类:单点、双点、四点。7.曲柄压力机得构成:(1)工作机构:作用是将传动系统的旋转运动变换为滑块的直线往复运动。 包括曲轴、连杆、滑块、导轨等。 (2)传动系统:传递能量和变换速度。包括带轮传动、齿轮传动等。 (3)操纵系统:控制工作机构的工作和停止。包括离合器和制动器。 (4)能源系统:为滑块运动提供能量。包括电机和飞轮。飞轮能将电动机空程运转时的能量储存起来,在冲压时再释放出来,飞轮重要是带轮和齿轮。 (5)支承部件:把压力机各个部分连接成一种整体。重要指机身。 *压力机的工作原理图在 P9.JC23-63 压力机运动原理图(1、电动机 2、小带轮 3、大带轮 4、中间传动轴5、小齿轮 6、大齿轮 7、离合器 8、机身 9、曲轴 10、制动器 11、连杆 12、滑块 13、上模 14、下模 15、垫板 16、工作台)J31-315 压力机运动原理图(1、电动机 2、小带轮 3、大带轮 4、制动器 5、离合器 6,8、小齿轮 7、大齿轮 9、偏心齿轮 10、芯轴 11、机身 12、连杆 13、滑块 14、上模 15、下模 16、垫板 17、工作台 18、液压气垫)8.滑块上所容许承受的最大作用力,叫做压力机公称力(额定压力)。9.滑块行程 S 是指滑块从上止点到下止点所通过的距离。等于曲柄偏心量的二倍。10...

1、当您付费下载文档后,您只拥有了使用权限,并不意味着购买了版权,文档只能用于自身使用,不得用于其他商业用途(如 [转卖]进行直接盈利或[编辑后售卖]进行间接盈利)。
2、本站所有内容均由合作方或网友上传,本站不对文档的完整性、权威性及其观点立场正确性做任何保证或承诺!文档内容仅供研究参考,付费前请自行鉴别。
3、如文档内容存在违规,或者侵犯商业秘密、侵犯著作权等,请点击“违规举报”。

碎片内容

2025年冲压与塑料成型设备重点知识归纳

您可能关注的文档

读万卷书+ 关注
实名认证
内容提供者

各类经典PPT文档分享

确认删除?
VIP
微信客服
  • 扫码咨询
会员Q群
  • 会员专属群点击这里加入QQ群
客服邮箱
回到顶部