电脑桌面
添加小米粒文库到电脑桌面
安装后可以在桌面快捷访问

技术交底记录砌体技术交底VIP免费

技术交底记录砌体技术交底_第1页
1/10
技术交底记录砌体技术交底_第2页
2/10
技术交底记录砌体技术交底_第3页
3/10
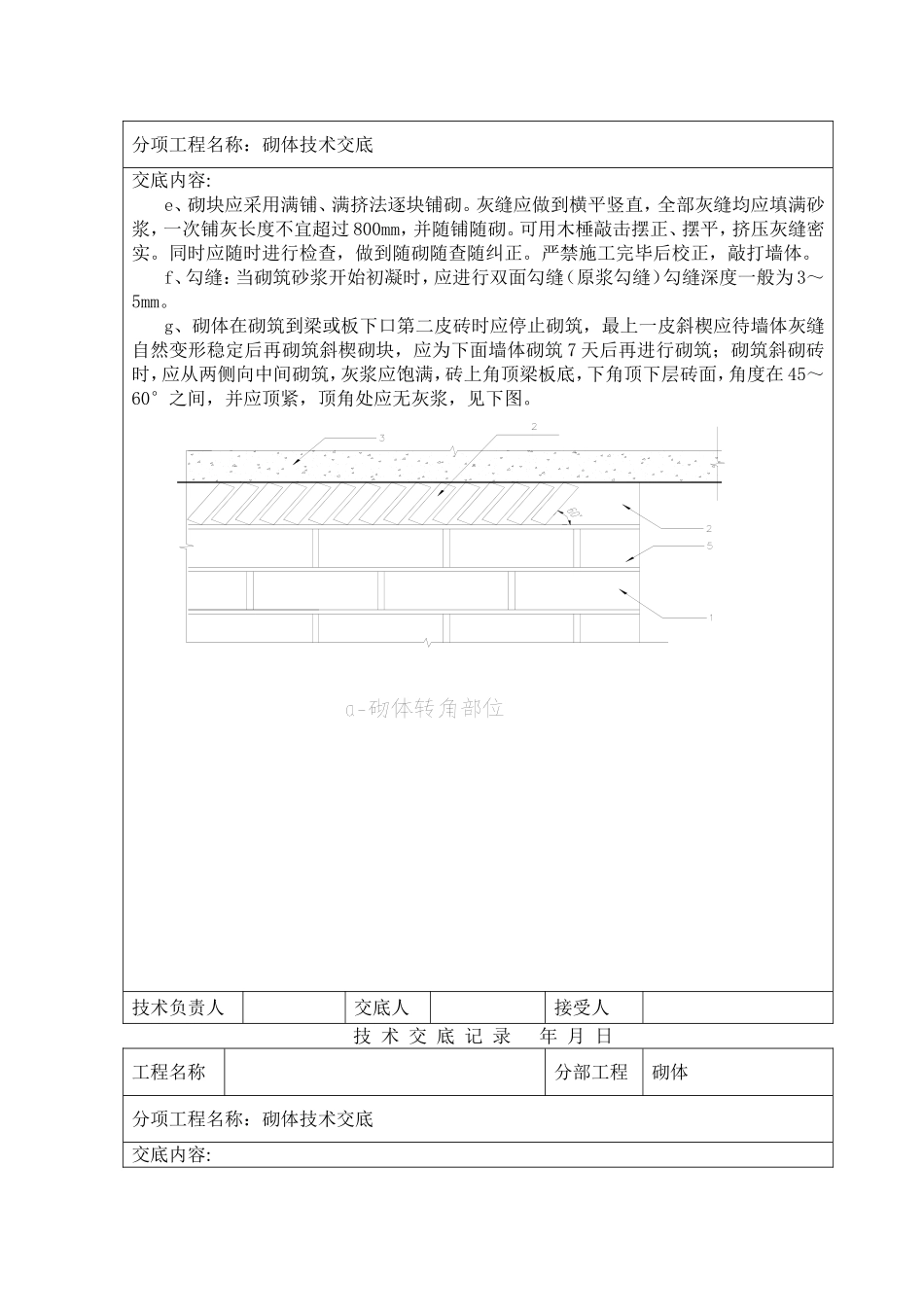
技术交底记录年月日工程名称分部工程砌体分项工程名称:砌体技术交底交底内容:一、砌体材料设计±0.000以上砌体采用B06一等品加气混凝土砌块砌筑、外墙采用M7.5专用砂浆砌筑、内墙采用M5.0专用砂浆砌筑。楼管道井墙体、卫生间隔墙采用MU15的蒸压粉煤灰砖砌筑。1)200mm厚墙采用加气混凝土砌块,规格为600mm×240mm×200mm。2)120mm厚墙采用加气混凝土砌块,规格为600mm×240mm×100mm。3)300mm厚墙采用加气混凝土砌块,规格为600mm×240mm×300mm。4)楼管道井墙体、卫生间隔墙采用蒸压粉煤灰砖,规格为240mm×115mm×53mm。二、构造要求:1、砌体填充墙应沿柱高每隔不大于500配置2Φ6墙体拉筋,拉筋伸入墙内的长度不应小于墙长的1/5且不小于700。2、构造柱与填充墙交接处,应设墙体拉筋。拉筋沿墙宜全长贯通。施工时先砌墙后浇构造柱,并设马牙槎。3、墙高超过4米时,应在墙体半高处(一般结合门窗洞口上方过梁位置)墙设置与柱连接且沿全长贯通的钢筋混凝土水平系梁(圈梁),梁截面为墙厚×200,配纵筋4Φ10,箍筋Φ6@250,保护层为25mm,混凝土强度等级C20。柱(或抗震墙)施工时预埋4Φ10与水平系梁纵筋连接。水平系梁遇过梁时,分别按截面、配筋较大者设置。4、1)门窗过梁采用预制,过梁两边各伸进洞口边300mm,过梁的安放须在砌体施工至相应的高度24小时后进行;构造柱及靠近墙、柱边的过梁(预制后无法满足搁置长度要求)均采用现浇,过梁钢筋与结构连接采用植筋方式,过梁钢筋锚入柱或剪力墙满足植筋锚固长度要求。2)过梁设计配筋选用图集03G322-1施工。5、凡风道、烟道、竖井内壁砌筑灰缝须饱满,并随砌随原浆抹平。有检修门的管道井内壁应作水泥混合砂浆粉刷。钢筋砼电梯井道不作粉刷。6、凡发电机房烟道,需以耐热水泥砂浆、耐热砖砌筑,竖井内壁砌筑灰缝须饱满,并随砌随原浆抹平。三、施工工艺1、工艺流程清理基层→定位放线→立皮数杆→后植拉结钢筋→墙底坎台施工→选砌块→浇水湿润→满铺砂浆→摆砌块→安装门窗过梁→浇灌混凝土构造柱、连系梁→砌筑顶部配套砌块→验收。2、施工工艺1)砌块砌筑前,应提前2d适量向砌块浇水,砌筑时,砌一层砖,浇一层水,随砌随浇。技术负责人交底人接受人技术交底记录年月日工程名称分部工程砌体分项工程名称:砌体技术交底交底内容:2)墙体底部先砌筑3皮蒸压粉煤灰砖且不低于200mm,以上部位砌筑加气混凝土砌块。在室内地坪下60处做20厚1:2水泥砂浆内加5%防水剂的墙身防潮层(在此标高为钢筋混凝土构件可不做),室内地坪标高变化处防潮层重叠搭接300,并在高低差埋土一侧墙身做20厚1:2水泥砂浆防潮层。当如卫生间、厨房等有防水要求的房间时,在墙根部浇筑C20素混凝土上翻高度高出室内结构标高220mm上翻台代替3皮蒸压粉煤砖。除墙根3皮砌块以及顶部斜砖外,同一面墙应用同种砌块砌筑,不同密度等级和强度等级的加气砌块不宜混砌。3)切锯砌块应使用专用工具(锯、钻等),不得用斧或瓦刀砍劈。4)砌块砌筑时应满铺砂浆,铺浆厚薄应均匀,浆面应平整。铺浆后应立即放置砌块,一次摆正找平,保证灰缝厚度。5)上下皮砌块的竖向灰缝应相互错开,相互错开长度为300mm,并不应小于150mm。如不能满足要求,应在水平灰缝处设置2Φ6的拉结钢筋,拉结钢筋的长度应不小于700mm。但竖向通缝仍不得超过两皮砌块。6)砌块砌体墙转角处,应沿墙高1m左右,在水平灰缝中放置2Φ6拉结钢筋,钢筋伸入墙内不应小于700mm。7)对于墙上孔洞、槽需要封堵时,必须用C20细石混凝土填实,不应采用其他材料塞堵。8)植筋Ⅰ)施工工艺流程为:放线--成孔—吹风机清理孔内粉尘—植入钢筋。Ⅱ)植筋深度为10d(d为钢筋直径)。Ⅲ)墙体拉结筋的设置应满足:①、沿砼墙柱高间距不大于500mm;②、应满足砌块高度模数要求。9)砌体施工前,应清理放线、立皮数杆、验线,现场排列组砌方法,并经验收合格后方可施工。砌块排列必须按以下原则、方法、要求进行。a、砌块排列时应尽量采用主规格砌块,砌块排列应错缝搭砌,搭砌长度不应小于主砌块长度的1/3,且不小于150mm。b、墙体转角处及纵横交接处,应分皮咬槎,交错搭砌。c、蒸压加气混凝土砌块水平灰缝厚度宜为15mm,竖...

1、当您付费下载文档后,您只拥有了使用权限,并不意味着购买了版权,文档只能用于自身使用,不得用于其他商业用途(如 [转卖]进行直接盈利或[编辑后售卖]进行间接盈利)。
2、本站所有内容均由合作方或网友上传,本站不对文档的完整性、权威性及其观点立场正确性做任何保证或承诺!文档内容仅供研究参考,付费前请自行鉴别。
3、如文档内容存在违规,或者侵犯商业秘密、侵犯著作权等,请点击“违规举报”。

碎片内容

技术交底记录砌体技术交底

您可能关注的文档

确认删除?
VIP
微信客服
  • 扫码咨询
会员Q群
  • 会员专属群点击这里加入QQ群
客服邮箱
回到顶部