电脑桌面
添加小米粒文库到电脑桌面
安装后可以在桌面快捷访问

建筑设计说明VIP免费

建筑设计说明_第1页
1/4
建筑设计说明_第2页
2/4
建筑设计说明_第3页
3/4
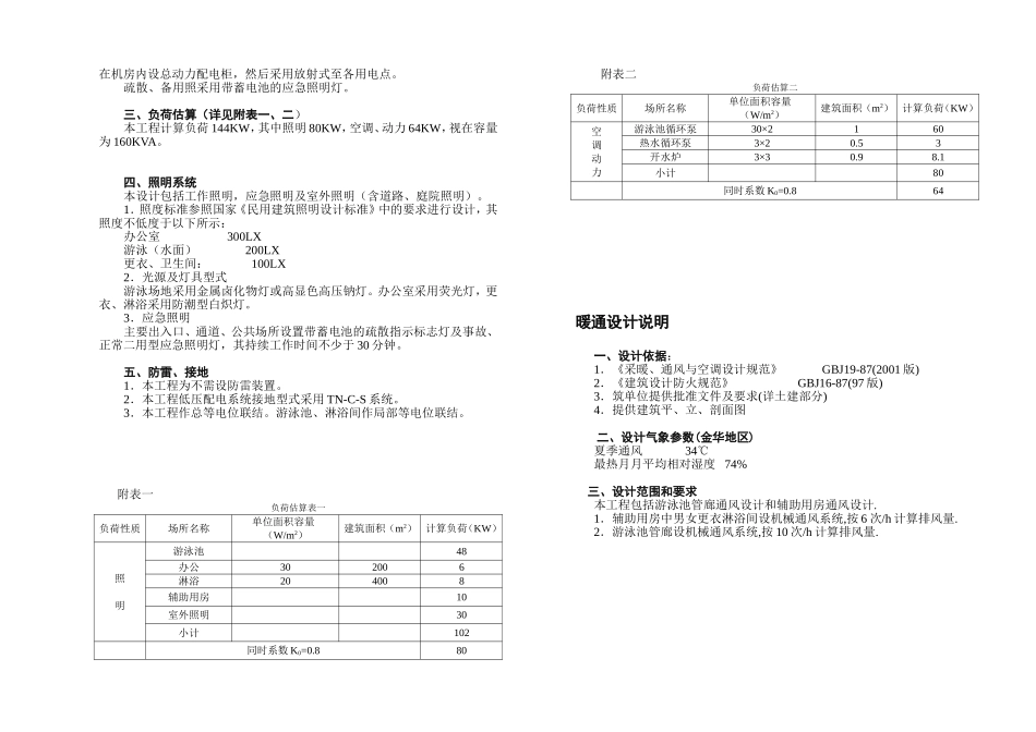
建筑设计说明一、设计依据1.业主提供任务书。2.浙江工业大学建筑设计研究院《浙江师范大学总体规划》1:2000,1:500总平面图。3.国家有关法规、规范。二、项目概述拟建浙师大游泳池位于校区西北角,学生生活区内,东面、南面为学生宿舍,西边为体育运动场地,拟建为标准(可比赛用)泳池(26×50m)。三、设计指导思想1.作为校内体育运动场地,要充分考虑其功能性,除了满足师生正常活动外,还要能进行专项比赛。2.游泳馆的总图布置和造型,色彩应符合校园总体规划的要求。造型与色彩要考虑到周围建筑的呼应与协调,又具有自身的特点。3.充分考虑可持续发展方针,设计要有利于充分利用好的朝向和自然采光,尽量节约能源。考虑以后游泳池可以增加顶盖。四、总面设计1.游泳馆以矩型为母题、泳池看台南北向,辅助机房东西向,与周围环境相吻合。2.在功能上充分满足使用要求,更衣淋浴等辅助房安排在南端,看台安排在西端,可减少太阳西晒。3.在游泳馆的入口布置上充分考虑人流因素及交通的例捷性。主入口安排在南边。自行车停放场地安排在看台下方与辅助房西侧,很好地解决了自行车乱停对校园景观带来的破坏。五、单体设计1.游泳辅助房设计力求简洁、新颖,利用建筑的高差和墙体、柱子的穿插,创造丰富的光影效果。2.辅助房为地上一层,合理安排服务、更衣、淋浴、办公等各项功能,利肜高侧窗进行通风采光,门厅同时解决服务与休息功能。3.游泳池为26×50m的标准赛道,能满足师生活动及进行游泳比赛。4.设计350座看台可基本满足功能需要。六、建筑技术经济指标1.建筑层数:地下一层(机房)地上一层2.建筑层高:地下室3.0M地上3.5M3.总用地面积:5130M24.建筑占地面积:辅助房472M2看台235M25.建筑密度:13.8%6.容积率:17.自行车库:180M28.绿化率:37%结构设计说明一、设计依据1.浙师大游泳馆建筑设计方案。2.我国现行设计规范及规定:·《建筑结构荷载规范》GB50009-2001·《建筑抗震设计规范》GB50011-2001·《混凝土结构设计规范》GB50010-2002·《建筑地基基础设计规范》GB50007-2002·《建筑桩基技术规范》JGJ94-94·《地下工程防水技术规范》GB50108-2001·浙江省相应的技术规程二、地震烈度根据全国地震烈度区划图,金华地区地震基本烈度小于6度,本工程可不考虑抗震设防。三、设计荷载根据国家现行荷载规范取值,特殊用途的房间按实取值,金华市基本风压为0.35KN/m2,本工程设计基本风压按当地基本风压取值。四、结构选型本工程总建筑面积470平方米,包括标准游泳池一个,西侧设一层看台,南侧设一层辅助用房。根据建筑功能及平面布置,标准游泳池采用全现浇钢筋混凝土墙板结构体系;西侧看台采用全现浇钢筋混凝土框架结构体系,全现浇钢筋砼楼面板;南侧辅助用房采用全现浇钢筋混凝土框架体系,全现浇钢筋砼屋面板。本工程由于尚未提供地质资料,基地形式将根据地质性况及结构受力情况作合理选用。给排水设计说明一、设计依据1.《建筑给水排水设计规范》GBJ15-87(1997年版)2.《建筑设计防火规范》GBJ16-87(1997年版)3.《建筑灭火器配置设计规范》GBJ140-90(1997年版)4.建筑专业所提条件。二、概述本工程位于浙师大校区西北角,学生生活区内,东面、南面为学生宿舍,西边为体育运动场地。三、水源本工程水源自校区管网接入,给水量分二块计算,游泳池补水量为287m3/d,其它生活用水为11.5m3/d.四、给水系统本工程给水由校区给水管网的压力直供,本工程水压要求为不小于0.25Mpa。五、热水给水本工程淋浴间不设集中供热系统,在小淋浴间设电热水器,供应热水。开水选用电开水炉供给。六、游泳池给水系统游泳池给水由校区给水管网供给,为了节约用水采用循环过滤式净化给水系统,其工艺流程为:游泳池(回水)——投加混凝剂——毛发聚集器——循环水泵——压力式过滤器——加药消毒——游泳池(给水)。循环周期为7小时。循环水泵型号为KQL200-250(I)型二台Q=400m3/h,H=20m,N=30KW,过滤器采用D2500游泳池专用立式过滤器二台,混凝剂选用铝盐,PH值调整剂采用纯碱,除藻剂宜采用硫酸铜,消毒剂选用成品次氯酸钠,水中游离余氯量控制在0...

1、当您付费下载文档后,您只拥有了使用权限,并不意味着购买了版权,文档只能用于自身使用,不得用于其他商业用途(如 [转卖]进行直接盈利或[编辑后售卖]进行间接盈利)。
2、本站所有内容均由合作方或网友上传,本站不对文档的完整性、权威性及其观点立场正确性做任何保证或承诺!文档内容仅供研究参考,付费前请自行鉴别。
3、如文档内容存在违规,或者侵犯商业秘密、侵犯著作权等,请点击“违规举报”。

碎片内容

建筑设计说明

您可能关注的文档

确认删除?
VIP
微信客服
  • 扫码咨询
会员Q群
  • 会员专属群点击这里加入QQ群
客服邮箱
回到顶部