电脑桌面
添加小米粒文库到电脑桌面
安装后可以在桌面快捷访问

教学案例 课题 楼梯的尺寸与设计方法VIP免费

教学案例 课题  楼梯的尺寸与设计方法_第1页
1/6
教学案例 课题  楼梯的尺寸与设计方法_第2页
2/6
教学案例 课题  楼梯的尺寸与设计方法_第3页
3/6
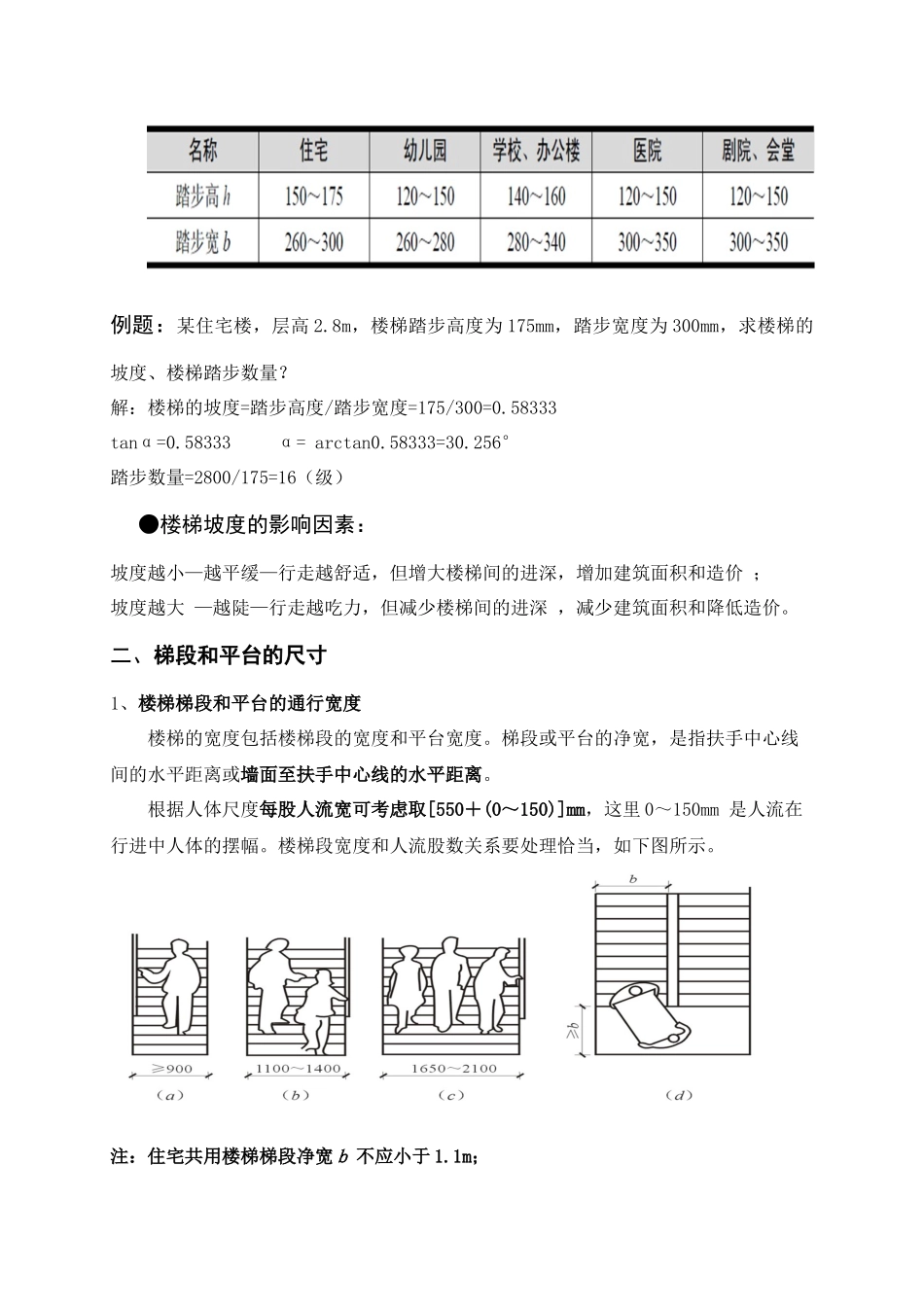
教学案例课题楼梯的尺寸与设计方法一、楼梯的坡度楼梯的坡度是指楼梯段的坡度。它有两种表示方法:一种是用斜面和水平面所夹角度表示;另一种表示方法是斜面的垂直投影高度与斜面的水平投影长度之比。楼梯坡度一般为20°~45°。坡度小于20°时,采用坡道形式。坡度大于45°时,通常称爬梯。公共建筑的楼梯坡度应较平缓,常用1:2左右。住宅建筑的楼梯坡度可较陡,常用1:1.5左右。楼梯、坡道、爬梯的坡度范围如下图所示。●楼梯的坡度由踏步宽度b和踏步高度h决定。在实际应用中,楼梯的坡度均由踏步高宽比决定。常用的坡度为30°左右。注:踏面宽b不宜小于240mm。2h+b=600~620mm或h+b=450mm。楼梯踏步的高宽尺寸一般根据经验数据确定,见下表。例题:某住宅楼,层高2.8m,楼梯踏步高度为175mm,踏步宽度为300mm,求楼梯的坡度、楼梯踏步数量?解:楼梯的坡度=踏步高度/踏步宽度=175/300=0.58333tanα=0.58333α=arctan0.58333=30.256°踏步数量=2800/175=16(级)●楼梯坡度的影响因素:坡度越小—越平缓—行走越舒适,但增大楼梯间的进深,增加建筑面积和造价;坡度越大—越陡—行走越吃力,但减少楼梯间的进深,减少建筑面积和降低造价。二、梯段和平台的尺寸1、楼梯梯段和平台的通行宽度楼梯的宽度包括楼梯段的宽度和平台宽度。梯段或平台的净宽,是指扶手中心线间的水平距离或墙面至扶手中心线的水平距离。根据人体尺度每股人流宽可考虑取[550+(0~150)]mm,这里0~150mm是人流在行进中人体的摆幅。楼梯段宽度和人流股数关系要处理恰当,如下图所示。注:住宅共用楼梯梯段净宽b不应小于1.1m;课堂练习:1、楼梯的坡度一般为(D)2、住宅共用楼梯梯段净宽不应小于(B)A、20°~60°B、30°~60°A、900mmB、1100mmC、20°~50°D、20°~45°C、1650mmD、2100mm三、梯井宽度所谓梯井,是指梯段之间形成的空间,此空间从顶层到底层贯通。在平行多跑楼梯中,可无梯井。为了安全,以60~200mm为宜。公共建筑的梯井宽度应不小于150mm。四、楼梯的净空高度楼梯的净空高度包括楼梯段的净空高度和平台过道处的净空高度。楼梯段净空高度为自踏步前缘线(包括最低和最高一级踏步前缘线以外300mm范围内)垂直量至上方突出物下缘间的铅垂高度,其不应小于2.2m。楼梯平台上部及下部过道处的净空高度不应小于2m。楼梯的净空高度如下图所示。五、栏杆扶手的高度梯段栏杆扶手的高度应从踏步前缘垂直量至扶手顶面,应不小于900mm。当梯井一侧水平扶手长度大于500mm时,其栏杆高度不应小于1000mm,但住宅楼梯扶手高度不应小于1050mm。幼儿园建筑的楼梯应增设幼儿扶手,其高度不应大于600mm,如下图所示。六、平行双跑式楼梯的设计方法(一)给定设计条件:某三层教学楼,室内外地面高差为0.45m,楼梯间的平面尺寸为:开间3300mm,进深6000mm,轴线居中。1.每层层高均为3.6m。2.砖混结构,内外墙厚均为240mm。3.楼梯形式为平行双跑楼梯。(二)确定设计步骤1.选定楼梯结构方案。2.确定楼梯空间尺寸,包括a踏步高度、踏步宽度、踏步数量b梯井宽度、梯段宽度c梯段长度、梯段高度d中间平台深度、楼层平台深度3.用AUTOCAD2014软件绘制楼梯平面图4.用AUTOCAD2014软件绘制楼梯剖面图(三)计算楼梯各部分的尺寸1、确定踏步尺寸和踏步数量。作为公共建筑的楼梯,初步选取踏步宽度b=300mm,由经验公式2h+b=600mm,求得踏步高度h=150mm。2、确定梯段宽度。取梯井宽为160mm,楼梯间净宽为3300—2X120=3060mm,则梯段宽度为:3、确定各梯段的踏步数量各层两梯段采用等跑,则各层两个梯段踏步数量为:4、确定梯段长度和梯段高度。梯段长度:L1=L2=(n—1)b=(12—1)X300=3300mm梯段高度:H1=H2=n·h=12X150=1800mm5、确定平台深度。中间平台深度B1不小于1450mm(梯段宽度),取1600mm,楼梯平台深度B2暂取600mm。6、校核B=3060−1602=1450mmn1=n2=N2=242=12级L1+B1十B2+120=3300十1600十600+120=5620mm<6000mm(进深)将楼层平台深度加大至600+(6000—5620)=980mm。

1、当您付费下载文档后,您只拥有了使用权限,并不意味着购买了版权,文档只能用于自身使用,不得用于其他商业用途(如 [转卖]进行直接盈利或[编辑后售卖]进行间接盈利)。
2、本站所有内容均由合作方或网友上传,本站不对文档的完整性、权威性及其观点立场正确性做任何保证或承诺!文档内容仅供研究参考,付费前请自行鉴别。
3、如文档内容存在违规,或者侵犯商业秘密、侵犯著作权等,请点击“违规举报”。

碎片内容

教学案例 课题 楼梯的尺寸与设计方法

您可能关注的文档

确认删除?
VIP
微信客服
  • 扫码咨询
会员Q群
  • 会员专属群点击这里加入QQ群
客服邮箱
回到顶部