电脑桌面
添加小米粒文库到电脑桌面
安装后可以在桌面快捷访问

模板支撑体系检查验收及使用一般规定VIP免费

模板支撑体系检查验收及使用一般规定_第1页
1/4
模板支撑体系检查验收及使用一般规定_第2页
2/4
模板支撑体系检查验收及使用一般规定_第3页
3/4
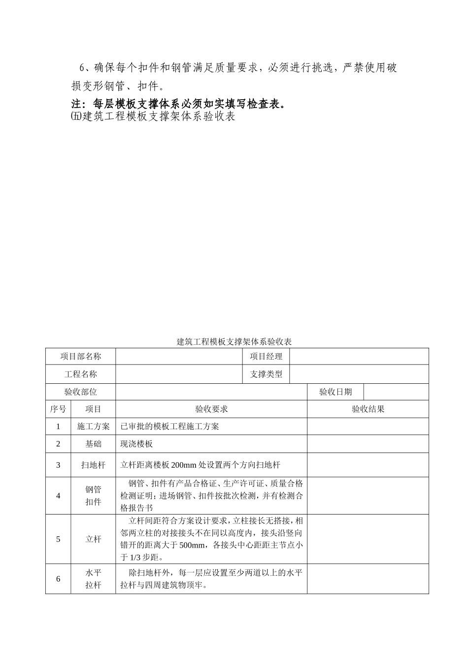
模板支撑体系检查验收及使用一般规定①模板支撑检查、验收要求1、支撑系统搭设前,应由项目技术负责人组织对需要处理或加固的地基、基础进行验收,并留存记录。注:模板支撑体系搭设必须做到样板先行,样板分为两部分,第一部为地下人防或车库部分,第二部分为标准层首层。样板必须报安全生产部验收后方可进行下步施工。如不进行报验的作业班组或劳务分包单位将给予停工并进行处以2000-5000元罚款。2、模板支撑投入使用前,应由项目部组织验收。项目经理、项目技术负责人和相关人员参加模板支架验收。3、模板支撑验收应根据专项施工方案,检查现场实际搭设与方案的符合性。施工过程中检查项目应符合下列要求:1)立柱底部基础应回填夯实;2)垫木应满足设计要求;3)底座位置应正确,自由端高度、顶托螺杆伸出长度应符合规定;4)立杆的间距和垂直度应符合要求,不得出现偏心荷载;5)扫地杆、水平拉杆、剪刀撑等设置应符合规定,固定可靠;6)安装后的扣件螺栓扭紧力矩应达到40~65N•m。抽检数量应符合规范要求;㈡模板支撑使用要求1、模板支撑系统在使用过程中,立柱底部不得松动悬空,不得任意拆除任何杆件,不得松动扣件,也不得用作缆风绳的拉接。2、当模板支撑基础或相邻处有设备基础、管沟时,在支架使用过程中不得开挖,否则必须采取加固措施。3、施工中应避免装卸物料对模板支撑架产生偏心、振动和冲击。4、砼浇筑过程应符合专项施工方案要求,并确保支撑系统受力均匀。混凝土浇筑过程中,应均匀浇捣,不得超高堆置,不得采用使支模架产生偏心荷载的混凝土浇筑顺序;作业层上的施工荷载应符合设计要求,不得超载;采用泵送混凝土时,应随浇捣随平整,混凝土不得堆积在泵送管路出口处。5、模板支撑高度超过4m时,柱、墙板与梁板混凝土应分二次浇筑。柱、墙板混凝土达到设计强度75%以上方可浇筑梁板混凝土。6、支撑系统搭设、拆除及混凝土浇筑过程中,应设专人负责安全检查,发现险情,立即停止施工并采取应急措施,排除险情后,方可继续施工。7、在放置布料杆部位应进行单独加固处理。㈢梁板模板高支撑架搭设要求1、搭设上层排架时,地面混凝土强度必须大于1.2N/㎜2且下层模板支撑系统不得拆除;尤其对支撑高度大于8米部位。2、支撑架搭设时必须先放出梁边线,然后按照排架立杆布置图布置立杆。立杆要求纵横成行,剪刀撑、横向斜撑搭设必须随立杆、纵向和横向水平杆等同步搭设,各底层斜杆下端必须支承在混凝土面上。3、排架搭设的纵、横立杆间距严格按照附图尺寸布置,步高不大于1.5米。离地不大于200mm设置纵横扫地杆。纵、横水平杆的扣件均应扣在立杆上。必须每搭完一步后,矫正步距、纵距、横距及立杆的垂直度。4、沿排架的纵、横方向两端及中间每隔10~15米必须自上而下连续设置一道垂直剪刀撑;排架顶部、底部以及中间每隔二步各设置一道水平剪刀撑,剪刀撑宽度为6~8米,间距为10~15米,并且接点必须与主立杆相连。剪刀撑夹角控制在45。~60。之间。5、板支撑立杆间距控制1.0m×1.0m以内(与梁底立杆间距一致)。根据计算梁板底必须由双扣件承载。6、立杆除顶层搭接外其余采用对接,搭接长度不小于1米和3个扣件。使用对接扣件垂直连接时,立杆在同一水平面内对接接长的数量不得大于总数量的1/3,接长点应在步距端部的1/3距离范围之内,接长杆应均匀分布在排架平面范围内。严禁相邻两根立杆同步接长,立杆的接长应采取满足支撑高度的最少接点原则。7、对立杆底部不在同一高度处(两轴之间),必须将高处的纵向扫地杆向低处延长两跨与立杆固定。对梁底附加立杆处水平杆也必须延伸两步。8、为防止人员高空坠落,模板支撑下作业层必须铺宽度不小于500mm脚手板作临时走道(主要用于梁钢筋绑扎和梁模板加固),脚手板用18#铁线与钢管绑牢,并且该层下必须满挂安全网。严禁用50×100木方代替。㈣扣件安装应符合下列规定1、扣件规格必须与钢管外径相同;2、螺栓拧紧扭力距不得小于40N.m,但不大于60N.m;3、在主结点处固定横向水平杆、剪刀撑、横向斜杆等用的直角扣件、旋转扣件的相互距离不应大于150mm。4、对接扣件开口应朝上或朝内。5、各杆件端头伸出杆端边缘的长度不...

1、当您付费下载文档后,您只拥有了使用权限,并不意味着购买了版权,文档只能用于自身使用,不得用于其他商业用途(如 [转卖]进行直接盈利或[编辑后售卖]进行间接盈利)。
2、本站所有内容均由合作方或网友上传,本站不对文档的完整性、权威性及其观点立场正确性做任何保证或承诺!文档内容仅供研究参考,付费前请自行鉴别。
3、如文档内容存在违规,或者侵犯商业秘密、侵犯著作权等,请点击“违规举报”。

碎片内容

模板支撑体系检查验收及使用一般规定

您可能关注的文档

确认删除?
VIP
微信客服
  • 扫码咨询
会员Q群
  • 会员专属群点击这里加入QQ群
客服邮箱
回到顶部