电脑桌面
添加小米粒文库到电脑桌面
安装后可以在桌面快捷访问

模块型号接线方式说明VIP免费

模块型号接线方式说明_第1页
1/9
模块型号接线方式说明_第2页
2/9
模块型号接线方式说明_第3页
3/9
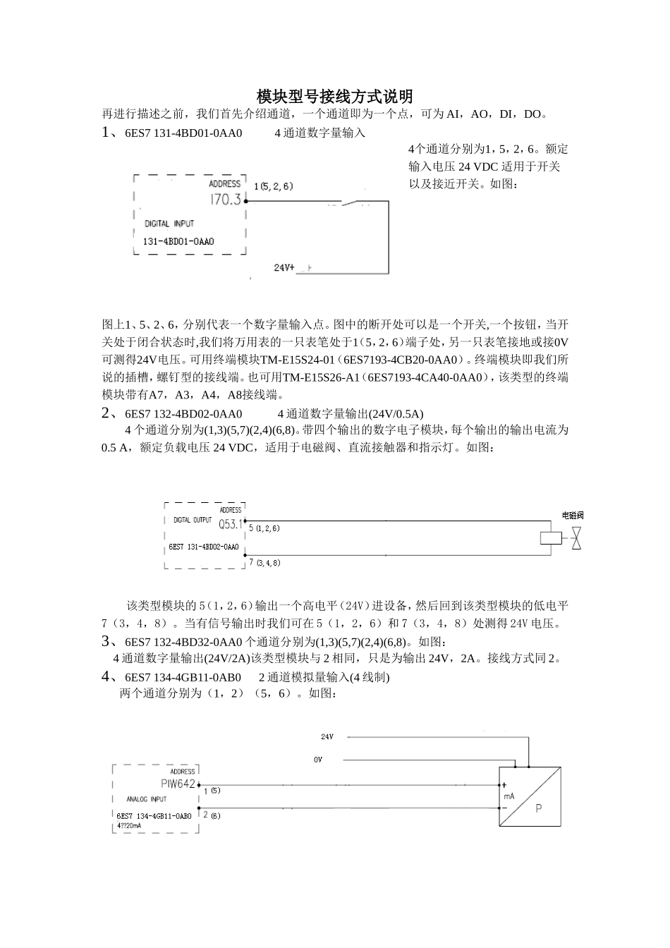
模块型号接线方式说明再进行描述之前,我们首先介绍通道,一个通道即为一个点,可为AI,AO,DI,DO。1、6ES7131-4BD01-0AA04通道数字量输入4个通道分别为1,5,2,6。额定输入电压24VDC适用于开关以及接近开关。如图:图上1、5、2、6,分别代表一个数字量输入点。图中的断开处可以是一个开关,一个按钮,当开关处于闭合状态时,我们将万用表的一只表笔处于1(5,2,6)端子处,另一只表笔接地或接0V可测得24V电压。可用终端模块TM-E15S24-01(6ES7193-4CB20-0AA0)。终端模块即我们所说的插槽,螺钉型的接线端。也可用TM-E15S26-A1(6ES7193-4CA40-0AA0),该类型的终端模块带有A7,A3,A4,A8接线端。2、6ES7132-4BD02-0AA04通道数字量输出(24V/0.5A)4个通道分别为(1,3)(5,7)(2,4)(6,8)。带四个输出的数字电子模块,每个输出的输出电流为0.5A,额定负载电压24VDC,适用于电磁阀、直流接触器和指示灯。如图:该类型模块的5(1,2,6)输出一个高电平(24V)进设备,然后回到该类型模块的低电平7(3,4,8)。当有信号输出时我们可在5(1,2,6)和7(3,4,8)处测得24V电压。3、6ES7132-4BD32-0AA0个通道分别为(1,3)(5,7)(2,4)(6,8)。如图:4通道数字量输出(24V/2A)该类型模块与2相同,只是为输出24V,2A。接线方式同2。4、6ES7134-4GB11-0AB02通道模拟量输入(4线制)两个通道分别为(1,2)(5,6)。如图:4线制即设备的单独供电需要一对线信号的输入需要一对线。设备的正(4-20ma+)接模块的1(5),设备的负(4-20ma-)接模块的2(6)。当我们取下1(5)处的线时,并接到万用表的红表笔上,把表的黑表笔接到1(5)上,我们可测到正的4-20ma,如果不为正的毫安值,必须进行调换。5、6ES7134-4GB01-0AB02通道模拟量输入(2线制)两通道分别为(1,2)(5,6)。如图:2线制即设备的供电与信号线用同一组线。模块的1,5给设备供电24V,电流流方向为从6进,从5出,我们把红表笔接从6处取下的线,另一端接入6,我们可在此获得4-20ma的正电流。6、6ES7134-4NB01-0AB02通道模拟量输入,TC,温度计数器两通道分别为(1,2)(5,6)。、可用终端模块TM-E15S24-AT(6ES7193-4CL20-0AA0)。如图:该模块为特殊模块,与热电偶相连,结晶器漏钢预报专用模块,接线同4,不再详述。我们可测得±80mV的电压,精度为15位。7、6ES7134-4NB51-0AB02通道模拟量输入,RID电阻温度计:Pt100;Ni100;Ni120;Pt200;Ni200;Pt500;Ni500;Pt1000;Ni1000;Cu10;精度最高15位。–电阻测量:150Ω;300Ω;600Ω;3000Ω两通道分别为(1,2)(5,6)。如图:该模块为特殊模块,与热电阻相连结晶器漏钢预报专用模块,接线同4,不再详述。测量方法与4相同在此我们不再详述。8、6ES7135-4GB01-0AB02通道模拟量输出(电流)两通道分别为(1,3)(5,7)。2个用于电流输出的输出。如图:该类型模块的5(1)输出4-20ma+到设备的正端,经设备的负端回到该模块的7(3)。当有值输出时我们可把表串进线路可测得的4-20ma不等的电流值。9、6ES7135-4FB01-0AB02通道模拟量输出(电压)。两通道分别为(1QV+/2S+,3MANA/4S-)(5QV+/6S+,7MANA/8S-)。QVn:模拟输出电压,通道n。Sn+:跟踪器线路正极,通道n。Sn-:跟踪器线路负极,通道n。Mana:模块接地。输出范围:±10V,精度为13位,1-5V精度为12位。接线如图:当我们把表笔置于D,E处时我们可测得0-10V不等的电压(根据输出的不同)。10、6ES7132-4HB10-0AB02通道带继电器功能的输出两通道分别为常开常开(1,2),常闭(1,3),常开(5,6),常闭(5,7)。如图:当Q101.4有输出时,内部继电器由常开变为闭合状态,1(5),2(6)形成通路该灯变亮,当有输出时我们可以用万用表测1(5),2(6)的通断。常闭状态的图与常开正好相反在此我们不再画图。11、6ES7132-4HB01-0AB02通道带继电器功能的输出该模块的型号与10的类型一样,2个通道为:(1,2/3)(5,6/7)不过有2个常开通道没有常闭通道,功能与10一样,在此我们不在详述。12、6ES7138-4DB03-0AB0SSI模块位置传感、编码器专用模块。2:电源正;3:电源负;1:DATA+;5:DATA-;4:CLOCK+;5:CLOCK-;7:复位。(我们这儿大包编码...

1、当您付费下载文档后,您只拥有了使用权限,并不意味着购买了版权,文档只能用于自身使用,不得用于其他商业用途(如 [转卖]进行直接盈利或[编辑后售卖]进行间接盈利)。
2、本站所有内容均由合作方或网友上传,本站不对文档的完整性、权威性及其观点立场正确性做任何保证或承诺!文档内容仅供研究参考,付费前请自行鉴别。
3、如文档内容存在违规,或者侵犯商业秘密、侵犯著作权等,请点击“违规举报”。

碎片内容

模块型号接线方式说明

文章天下+ 关注
实名认证
内容提供者

各种文档应有尽有

确认删除?
VIP
微信客服
  • 扫码咨询
会员Q群
  • 会员专属群点击这里加入QQ群
客服邮箱
回到顶部