电脑桌面
添加小米粒文库到电脑桌面
安装后可以在桌面快捷访问

木地板检验批报验申请表VIP免费

木地板检验批报验申请表_第1页
1/6
木地板检验批报验申请表_第2页
2/6
木地板检验批报验申请表_第3页
3/6
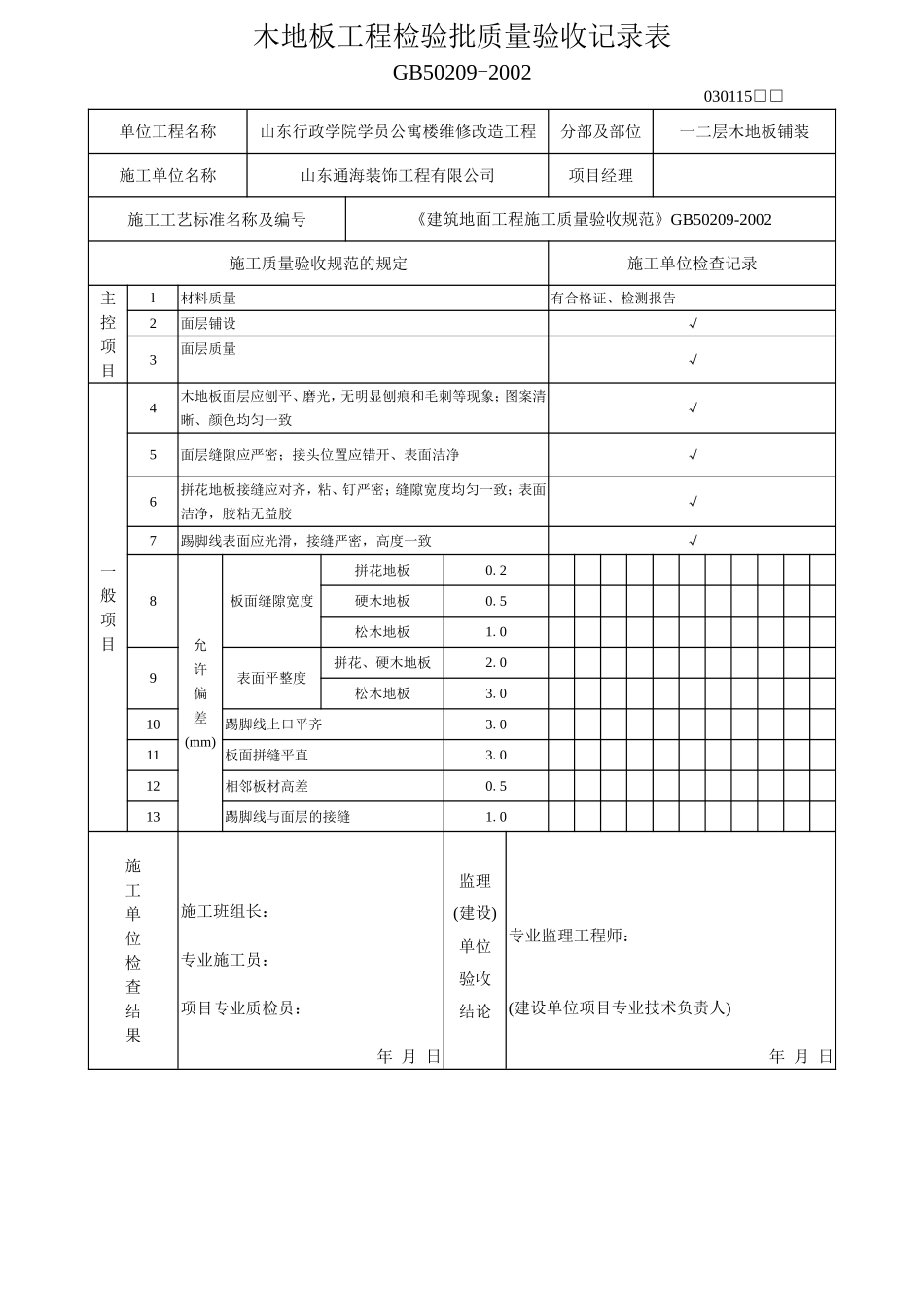
木地板检验批报验申请表工程名称:山东行政学院学员公寓楼维修改造工程编号:致:济南市建设监理有限公司我单位已完成了一二层木地板铺装工作,现报上该工程报验申请表,请予审查和验收。附件:木地板工程检验批质量验收记录表承包单位(章)项目经理日期审查意见:项目监理机构:总/专业监理工程师:日期:木地板工程检验批质量验收记录表GB50209-2002030115□□单位工程名称山东行政学院学员公寓楼维修改造工程分部及部位一二层木地板铺装施工单位名称山东通海装饰工程有限公司项目经理施工工艺标准名称及编号《建筑地面工程施工质量验收规范》GB50209-2002施工质量验收规范的规定施工单位检查记录主控项目l材料质量有合格证、检测报告2面层铺设√3面层质量√一般项目4木地板面层应刨平、磨光,无明显刨痕和毛刺等现象;图案清晰、颜色均匀一致√5面层缝隙应严密;接头位置应错开、表面洁净√6拼花地板接缝应对齐,粘、钉严密;缝隙宽度均匀一致;表面洁净,胶粘无益胶√7踢脚线表面应光滑,接缝严密,高度一致√8允许偏差(mm)板面缝隙宽度拼花地板0.2硬木地板0.5松木地板1.09表面平整度拼花、硬木地板2.0松木地板3.010踢脚线上口平齐3.011板面拼缝平直3.012相邻板材高差0.513踢脚线与面层的接缝1.0施工单位检查结果施工班组长:专业施工员:项目专业质检员:年月日监理(建设)单位验收结论专业监理工程师:(建设单位项目专业技术负责人)年月日木地板检验批报验申请表工程名称:山东行政学院学员公寓楼维修改造工程编号:致:济南市建设监理有限公司我单位已完成了三四层木地板铺装工作,现报上该工程报验申请表,请予审查和验收。附件:一般抹灰检验批质量验收记录表承包单位(章)项目经理日期审查意见:项目监理机构:总/专业监理工程师:日期:木地板工程检验批质量验收记录表GB50209-2002030115□□单位工程名称山东行政学院学员公寓楼维修改造工程分部及部位三四层木地板铺装施工单位名称山东通海装饰工程有限公司项目经理施工工艺标准名称及编号《建筑地面工程施工质量验收规范》GB50209-2002施工质量验收规范的规定施工单位检查记录主控项目l材料质量有合格证、检测报告2面层铺设√3面层质量√一般项目4木地板面层应刨平、磨光,无明显刨痕和毛刺等现象;图案清晰、颜色均匀一致√5面层缝隙应严密;接头位置应错开、表面洁净√6拼花地板接缝应对齐,粘、钉严密;缝隙宽度均匀一致;表面洁净,胶粘无益胶√7踢脚线表面应光滑,接缝严密,高度一致√8允许偏差(mm)板面缝隙宽度拼花地板0.2硬木地板0.5松木地板1.09表面平整度拼花、硬木地板2.0松木地板3.010踢脚线上口平齐3.011板面拼缝平直3.012相邻板材高差0.513踢脚线与面层的接缝1.0施工单位检查结果施工班组长:专业施工员:项目专业质检员:年月日监理(建设)单位验收结论专业监理工程师:(建设单位项目专业技术负责人)年月日木地板检验批报验申请表工程名称:山东行政学院学员公寓楼维修改造工程编号:致:济南市建设监理有限公司我单位已完成了五六层木地板铺装工作,现报上该工程报验申请表,请予审查和验收。附件:一般抹灰检验批质量验收记录表承包单位(章)项目经理日期审查意见:项目监理机构:总/专业监理工程师:日期:木地板工程检验批质量验收记录表GB50209-2002030115□□单位工程名称山东行政学院学员公寓楼维修改造工程分部及部位五六层木地板铺装施工单位名称山东通海装饰工程有限公司项目经理施工工艺标准名称及编号《建筑地面工程施工质量验收规范》GB50209-2002施工质量验收规范的规定施工单位检查记录主控项目l材料质量有合格证、检测报告2面层铺设√3面层质量√一般项目4木地板面层应刨平、磨光,无明显刨痕和毛刺等现象;图案清晰、颜色均匀一致√5面层缝隙应严密;接头位置应错开、表面洁净√6拼花地板接缝应对齐,粘、钉严密;缝隙宽度均匀一致;表面洁净,胶粘无益胶√7踢脚线表面应光滑,接缝严密,高度一致√8允许偏差(mm)板面缝隙宽度拼花地板0.2硬木地板0.5松木地板1.09表面平整度拼花、硬木地板2.0松木地板3.010踢脚线上口平齐3.011板面拼缝平直3.012相邻板材高差0.513踢脚线与面层的接缝...

1、当您付费下载文档后,您只拥有了使用权限,并不意味着购买了版权,文档只能用于自身使用,不得用于其他商业用途(如 [转卖]进行直接盈利或[编辑后售卖]进行间接盈利)。
2、本站所有内容均由合作方或网友上传,本站不对文档的完整性、权威性及其观点立场正确性做任何保证或承诺!文档内容仅供研究参考,付费前请自行鉴别。
3、如文档内容存在违规,或者侵犯商业秘密、侵犯著作权等,请点击“违规举报”。

碎片内容

木地板检验批报验申请表

您可能关注的文档

确认删除?
VIP
微信客服
  • 扫码咨询
会员Q群
  • 会员专属群点击这里加入QQ群
客服邮箱
回到顶部